GM Service Manual Online
For 1990-2009 cars only
Makes
🢒
Generic
🢒
1998
🢒
Unit Repair
🢒
Transmission/Transaxle
🢒
Automatic Transmission - 4L30-E
🢒 Adapter Case Wiring Harness Installation
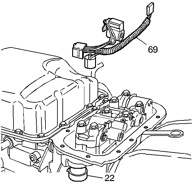
Install the adapter case electrical connector (22).
Install the adapter case wire harness assembly (69).
Connect the wire harness connectors to the electrical components.