GM Service Manual Online
For 1990-2009 cars only

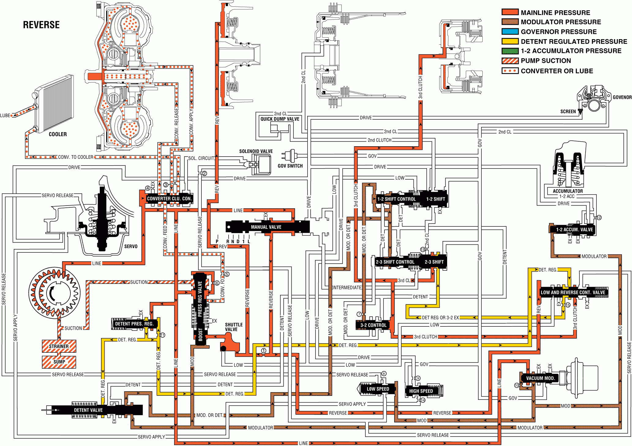
When the selector lever is moved to the Reverse position on the quadrant, the manual valve is positioned to allow reverse oil to pass through the manual valve into the reverse oil passage. The reverse oil applies the reverse clutch. At the same time, reverse oil is directed to the pressure regulator boost control valve cavity to seat the check ball and prevent reverse oil passing into the intermediate oil passage. It is then directed to the pressure regulator boost valve forcing the pressure regulator valve downward to increase oil pressure in the circuit.

Reverse oil is also directed to act on the end of the reverse and low control valve against the spring to allow detent regulated oil to pass through the valve to the 2-3 shift valve. The detent regulated oil passes through the 2-3 shift valve and into the third clutch oil passages to apply the third clutch. The third clutch oil also acts on the end of the 3-2 control valve against the spring and modulator oil pressure, closing off the supply of modulator oil to the 2-3 shift control valve. Third clutch oil at the reverse and low control valve is closed off from passing through the valve, and into the servo release passage.

Summary

The reverse clutch is on and the third clutch is on. The transmission is in Reverse Range.

Reverse


Object Number: 261335  Size: FS
Case Passages

Object Number: 261335  Size: FS