GM Service Manual Online
For 1990-2009 cars only

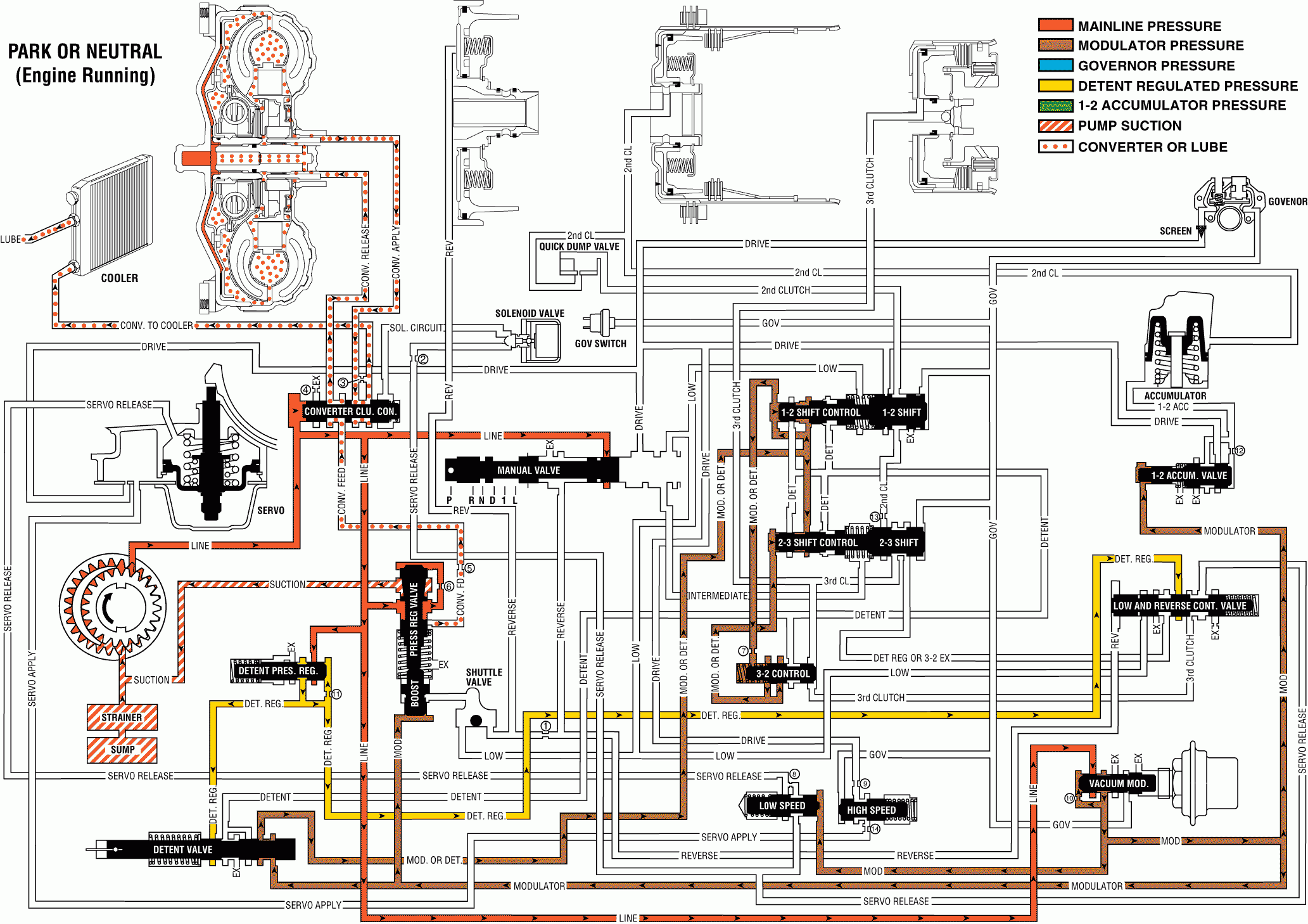
Whenever the engine is running with the selector in Neutral, oil is pulled from the sump into the oil pump and is dispensed from the pump under pressure. Line oil is directed to the vacuum modulator valve, to the pressure regulator valve and to the manual valve. The converter is fed through the pressure regulator valve, the return oil from the converter being directed through the cooler and back into the transmissions lubricating system.

Line oil directed to the vacuum modulator valve becomes regulated to modulator oil and acts on the pressure regulator boost valve, the low speed downshift timing valve, the 1-2 accumulator valve, and the detent valve. The modulator oil passes through the detent valve to act on the 1-2 shift control valve, the 3-2 control valve and the 2-3 shift control valve. Line oil passes through the manual valve, and is regulated at the detent pressure regulator valve before being directed to the Reverse and Low control valve.

Summary

The converter is filled, the clutches and low band are released. The transmission is in Park or Neutral.

Park or Neutral - Engine Running


Object Number: 261313  Size: FS
Case Passages

Object Number: 261313  Size: FS