GM Service Manual Online
For 1990-2009 cars only
Figure 1:

Cell 22: Underhood Bussed Electrical Center, G103, S103


Object Number: 366684  Size: FS
Figure 2:

Cell 22: G203, G103, S103


Object Number: 366685  Size: FS
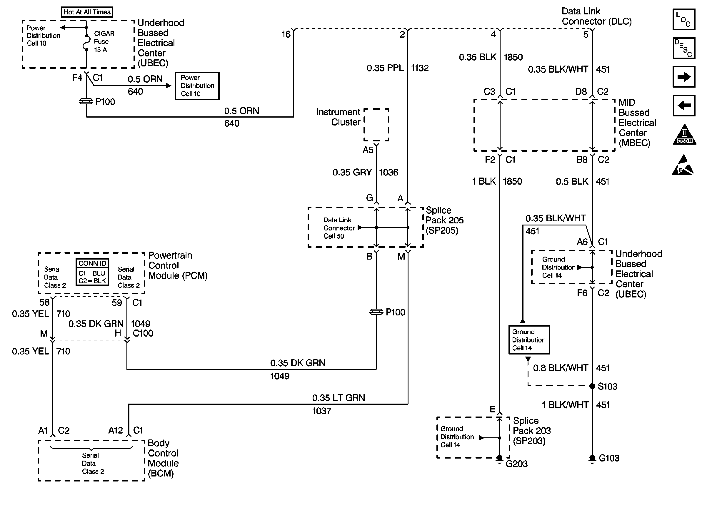
Figure 3:

Cell 22: Underhood Bussed Electrical Center, G104, Instrument Cluster


Object Number: 366686  Size: FS
Figure 4:

Cell 22: Camshaft Position Sensor, Crankshaft Position Snesor, Ignition Timing Stepper Motor


Object Number: 366687  Size: FS
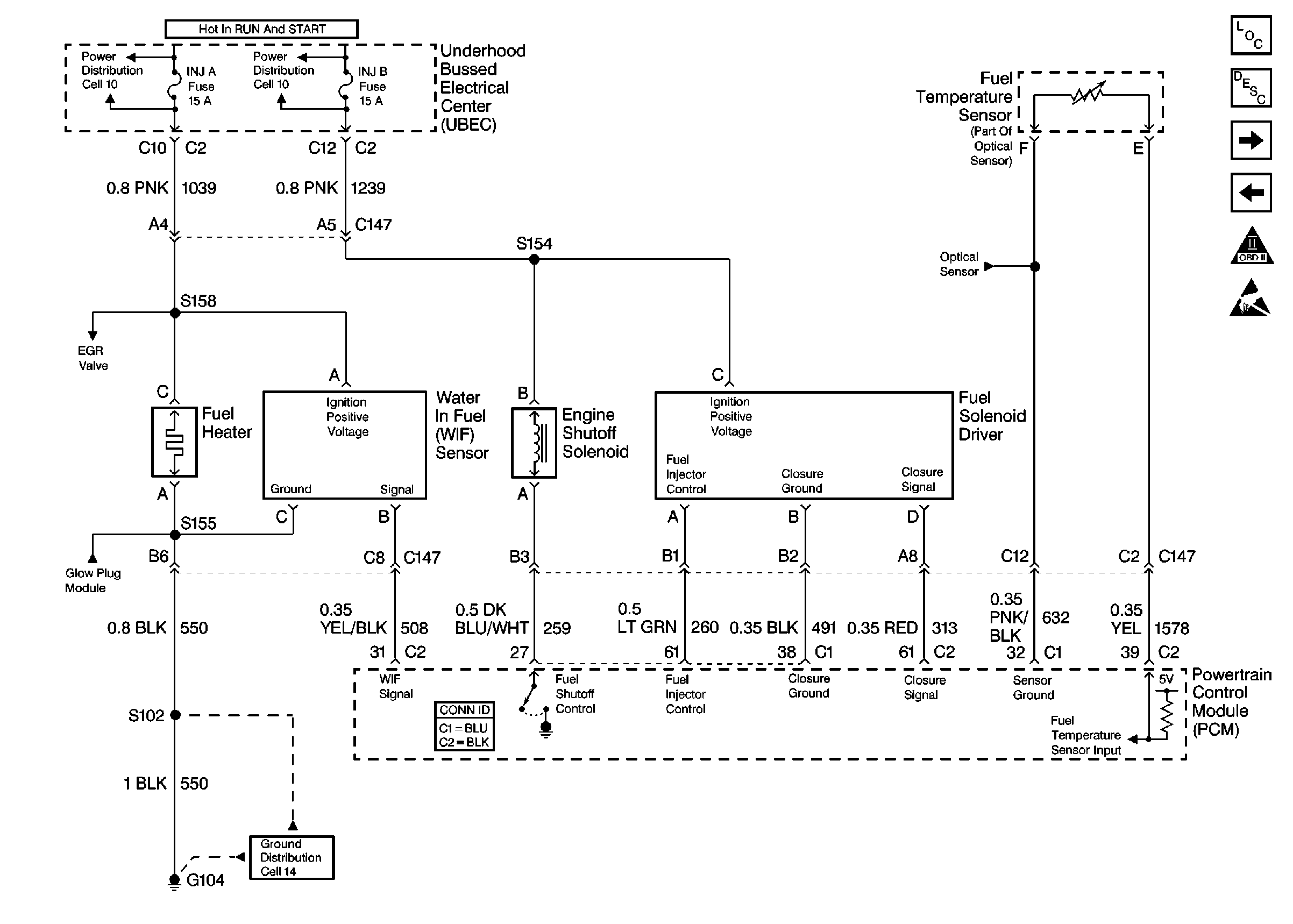
Figure 5:

Cell 22: G103, Fuel Pump


Object Number: 366688  Size: FS
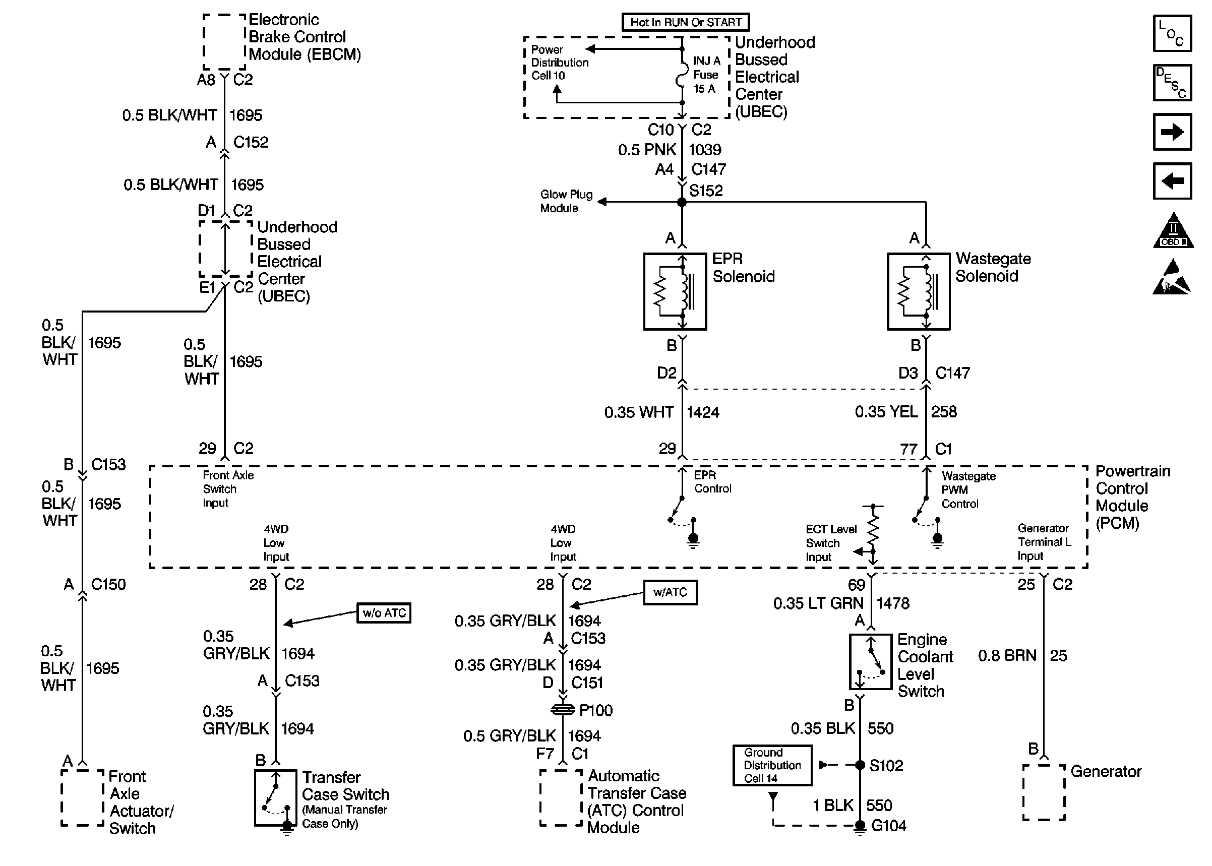
Figure 6:

Cell 22: G104, S102


Object Number: 366689  Size: FS
Figure 7:

Cell 22: G103, S103, Mass Air Flow Sensor


Object Number: 366690  Size: FS
Figure 8:

Cell 22: Electronic Brake Control Module, Radio, Body Control Module


Object Number: 366691  Size: FS
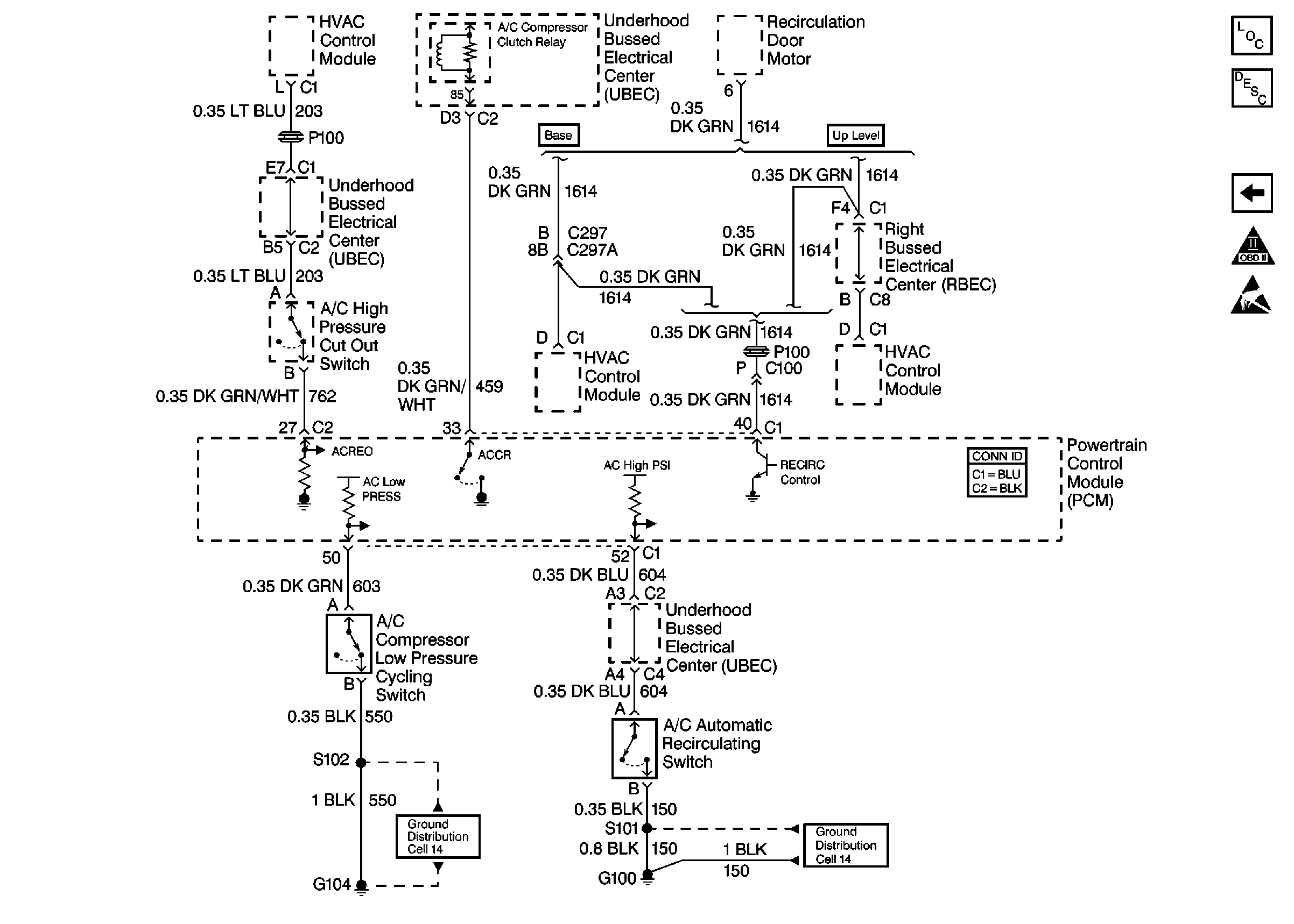
Figure 9:

Cell 22: G104, S102


Object Number: 366692  Size: FS
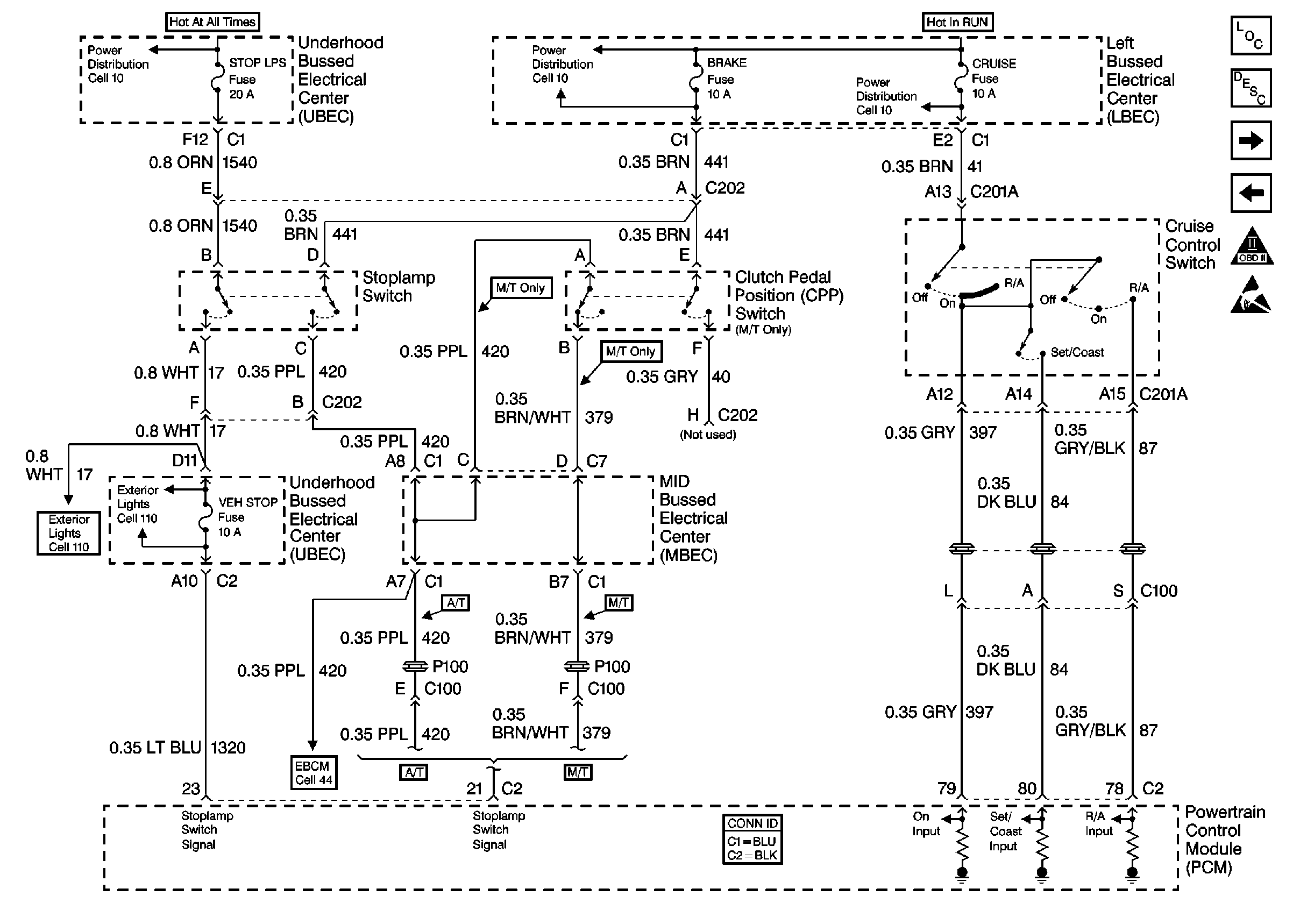
Figure 10:

Cell 22: Left Bussed Electrical Center, Cruise Control Switch


Object Number: 366694  Size: FS
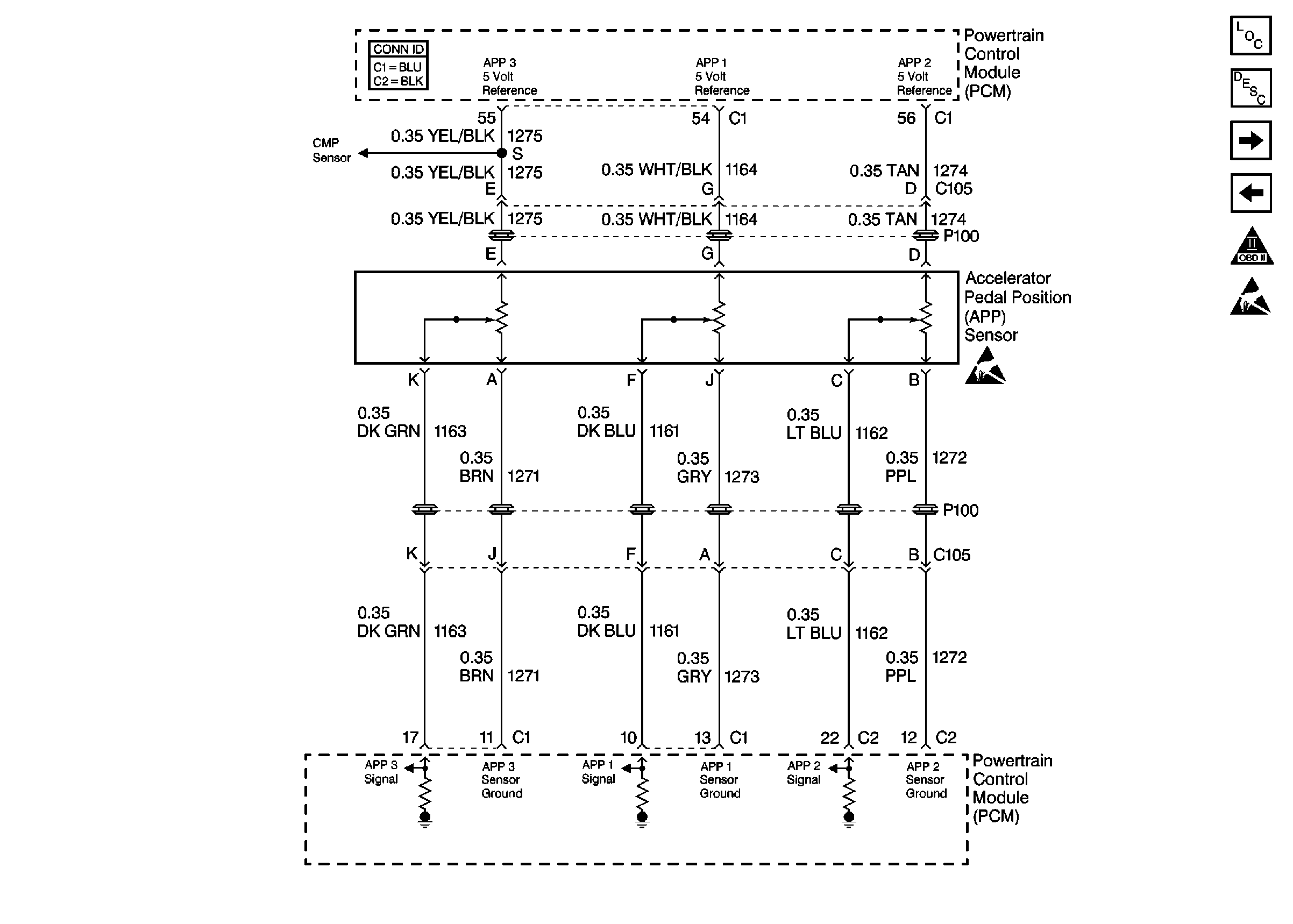
Figure 11:

Cell 22: Powertrain Control Module, Accelerator Pedal Position


Object Number: 366695  Size: FS
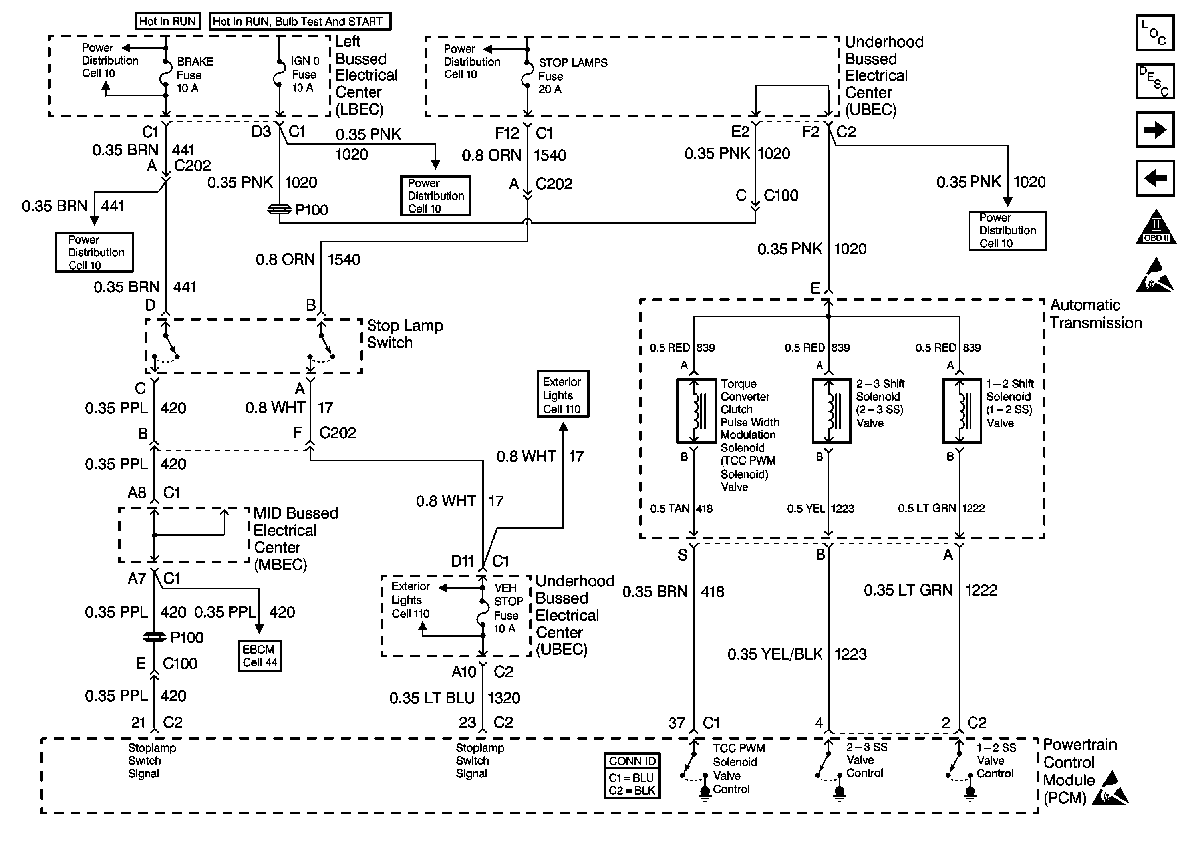
Figure 12:

Cell 22: Stoplamp Switch, Automatic Transmission


Object Number: 366698  Size: FS
Figure 13:

Cell 22: Automatic Transmission Input Shaft Speed Sensor


Object Number: 366699  Size: FS
Figure 14:

Cell 22: G103, Park/Neutral Position Switch


Object Number: 366702  Size: FS
Figure 15:

Cell 22: G104, G100


Object Number: 366703  Size: FS