GM Service Manual Online
For 1990-2009 cars only

Tools Required

    • J 8062 Valve Spring Compressor
    • J 42078 Valve Stem Oil Seal Installer

    Object Number: 64108  Size: MH
  1. Clean the cylinder head valve spring shim area.
  2. Important: When reusing the valves and related components, install the parts to their original location.

  3. Install the valves (10 and 12) into the proper port.
  4. Refer to Separating Parts .

  5. Install the valve spring shim (6).

  6. Object Number: 63193  Size: SH

    Important: The valve stem oil seal alignment and position on the valve guide is critical.

    An improperly installed valve stem oil seal may lead to excessive oil consumption, increased vehicle emissions, or component damage.

  7. Install the valve stem oil seal (5) onto the guide (7).
  8. 4.1. Lubricate the valve guide (7) and valve stem (5) oil seal with clean engine oil.
    4.2. Install the valve stem oil seal onto the valve stem. Push the seal down until the seal contacts the valve guide.
    4.3. Use the J 42078 in order to install the valve stem oil seal.

    Push or lightly tap the tool until the tool bottoms against the valve spring shim (6).


    Object Number: 63158  Size: SH
  9. Measure the valve stem oil seal for the properly installed height.
  10. Specification
    There should be a 18.1-19.1 mm (0.712-0.752 in) gap between the top edge of the oil seal body and the valve spring shim surface.


    Object Number: 64108  Size: MH
  11. Install the valve spring (4).
  12. Install the valve spring cap (3).

  13. Object Number: 260151  Size: SH
  14. Compress the valve spring (4) using the J 8062 .
  15. Install the valve stem keys (2).
  16. 9.1. Use grease to hold the keys (2) in place and remove the J 8062 .
    9.2. Make sure the keys (2) seat properly in the groove of the valve stem (10 and 12).
    9.3. Tap the end to the valve stem (10 and 12) with a plastic faced hammer to seat the keys (if necessary).

    Object Number: 64315  Size: SH
  17. Measure the valve spring installed height using a ruler.
  18. Measure from the base of the valve spring to the top of the valve spring.

    Specification

        • If the installed height exceeds 46.25 mm (1.82 in), install a valve spring shim of approximately 0.5 mm (0.02 in) thick.
        • Do not shim the valve spring to obtain less than the specified height.
            Do not assemble the components without a spring shim on the cylinder head.
  19. Install the remaining valves (10 and 12), springs (4) and other components.

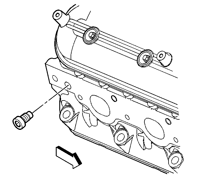
  20. Object Number: 260086  Size: SH
  21. Install sealant GM P/N 12346004 or equivalent to the threads of the coolant sensor.
  22. Notice: Use the correct fastener in the correct location. Replacement fasteners must be the correct part number for that application. Fasteners requiring replacement or fasteners requiring the use of thread locking compound or sealant are identified in the service procedure. Do not use paints, lubricants, or corrosion inhibitors on fasteners or fastener joint surfaces unless specified. These coatings affect fastener torque and joint clamping force and may damage the fastener. Use the correct tightening sequence and specifications when installing fasteners in order to avoid damage to parts and systems.

  23. Install the coolant sensor into the left cylinder head.
  24. Tighten
    Tighten the coolant sensor to 20 N·m (15 lb ft).


    Object Number: 260157  Size: SH
  25. Install the coolant plug to the right cylinder head.
  26. Tighten
    Tighten the coolant plug to 20 N·m (15 lb ft).


    Object Number: 490662  Size: SH
  27. Apply threadlock GM P/N 12345382 (Canadian P/N 10953489) or equivalent to the sides of the cylinder head expansion plugs (1).
  28. Install the expansion plugs into the cylinder head. A properly installed plug should be installed 2.5 mm (0.1 in) below the end face of the head.