GM Service Manual Online
For 1990-2009 cars only
Makes
🢒
Generic
🢒
1999
🢒
Unit Repair
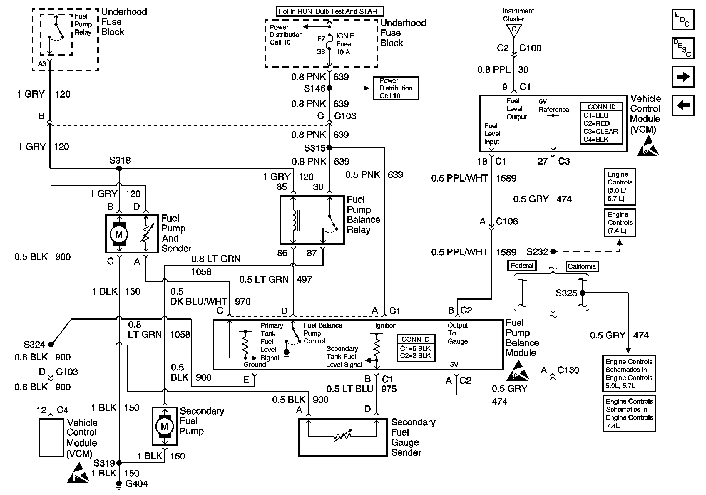
🢒 Fuel Gauge Sender (Dual Tank, Gas)
Fuel Gauge Sender (Dual Tank, Gas)
Fuel Gauge Sender (Dual Tank, Gas)
Instrument Cluster Components
Instrument Cluster Circuit Description
Fuel Gauge Sender(s) (Diesel)
Fuel Gauge Sender (Single Tank, Gas)
Cell 10: IGN A Fuse and Ignition Switch
Gauges
Cell 10: IGN E Fuse
Handling ESD Sensitive Parts Notice
VCM and Engine Sensors
Engine Sensors
VCM and Engine Sensors
Engine Sensors
Handling ESD Sensitive Parts Notice
Handling ESD Sensitive Parts Notice