GM Service Manual Online
For 1990-2009 cars only

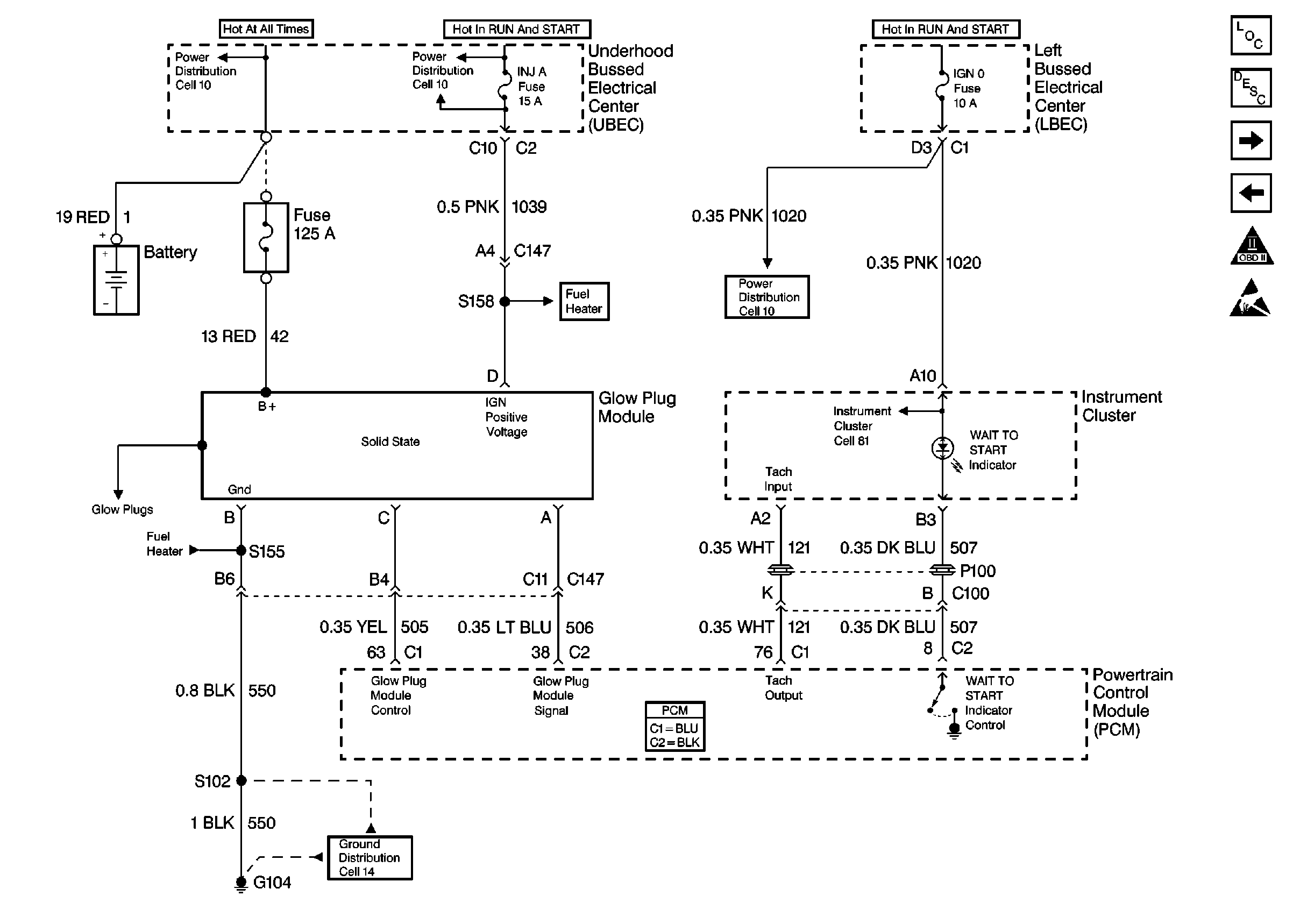
DTC P0380 Glow Plug Feedback Circuit Federal

Refer to

Cell 22: Underhood Bussed Electrical Center, G104, Instrument Cluster


Object Number: 366686  Size: FS

Circuit Description

The glow plug system is used to assist in providing the heat required to begin combustion during cold engine temperatures. The glow plugs are heated before and during cranking, as well as initial engine operation. The PCM controls the glow plug ON times by monitoring coolant temperatures and glow plug voltage.

Conditions for Running the DTC

The PCM has commanded glow plugs ON.

or

The PCM has commanded glow plugs OFF.

or

When the PCM has commanded glow plugs ON.

Conditions for Setting the DTC

    • The glow plug signal voltage is less than 4.0 volts.
        or
    • The glow plug signal voltage is greater than 4.0 volts.
        or
    • There is more than a 2 volt difference between glow plug voltage and ignition voltage.

Action Taken When the DTC Sets

    • The PCM illuminates the malfunction indicator lamp (MIL) on the first consecutive drive trip that the diagnostic runs and fails.
    • The Freeze Frame records the operating conditions at the time of failure and updates the Failure Records.

Conditions for Clearing the MIL/DTC

    • The PCM will turn the MIL off after three consecutive trips without a fault condition.
    • A History DTC will clear after forty consecutive warm-up cycles, if this or any other emission related diagnostic does not report any failures.
    • Use of a scan tool.

Diagnostic Aids

If glow plug relay is stuck in the ON position, check for proper operation of glow plugs, refer to Glow Plug System Check . When glow plugs are commanded ON by the Scan tool, an internal PCM timer protects the glow plugs from damage by cycling them ON for 3 seconds and the OFF for 12 seconds.

The glow plug output feed wire nut and battery feed wire nut at the relay should be checked for proper torque (5 N·m 44 lb in) and for corrosion.

An intermittent may be caused by the following:

    • Poor connections.
    • Rubbed through wire insulation.
    • Broken wire inside the insulation.

Test Description

The number(s) below refer to the Step number(s) on the Diagnostic Table.

  1. This Step will determine if P0380 is a hard failure.

  2. This Step will determine if the PCM is requesting the glow plug system is ON.

  3. This Step will determine if the glow plug relay has been activated and the output voltage has been seen by the PCM.

Step

Action

Value(s)

Yes

No

1

Important: Before clearing any DTCs, use the scan tool Capture Info to save the Freeze Frame and Failure Records for reference. The control module's data is deleted once the Clear Info function is used.

Did you perform the Powertrain On-Board Diagnostic (OBD) System Check?

--

Go to Step 2

 

2

  1. Connect a scan tool.
  2. Turn the ignition ON leaving the engine OFF.
  3. Use the scan tool in order to command the glow plugs ON.
  4. Observe the Glow Plug System on the scan tool display.

Does the scan tool display the Glow Plug System as enabled?

--

Go to Step 3

Go to Step 8

3

  1. Turn the ignition ON with the engine OFF.
  2. Use the scan tool in order to command the glow plugs ON.
  3. Observe the Glow Plugs display on the scan tool.

Does the scan tool display the Glow Plugs at the specified value?

B+

Go to Step 4

Go to Step 6

4

Does the scan tool display Glow Plug voltage present all the time?

--

Go to Step 16

Go to Step 5

5

The DTC is intermittent. If no additional DTCs are stored, refer to Diagnostic Aids If any additional DTCs were stored, refer to those table(s).

Were there any additional DTCs stored?

--

Go to the applicable DTC table

Go to Diagnostic Aids

6

  1. Disconnect the glow plug relay connector.
  2. Turn the ignition ON with the engine OFF.
  3. With anunpowered test lamp connected to ground, probe the glow plug relay harness ignition feed circuit.

Is the test light ON?

--

Go to Step 7

Go to Step 10

7

  1. Turn the ignition ON with the engine OFF.
  2. Connect an unpowered test lamp between the glow plug harness ignition feed circuit and the harness ground circuit.

Is the test light ON?

--

Go to Step 8

Go to Step 11

8

  1. Turn the ignition ON with the engine OFF.
  2. Verify that the glow plug harness is still disconnected.
  3. With a DMM connected to ground, probe the glow plug relay control circuit at the glow plug harness connector.
  4. Use a scan tool in order to command the glow plugs ON.

Is the voltage at the specified value?

B+

Go to Step 9

Go to Step 12

9

  1. Reconnect the glow plug relay.
  2. Turn the ignition ON with the engine OFF.
  3. With an unpowered test lampconnected to ground, probe the glow plug side of the relay.
  4. Use a scan tool in order to command the glow plugs ON.

Is the test light ON when the scan tool commands the glow plugs ON?

--

Go to Step 14

Go to Step 18

10

Repair an open or a short to ground in glow plug relay ignition feed circuit.

Is the action complete?

--

Go to Step 20

--

11

Repair any open or poor connections in the glow plug relay ground circuit.

Is the action complete?

--

Go to Step 20

--

12

  1. Check the glow plug relay control circuit for an open or short to ground.
  2. If the glow plug relay control circuit is open or shorted to ground, repair as necessary.

Did you perform a repair?

--

Go to Step 20

Go to Step 13

13

Check the glow plug relay control circuit for a proper connection at the PCM and replace the terminal if necessary.

Did you perform a repair?

--

Go to Step 20

Go to Step 19

14

  1. Check the glow plug relay signal control circuit for an open or short to ground.
  2. If the glow plug relay signal circuit is open or shorted to ground, repair as necessary.

Did you perform a repair?

--

Go to Step 20

Go to Step 15

15

Check the glow plug relay signal circuit for a proper connection at the PCM and replace the terminal if necessary.

Did you peform a repair?

--

Go to Step 20

Go to Step 19

16

  1. Disconnect the glow plug relay connector.
  2. Turn the ignition ON leaving the ignition OFF.
  3. Probe the glow plug relay control circuit with an unpowered test lamp connected to ground.

Is the test light ON all the time?

--

Go to Step 17

Go to Step 18

17

Repair the short to voltage on the glow plug relay control circuit.

Is the action complete?

--

Go to Step 20

--

18

Replace the glow plug relay.

Is the action complete?

--

Go to Step 20

--

19

Important: The new PCM must be programmed.

Replace the PCM.

Is the action complete?

--

Go to Step 20

--

20

  1. Using the scan tool, clear the DTCs.
  2. Start the engine.
  3. Allow the engine to idle until the engine reaches normal operating temperature.
  4. Select the DTC and the Specific DTC function.
  5. Enter the DTC number which was set.
  6. Operate the vehicle, with the Conditions for Setting this DTC, until the scan tool indicates the diagnostic Ran.

Does the scan tool indicate the diagnostic Passed?

--

Go to Step 21

Go to Step 2

21

Does the scan tool display any additional undiagnosed DTCs?

--

Go to the applicable DTC table

System OK

DTC P0380 Glow Plug Feedback Circuit California

Refer to

Cell 22: Underhood Bussed Electrical Center, G104, Instrument Cluster


Object Number: 366686  Size: FS

Circuit Description

The glow plug system is used to assist in providing the heat required to begin combustion during cold engine temperatures. The glow plugs are heated before and during cranking, as well as initial engine operation. The PCM controls the glow plug ON times by monitoring coolant temperatures and glow plug voltage. The PCM performs this diagnostic continuously.

The California type glow plug system has the ability to detect if one or more glow plugs have failed or a glow plug relay failure. The California type glow plug system detects a failure by sending a signature voltage to the PCM. This signal is not based on system voltage.

Conditions for Running the DTC

The ignition switch is in the ON position.

Conditions for Setting the DTC

    • The PCM has commanded glow plugs ON and the glow plug signal voltage is less than 5.0 volts.
        or
    • The PCM has commanded glow plugs ON and the glow plug signal voltage is greater than 6.2 volts.
        or
    • The PCM has commanded glow plugs OFF and the glow plug signal voltage is greater than 2.0 volts.

Action Taken When the DTC Sets

    • The PCM illuminates the malfunction indicator lamp (MIL) on the second consecutive drive trip that the diagnostic runs and fails.
    • The PCM records the operating conditions at the time the diagnostic fails. The first time the diagnostic fails, the Failure Records will store this information. If the diagnostic reports a failure on the second consecutive drive trip, the Freeze Frame records the operating conditions at the time of failure and updates the Failure Records.

Conditions for Clearing the MIL/DTC

    • The PCM will turn the MIL off after three consecutive trips without a fault condition.
    • A History DTC clears after forty consecutive warm-up cycles, if this or any other emission related diagnostic does not report any failures.
    • The use of a Scan Tool

Diagnostic Aids

Important: Remove any debris from the PCM module connector surfaces before servicing the PCM module. Inspect the PCM module connector gaskets when diagnosing/replacing the module. Ensure that the gaskets are installed correctly. The gaskets prevent contaminate intrusion into the PCM module.

If a P0380 DTC sets after the PCM has been flashed, the glow plug system must be relearned. Refer to Glow Plug System Type Relearn .If glow plug relay is stuck in the ON position, check for proper operation of glow plugs. When glow plugs are commanded ON by the Scan tool, an internal PCM timer protects the glow plugs from damage by cycling them ON for 3 seconds and the OFF for 12 seconds.

The glow plug relay battery feed wire nut at the relay should be checked for proper torque .

The California glow plug system will send the following voltages (signal) to the PCM.

Signal Voltage

Glow Plugs

5.62 - 6.02

None

2.82 - 3.09

1

1.88 - 2.07

2

1.42 - 1.56

3

Less than 1.25

4 or more

An intermittent may be caused by the following:

    • Poor connections (terminal tension).
    • Rubbed through wire insulation.
    • Broken wire inside the insulation.

Test Description

The number(s) below refer to the Step number(s) on the Diagnostic Table.

  1. This step will determine if P0380 is a hard failure.

  2. This step will determine if there is a short to voltage on the signal circuit.

  3. This step will determine if there is igniton voltage at the glow plug relay.

  4. This step will determine if the glow plug control circuit and PCM are working properly.

  5. This step will determine if there is a short to voltage on the relay control circuit.

  6. This step will determine if the glow plugs or the glow plug harness is causing the P0380.

Step

Action

Value(s)

Yes

No

1

Important: Before clearing any DTCs, use the scan tool Capture Info to save the Freeze Frame and Failure Records for reference. The control module's data is deleted once the Clear Info function is used.

Did you perform the Powertrain On-Board Diagnostic (OBD) System Check?

--

Go to Step 2

 

2

    Important: If this DTC set after a PCM reflash.

  1. Connect a scan tool.
  2. Turn the ignition ON leaving the engine OFF.
  3. Observe the Glow Plug System Type parameter on the scan tool.

Does the scan tool display the Glow Plug System Type as California?

--

Go to Step 3

 

3

  1. Connect a scan tool.
  2. Turn the ignition ON leaving the engine OFF.
  3. Use the scan tool in order to command the glow plugs ON.
  4. Observe the Glow Plugs parameter on the scan tool.

Does the scan tool display the Glow Plugs parameter equal to or between the specified value?

6.2 - 5.0 V

Go to Step 7

Go to Step 4

4

Does the scan tool display a glow plug voltage greater than the specified value?

6.2 V

Go to Step 21

Go to Step 5

5

Does the scan tool display glow plug voltage greater than the specified value?

2.0 V

Go to Step 13

Go to Step 6

6

  1. Turn the ignition ON with the engine OFF.
  2. Touch the battery feed stud on the glow plug relay with an unpowered test lamp connected to ground.

Is the test light ON?

--

Go to Step 8

Go to Step 25

7

The DTC is intermittent. If no additional DTCs are stored, refer to Diagnostic Aids If any additional DTCs were stored, refer to those table(s).

Were there any additional DTCs stored?

--

Go to the applicable DTC table

Go to Diagnostic Aids

8

  1. Disconnect the glow plug relay connector.
  2. Turn the ignition ON with the engine OFF.
  3. With an unpowered test lamp connected to ground, probe the glow plug relay harness ignition feed circuit.

Is the test light ON?

--

Go to Step 9

Go to Step 16

9

  1. Turn the ignition ON with the engine OFF.
  2. Connect an unpowered test lamp to B+, probe the glow plug relay harness ground circuit.

Is the test light ON?

--

Go to Step 10

Go to Step 17

10

  1. Turn the ignition ON with the engine OFF.
  2. Verify that the glow plug relay harness is still disconnected.
  3. With an unpowered test light connected to ground, probe the glow plug relay control circuit at the glow plug relay harness connector.
  4. Use a scan tool in order to command the glow plugs ON and OFF.
  5. Observe the unpowered test light while the glow plugs are commanded ON and OFF.

Does the test light follow the scan tool commands?

--

Go to Step 12

Go to Step 11

11

Is the test light on all the time?

--

Go to Step 23

Go to Step 18

12

  1. Turn the ignition ON with the engine OFF.
  2. Reconnect the glow plug relay harness.
  3. Disconnect the PCM connector containing the glow plug relay signal circuit.
  4. With a DMM connected to ground, probe the glow plug relay signal circuit at the PCM harness connector.
  5. Use a Scan Tool in order to command the glow plugs ON.
  6. Observe the DMM while the glow plugs are commanded ON.

Is the voltage at the specified value?

6.2 - 5.0 V

Go to Step 21

Go to Step 20

13

  1. Turn the ignition OFF.
  2. Disconnect the right and left bank glow plug output circuit connectors at the glow plug relay.
  3. With an unpowered test lamp connected to B+, probe each circuit.

Does each circuit turn ON the test light?

--

Go to Step 15

Go to Step 14

14

  1. Turn the ignition OFF.
  2. Disconnect each glow plug connector at the glow plug that did not illuminate the test light.
  3. With an unpowered test lamp connected to B+, probe the terminal on the glow plug.

Does each glow plug illuminate the test light?

--

Go to Step 26

Go to Step 25

15

  1. Turn the ignition OFF.
  2. Disconnect each glow plug connector at the glow plug.
  3. With an unpowered test lamp connected to B+, probe each circuit at the glow plug output circuit connector.

Is the test light OFF at each of the circuits?

--

Go to Step 28

Go to Step 27

16

Repair an open or a short to ground in glow plug relay ignition feed circuit.

Is the action complete?

--

Go to Step 30

--

17

Repair any open or poor connections in the glow plug relay gr

Is the action complete?

--

Go to Step 30

--

18

  1. Check the glow plug relay control circuit for an open or short to ground.
  2. If the glow plug relay control circuit is open or shorted to ground, repair as necessary.

Did you find a problem?

--

Go to Step 30

Go to Step 20

19

Check the glow plug relay control circuit for a proper connection at the PCM and replace the terminal if necessary.

Did you find a problem?

--

Go to Step 30

Go to Step 29

20

  1. Check the glow plug relay signal circuit for an open or short to ground.
  2. If the glow plug relay signal circuit is open or shorted to ground, repair as necessary.

Did you find a problem?

--

Go to Step 30

Go to Step 28

21

Check the glow plug relay signal circuit for a proper connection at the PCM and replace the terminal if necessary.

Did you find a problem?

--

Go to Step 30

Go to Step 29

22

Check for a short to voltage in the glow plug relay signal circuit.

Did you find a problem?

--

Go to Step 30

Go to Step 28

23

Check for a short to voltage in the glow plug control circuit.

Did you find a problem?

Go to Step 30

Go to Step 29

24

Repair the open or poor connection on the battery feed circuit.

Is action complete?

--

Go to Step 30

--

25

Replace any glow plug that did not illuminate the test light.

Is action complete?

--

Go to Step 30

--

26

Repair the open or poor connections in the glow plug harness.

Is the action complete?

--

Go to Step 30

--

27

Repair the short to ground in the glow plug harness.

Is the action complete?

--

Go to Step 30

--

28

Replace the glow plug relay.

Is the action complete?

--

Go to Step 30

--

29

Important: The new PCM must be programmed.

Replace the PCM.

Is the action complete?

--

Go to Step 30

--

30

  1. Using the scan tool, clear the DTCs.
  2. Start the engine.
  3. Allow the engine to idle until the engine reaches normal operating temperature.
  4. Select the DTC and the Specific DTC function.
  5. Enter the DTC number which was set.
  6. Operate the vehicle, with the Conditions for Setting this DTC, until the scan tool indicates the diagnostic Ran.

Does the scan tool indicate the diagnostic Passed?

--

Go to Step 31

Go to Step 2

31

Does the scan tool display any additional undiagnosed DTCs?

--

Go to the applicable DTC table

System OK