GM Service Manual Online
For 1990-2009 cars only

    Object Number: 187065  Size: SH
  1. Remove the fuel feed and return pipe retaining clip bolt.
  2. Remove the fuel feed and return pipe retaining clip.

  3. Object Number: 475272  Size: SH
  4. Remove the fuel injector rail bolts.
  5. Remove the fuel injector rail assembly.

  6. Object Number: 371640  Size: SH
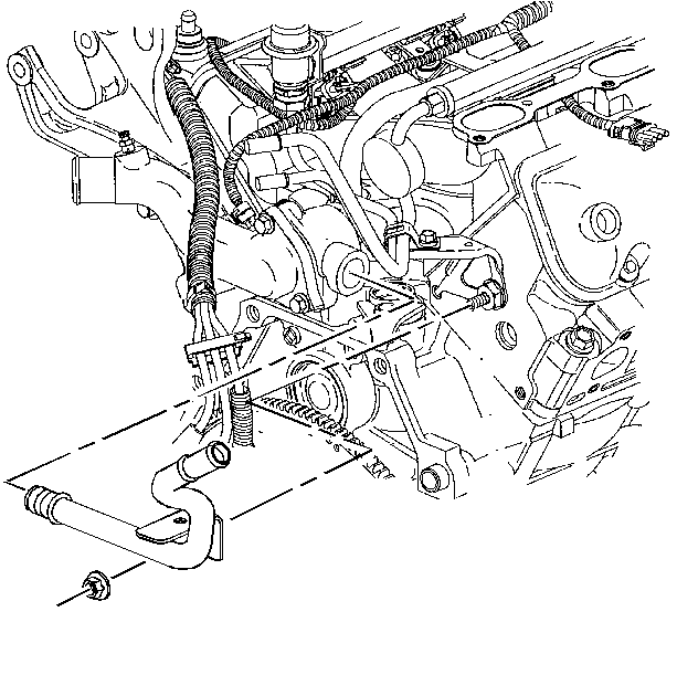
  7. Remove the heater inlet pipe nut.
  8. Remove the heater inlet pipe.

  9. Object Number: 54281  Size: SH
  10. Remove the lower intake manifold bolts.
  11. Remove the lower intake manifold.