GM Service Manual Online
For 1990-2009 cars only

Tools Required

    • J 7872 Magnetic Base Dial Indicator
    • J 36660-A Electronic Torque Angle Meter
    • J 43690 Rod Bearing Clearance Checking Tool

    Object Number: 334383  Size: SH

    Caution: Wear safety glasses in order to avoid eye damage.

    Important: Use care when handling the crankshaft. Avoid damage to the crankshaft bearing surfaces.

  1. Clean the crankshaft in cleaning solvent. Remove all sludge or restrictions from the oil passages.
  2. Dry the crankshaft with compressed air.

  3. Object Number: 334386  Size: SH
  4. Clean the crankshaft bearings in cleaning solvent. Wipe the crankshaft bearings clean with a soft cloth, do not scratch the crankshaft bearing surfaces.
  5. Dry the crankshaft bearings with compressed air.

  6. Object Number: 156170  Size: SH
  7. Inspect the crankshaft for the following:
  8. • Crankshaft journals (1) should be smooth with no evidence of scoring or damage.
    • Deep grooves (2)
    • Scratches or uneven wear (3)
    • Pitted surfaces (4)
    • Wear of damage to the thrust journal surfaces
    • Scoring or damage to the rear seal surface
    • Restrictions to the oil passages
    • Damage to the threaded bolt holes

    Object Number: 188090  Size: SH
  9. Inspect the crankshaft balancer key (1), the keyway (2), and the threaded hole (3) for damage.
  10. Repair or replace the crankshaft as necessary.


    Object Number: 188015  Size: SH
  11. Measure the crankpins for out-of-round and taper. Refer to Engine Mechanical Specifications .

  12. Object Number: 35210  Size: SH
  13. Use a suitable support to support the crankshaft on the front and rear journals.
  14. Use the J 7872 in order to measure the crankshaft journal runout.
  15. Refer to Engine Mechanical Specifications .


    Object Number: 188467  Size: SH
  16. Measure the crankshaft end play.
  17.         Important: In order to properly measure the crankshaft end play, the crankshaft, the crankshaft bearings, the crankshaft bearing caps, and the crankshaft bearing cap bolts must be installed into the engine block and the bolts tightened. Refer to Engine Mechanical Specifications .

    10.1. Firmly thrust the crankshaft first rearward, then forward. This will align the crankshaft rear bearings and the crankshaft thrust surfaces.
    10.2. With the crankshaft pushed forward, insert a feeler gauge between the crankshaft and the crankshaft bearing surface and then measure the clearance. Refer to Engine Mechanical Specifications .
    10.3. Turn the crankshaft to check for binding. If the crankshaft does not turn freely, then loosen the crankshaft bearing cap bolts, one crankshaft bearing cap at a time, until the tight crankshaft bearing is located.

    Burrs on the crankshaft bearing cap or engine block, foreign matter between the crankshaft bearing and the crankshaft bearing cap or the engine block, or a faulty crankshaft bearing could cause a lack of clearance between the crankshaft and crankshaft bearing.


    Object Number: 52051  Size: SH
  18. Inspect the crankshaft bearings for craters or pockets. Flattened sections on the crankshaft bearing halves also indicate fatigue.

  19. Object Number: 52053  Size: SH
  20. Inspect the crankshaft bearings for excessive scoring or discoloration.
  21. Inspect the crankshaft bearings for dirt or debris imbedded into the crankshaft bearing material.

  22. Object Number: 52056  Size: SH
  23. Inspect the crankshaft bearings for improper seating indicated by bright, polished sections of the crankshaft bearings.
  24. • If the lower half of the crankshaft bearing is worn or damaged, both the upper and lower halves of the crankshaft bearing should be replaced.
    • Generally, if the lower half of the crankshaft bearing is suitable for use, the upper half of the crankshaft bearing should also be suitable for use.

Measuring Crankshaft Bearing Clearances

    • The crankshaft bearings are of the precision insert type and do not use shims for adjustment. If the clearances are excessive, then new upper and lower crankshaft bearings will be required. The service crankshaft bearings are available in the standard size and an undersize.
    • The selective fitting of the crankshaft bearings are necessary in production in order to obtain close tolerances. For this reason, in one journal bore you may use one-half of a standard crankshaft bearing with one-half of an undersize crankshaft bearing.
    • In order to determine the correct replacement bearing size, the bearing clearance must be measured accurately. When checking main bearing clearances, either the micrometer or plastic gauge method may be used; however, the micrometer method gives more reliable results and is preferred. When checking connecting rod bearing clearances, the plastic gauge method will result in unreliable measurements. The use of J 43690 is preferred.
    • Normally the crankshaft bearing journals wear evenly and are not out-of-round. However, if a crankshaft bearing is being fitted to an out-of-round crankshaft bearing journal, be sure to fit to the maximum diameter of the crankshaft bearing journal. If the crankshaft bearing is fitted to the minimum diameter and the crankshaft bearing journal is excessively out-of-round, the interference between the crankshaft bearing and the crankshaft bearing journal will result in rapid crankshaft bearing failure.
    • If the crankshaft bearing clearance is within specifications, the crankshaft bearing is satisfactory. If the clearance is not within specifications, replace the crankshaft bearing. Always replace both the upper and lower crankshaft bearings as a set.
    • A standard or undersize crankshaft bearing combination may result in the proper clearance. If the proper crankshaft bearing clearance cannot be achieved using the standard or the undersize crankshaft bearings, it may be necessary to repair or replace the crankshaft.

Measuring Crankshaft Bearing Clearances (Micrometer Method)


    Object Number: 188015  Size: SH
  1. Measure the crankshaft journal diameter with a micrometer in several places, approximately 90 degrees apart. Average the measurements.
  2. Determine the taper and out-of-round of the journal. Refer to Engine Mechanical Specifications .

  3. Object Number: 334338  Size: SH
  4. Install the bearings into the engine block or connecting rod assembly.

  5. Object Number: 353070  Size: SH
  6. Install the bearing cap bolts and tighten to specifications. Refer to Fastener Tightening Specifications .
  7. Measure the bearing inside diameter (ID) at two points 90 degrees apart. Average the measurements.
  8. In order to determine the bearing clearance, subtract the average journal diameter from the average bearing inside diameter.
  9. Compare the readings to specifications. Refer to Engine Mechanical Specifications .
  10. Replace bearing halves as required to obtain the proper bearing clearances.

Measuring Connecting Rod Bearing Clearances (J 43690 Method)

  1. Remove the oil pan and other necessary components to gain access to the connecting rods. Remove the oil pump, screen, and deflector (when applicable).
  2. Rotate the crankshaft until the crankshaft journal/connecting rod to be measured is in the 10 o'clock position.

  3. Object Number: 317268  Size: SH

    Important: The crankshaft must be secure with no movement or rotation in order to obtain an accurate reading. Remove an intermediate bearing cap (as required) in order to secure the crankshaft and allow measurement of connecting rod bearing clearances.

  4. Remove the bearing cap bolts (1), cap (2) and bearing half.
  5. Notice: Use the correct fastener in the correct location. Replacement fasteners must be the correct part number for that application. Fasteners requiring replacement or fasteners requiring the use of thread locking compound or sealant are identified in the service procedure. Do not use paints, lubricants, or corrosion inhibitors on fasteners or fastener joint surfaces unless specified. These coatings affect fastener torque and joint clamping force and may damage the fastener. Use the correct tightening sequence and specifications when installing fasteners in order to avoid damage to parts and systems.

  6. Insert a piece of paper card stock onto the crankshaft journal. Install the bearing half, bearing cap, and bolts. Refer to Fastener Tightening Specifications .

  7. Object Number: 627102  Size: SH
  8. Install the foot (1) and bolt (2) to the pivot arm assembly (3). Tighten the bolt until snug.

  9. Object Number: 627106  Size: SH
  10. Install the screw (1 or 3) to the pivot arm assembly (2).

  11. Object Number: 627108  Size: SH
  12. Install the pivot arm assembly (1) onto the connecting rod.

  13. Object Number: 627107  Size: SH
  14. Position the foot of the pivot arm assembly over the large end of the connecting rod bolt.
  15. Position the screw (1) onto the small end of the connecting rod bolt and tighten securely.

  16. Object Number: 627109  Size: SH
  17. Install the base (1) and bolt (2) to the oil pan rail.

  18. Object Number: 627115  Size: SH
  19. Align the center of the base (1) with the screw (3) of the pivot arm assembly. Tighten the bolt (2) until snug.

  20. Object Number: 627113  Size: SH
  21. Align the link (1) of the pivot arm assembly on a plane (3) equal to that of the connecting rod beam (2).

  22. Object Number: 627111  Size: SH
  23. With the link of the pivot arm assembly aligned to the beam of the connecting rod, position the pivot arm to the base and insert the pin (1).

  24. Object Number: 627116  Size: SH
  25. Insert the handle (1) to the pivot arm assembly.

  26. Object Number: 627118  Size: SH
  27. Select the adapter (2) (as required) and install to the swivel base (1). Tighten until snug.

  28. Object Number: 627122  Size: SH

    Important: The clamp of the swivel base and the shaft of the indicator should be free of oil or other debris. A loose or improperly clamped indicator may indicate incorrect readings.

  29. Install the indicator (2) to the swivel base (1). Tighten the clamp of the base until snug.

  30. Object Number: 627124  Size: SH
  31. Install the swivel base (1) to the oil pan rail of the engine block. Tighten until snug.

  32. Object Number: 627126  Size: SH
  33. Adjust the swivel base as required and position the indicator tip slightly above the connecting rod cap. Lock the swivel base in position by rotating the locking lever (1). Do not allow the tip of the indicator to contact the connecting rod at this time.

  34. Object Number: 627129  Size: SH
  35. The tip of the indicator should be positioned above and NOT in contact with the cap end of the connecting rod.

  36. Object Number: 627132  Size: SH
  37. Rotate the fine adjustment knobs on the dial indicator end of the swivel base to position the tip of the indicator in contact with the connecting rod.

  38. Object Number: 627141  Size: SH
  39. Lightly actuate the handle of the pivot arm assembly (multiple times in both directions) to ensure the oil film is removed from the journal.

  40. Object Number: 627135  Size: SH
  41. Load the handle in the forward position and zero the dial indicator. Load the handle multiple times in both directions and record the reading.
  42. Important: During this procedure, card stock may enter the crankshaft journal oil galleries. Be sure to remove all card stock from the bearing journal and oil galleries prior to reassembly.

  43. Remove the bearing cap bolts, cap, and paper stock.
  44. Replace bearing halves as required to obtain the proper bearing clearances.
  45. Install the bearings, cap, and bolts. Refer to Fastener Tightening Specifications .

Measuring Crankshaft Bearing Clearances (Plastic Gauge Method)


    Object Number: 334338  Size: SH
  1. Install the crankshaft bearings into the engine block.

  2. Object Number: 334336  Size: SH
  3. Install the crankshaft.

  4. Object Number: 500655  Size: SH
  5. Install the gauging plastic the full width of the journal.

  6. Object Number: 334342  Size: SH
  7. Install the crankshaft bearings into the crankshaft bearing caps.

  8. Object Number: 334329  Size: SH
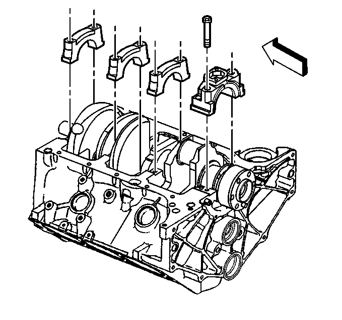
  9. Install the crankshaft bearing caps in the original positions and with the arrow on the crankshaft bearing caps in the direction of the front of the engine block.
  10. Notice: Use the correct fastener in the correct location. Replacement fasteners must be the correct part number for that application. Fasteners requiring replacement or fasteners requiring the use of thread locking compound or sealant are identified in the service procedure. Do not use paints, lubricants, or corrosion inhibitors on fasteners or fastener joint surfaces unless specified. These coatings affect fastener torque and joint clamping force and may damage the fastener. Use the correct tightening sequence and specifications when installing fasteners in order to avoid damage to parts and systems.

  11. Install the crankshaft bearing cap bolts. Refer to Engine Mechanical Specifications .
  12. Remove the crankshaft bearing cap bolts.
  13. Remove the crankshaft bearing caps. The gauging plastic may adhere to either the crankshaft bearing journal or the crankshaft bearing surface.

  14. Object Number: 500656  Size: SH
  15. Without removing the gauging plastic, measure the compressed width at the widest point using the graduated scale on the edge of the gauging plastic envelope.
  16. If the flattened gauging plastic tapers toward the middle or the ends, there may be a difference in clearance indicating taper, low spot or other irregularity of the crankshaft bearing or the crankshaft bearing journal.

  17. Remove the flattened gauging plastic.
  18. Measure the remaining crankshaft bearing journals.

Measuring Connecting Rod Bearing Side Clearance


    Object Number: 5163  Size: SH
  1. Insert a feeler gauge between the connecting rod caps and measure the connecting rod side clearance. Refer to Engine Mechanical Specifications .
  2. Connecting rod side clearances may also be measured with a dial indicator set.