GM Service Manual Online
For 1990-2009 cars only

Tools Required

J 36660-A Electronic Torque Angle Meter


    Object Number: 334303  Size: SH
  1. Clean the cylinder head gasket surfaces on the engine block.
  2. Inspect the dowel pins (cylinder head locator) for proper installation.
  3. Clean the cylinder head gasket surfaces on the cylinder head.

  4. Object Number: 334299  Size: SH

    Important: Do not use any type sealer on the cylinder head gasket (unless specified).

  5. Install the NEW cylinder head gasket in position over the dowel pins (cylinder head locator).

  6. Object Number: 480536  Size: SH
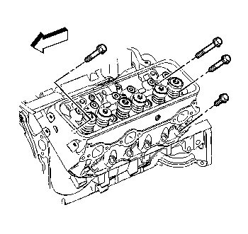
  7. Install the cylinder head onto the engine block.
  8. Guide the cylinder head carefully into place over the dowel pins and the cylinder head gasket.


    Object Number: 480533  Size: SH
  9. Apply sealant GM P/N 12346004 or equivalent to the threads of the cylinder head bolts.
  10. Notice: Use the correct fastener in the correct location. Replacement fasteners must be the correct part number for that application. Fasteners requiring replacement or fasteners requiring the use of thread locking compound or sealant are identified in the service procedure. Do not use paints, lubricants, or corrosion inhibitors on fasteners or fastener joint surfaces unless specified. These coatings affect fastener torque and joint clamping force and may damage the fastener. Use the correct tightening sequence and specifications when installing fasteners in order to avoid damage to parts and systems.

  11. Install the cylinder head bolts finger tight.

  12. Object Number: 5132  Size: SH
  13. Tighten the cylinder head bolts in sequence on the first pass.
  14. Tighten
    Tighten the bolts in sequence on the first pass to 30 N·m (22 lb ft).

  15. Use the J 36660-A in order to tighten the cylinder head bolts in sequence on the final pass.
  16. Tighten

        • Tighten the long bolts (1, 4, 5, 8, and 9) on the final pass in sequence to 75 degrees.
        • Tighten the medium bolts (12 and 13) on the final pass in sequence to 65 degrees.
        • Tighten the short bolts (2, 3, 6, 7, 10, and 11) on the final pass in sequence to 55 degrees.

    Object Number: 328588  Size: SH
  17. Install the spark plug wire support and bolts.
  18. Tighten
    Tighten the spark plug wire support bolts to 12 N·m (106 lb in).


    Object Number: 328582  Size: SH
  19. Measure the NEW spark plugs for the proper gap.
  20. Adjust the spark plug gap if necessary.

    Specification
    Spark plug gap to 1.52 mm (0.060 in).

  21. Install the spark plugs.
  22. Tighten

        • Tighten the spark plugs for a USED cylinder head to 15 N·m (11 lb ft).
        • Tighten the spark plugs for the initial installation of a NEW cylinder head to 30 N·m (22 lb ft).

    Object Number: 387767  Size: SH
  23. If reusing the engine coolant temperature gauge sensor (if applicable), apply sealant GM P/N 12346004 or equivalent to the threads of the engine coolant temperature gauge sensor.
  24. Install the engine coolant temperature gauge sensor (if applicable).
  25. Tighten
    Tighten the engine coolant temperature gauge sensor to 20 N·m (15 lb ft).


    Object Number: 387769  Size: SH
  26. If reusing the engine coolant temperature sensor (if applicable), apply sealant GM P/N 12346004 or equivalent to the threads of the engine coolant temperature gauge sensor.
  27. Install the engine coolant temperature sensor (if applicable).
  28. Tighten
    Tighten the engine coolant temperature sensor to 20 N·m (15 lb ft).