GM Service Manual Online
For 1990-2009 cars only

Turbocharger Removal C3500HD


    Object Number: 25616  Size: SH
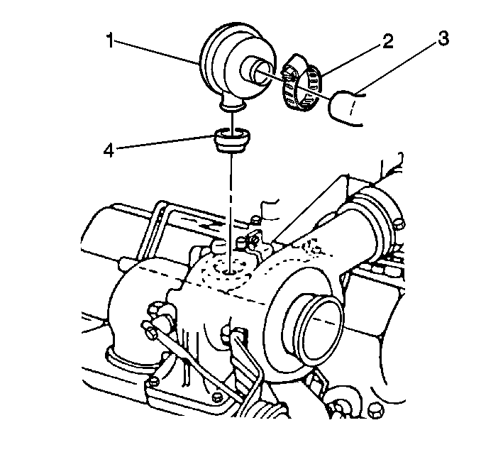
  1. Loosen the Crankcase Depression Regulator (CDR) valve vent hose clamp (2) at the CDR valve (1).
  2. Remove the CDR valve vent hose (3) from the CDR valve (1).
  3. Remove the CDR valve vent hose clamp (2) from the CDR valve vent hose (3).
  4. Remove the CDR valve from the valve rocker arm cover (4).
  5. Pull upwards while twisting/rocking CDR valve.


    Object Number: 598544  Size: SH
  6. Remove the turbocharger oil feed hose.

  7. Object Number: 177097  Size: SH
  8. Remove the turbocharger upper oil return pipe retaining bolts.

  9. Object Number: 59756  Size: SH
  10. Remove the turbocharger assembly retaining nuts.
  11. Remove the turbocharger assembly from the exhaust manifold.