GM Service Manual Online
For 1990-2009 cars only

    Object Number: 470770  Size: SH
  1. Remove the fuel pressure regulator vacuum hose.

  2. Object Number: 470774  Size: SH
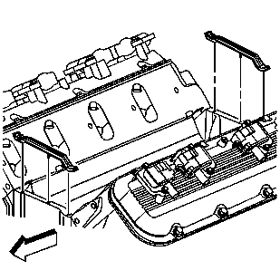
  3. Remove the fuel injection fuel rail bolts and/or studs.
  4. Remove the fuel injection fuel rail.

  5. Object Number: 470775  Size: SH
  6. Remove the intake manifold bolts.
  7. Important: Do not attempt to loosen the manifold by prying under the gasket surface with any tool.

  8. Remove the intake manifold.

  9. Object Number: 470779  Size: SH

    Important: The intake manifold gaskets are not reusable.

  10. Remove and discard the intake manifold side gaskets.

  11. Object Number: 470783  Size: SH
  12. Remove and discard the lower intake manifold end seals.

  13. Object Number: 470786  Size: SH

    Important: The splash shield is secured using a snap-in fit. Do not distort the splash shield. The splash shield is reusable.

  14. Remove the splash shield.