GM Service Manual Online
For 1990-2009 cars only

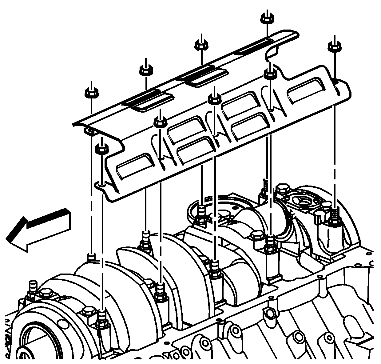
    Object Number: 635703  Size: SH
  1. Install the crankshaft oil deflector.
  2. Notice: Use the correct fastener in the correct location. Replacement fasteners must be the correct part number for that application. Fasteners requiring replacement or fasteners requiring the use of thread locking compound or sealant are identified in the service procedure. Do not use paints, lubricants, or corrosion inhibitors on fasteners or fastener joint surfaces unless specified. These coatings affect fastener torque and joint clamping force and may damage the fastener. Use the correct tightening sequence and specifications when installing fasteners in order to avoid damage to parts and systems.

  3. Install the crankshaft oil deflector nuts.
  4. Tighten
    Tighten the crankshaft oil deflector nuts to 50 N·m (37 lb ft).


    Object Number: 471060  Size: SH

    Important: During assembly, install a NEW oil pump driveshaft retainer. Slightly heat retainer above room temperature for ease of installation onto the oil pump driveshaft.

  5. Install clean engine oil into the oil pump through the outlet oil hole. Rotate the pump in both directions to prime and lubricate.
  6. Assemble the oil pump, driveshaft, and a NEW retainer.
  7. Install the oil pump assembly.
  8. Position the oil pump onto the locating pins.

  9. Install the bolt attaching the oil pump to the rear crankshaft bearing cap.
  10. Tighten
    Tighten the oil pump bolt to 75 N·m (56 lb ft).

  11. Pour clean engine oil into the oil pump pickup screen.