GM Service Manual Online
For 1990-2009 cars only

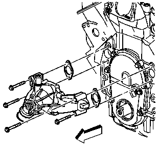
Water Pump Installation G/C3500HD/Medium Duty


    Object Number: 470792  Size: SH
  1. Place the water pump gaskets and the water pump into position.
  2. Notice: Use the correct fastener in the correct location. Replacement fasteners must be the correct part number for that application. Fasteners requiring replacement or fasteners requiring the use of thread locking compound or sealant are identified in the service procedure. Do not use paints, lubricants, or corrosion inhibitors on fasteners or fastener joint surfaces unless specified. These coatings affect fastener torque and joint clamping force and may damage the fastener. Use the correct tightening sequence and specifications when installing fasteners in order to avoid damage to parts and systems.

  3. Install the water pump bolts.
  4. Tighten

        • Tighten the water pump bolts to 25 N·m (18 lb ft) for the first pass.
        • Tighten the water pump bolts to 50 N·m (37 lb ft) for the final pass.