Important: Use care when handling the crankshaft. Avoid damage to the bearing surfaces or the lobes of the crankshaft position reluctor ring. Damage to the teeth of the crankshaft position reluctor ring may affect on-board diagnostics (OBD) II system performance.
Caution: Wear safety glasses in order to avoid eye damage.
| • | J 7872 Magnetic Base Dial Indicator Set |
| • | J 36660-A Torque Angle Meter |
Important:
• The reluctor ring teeth should not have imperfections on the rising or falling edges. • Imperfections of the reluctor ring teeth may affect OBD II system performance.
Journals should be smooth with no signs of scoring, wear, or damage.
A crankshaft with a thrust wall width in excess of 26.2 mm (1.0315 in) must be replaced.
Use wooden V blocks or a fixture to support the crankshaft on the front and rear journals.
If the reluctor ring has runout in excess of 0.7 mm (0.028 in), replace the crankshaft.
Important: A loose or damaged crankshaft oil gallery plug must be replaced.
If the lower half of the bearing is worn or damaged, both upper and lower halves should be replaced.
Generally, if the lower half is suitable for use, the upper half should also be suitable for use.
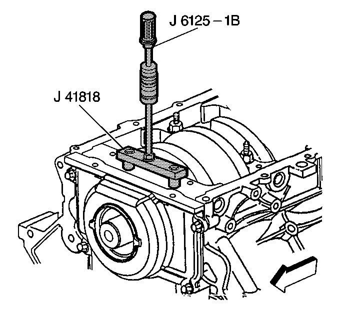
| • | J 6125-1B Slide Hammer |
| • | J 36660-A Torque Angle Meter |
| • | J 41818 Crankshaft Bearing Cap Remover |
Important:
• The crankshaft main bearings are a precision insert type. Main bearing caps are machined with the engine block for proper clearance and cannot be shimmed or filed for bearing fit. If the clearances are found to be excessive, new
bearings and/or engine block and cap repair or replacement may be required. • Do not rotate the crankshaft while gaging plastic is between the crankshaft journal and the bearing surface. • The crankshaft bearing clearances are critical. Excessive bearing clearance may affect crankshaft position sensor signals and may affect on-board diagnostics (OBD) II system operation. • Remove the bearing cap side bolts prior to cap removal.
Notice: Use the correct fastener in the correct location. Replacement fasteners must be the correct part number for that application. Fasteners requiring replacement or fasteners requiring the use of thread locking compound or sealant are identified in the service procedure. Do not use paints, lubricants, or corrosion inhibitors on fasteners or fastener joint surfaces unless specified. These coatings affect fastener torque and joint clamping force and may damage the fastener. Use the correct tightening sequence and specifications when installing fasteners in order to avoid damage to parts and systems.
Tighten
Tighten the
J 41818
bolts to 11 N·m (100 lb in).
Tighten
Tighten the bolt on one side of the bearing cap and then tighten the bolt on the opposite side of the same bearing cap.
Important: Remove the bearing cap side bolts prior to cap removal.
| • | If the gaging plastic shows irregularity in the journal exceeding 0.025 mm (0.001 in), remove the crankshaft and measure the journal with a micrometer. |
| • | If the bearing clearance is greater than 0.065 mm (0.0025 in), select and install an undersized bearing set, and measure the clearance with gaging plastic. |
| • | If clearance cannot be brought to specifications, replace the crankshaft or grind the crankshaft for use with the next undersized bearing. |
| 12.1. | Thrust the crankshaft forward or rearward. |
| 12.2. | Insert a feeler gage between the center crankshaft bearing and the bearing surface of the crankshaft and measure the bearing clearance. |
The proper crankshaft end play clearance is 0.04-0.2 mm (0.0015-0.0078 in).
| 12.3. | If the bearing clearance is not within specifications: |
| • | Inspect the thrust surfaces for nicks, gouges or raised metal. Minor imperfections may be removed with a fine stone. |
| • | Replace the thrust bearings and measure the end play. |
| • | If the correct measurements cannot be obtained, repair the crankshaft thrust surfaces or replace the crankshaft. |
J 36660-A Torque Angle Meter
Important:
• Connecting rod bearings are a precision insert type. Connecting rods are of a powdered metal design and cannot be shimmed or filed for bearing fit. If clearances are found to be excessive, a new bearing and/or connecting rod are
required. • Do not rotate the crankshaft while gaging plastic is between the crankshaft journal and the bearing surface.
Notice: Use the correct fastener in the correct location. Replacement fasteners must be the correct part number for that application. Fasteners requiring replacement or fasteners requiring the use of thread locking compound or sealant are identified in the service procedure. Do not use paints, lubricants, or corrosion inhibitors on fasteners or fastener joint surfaces unless specified. These coatings affect fastener torque and joint clamping force and may damage the fastener. Use the correct tightening sequence and specifications when installing fasteners in order to avoid damage to parts and systems.
Tighten
The connecting rod bearing clearance should be 0.023-0.076 mm (0.0009-0.003 in).