GM Service Manual Online
For 1990-2009 cars only
Makes
🢒
Generic
🢒
2002
🢒
Unit Repair
🢒
Engine
🢒
Engine Mechanical - 5.7L (LS1 Export)
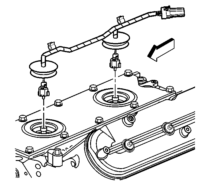
🢒 Engine Block Valley Cover Removal
Remove the knock sensor wire harness.
Remove the knock sensors.
Remove the valley cover bolts.
Remove the valley cover and gasket.
Discard the valley cover gasket.
Remove the knock sensor oil seals (1) from the cover (2).