GM Service Manual Online
For 1990-2009 cars only
Makes
🢒
Generic
🢒
2002
🢒
Unit Repair
🢒
Engine
🢒
Engine Mechanical - 5.0L and 5.7L
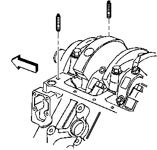
🢒 Oil Pan Removal
Remove the oil pan bolts and nuts.
Remove the oil pan reinforcements.
Remove the oil pan.
Remove and discard the oil pan gasket.
Remove the oil pan studs.