GM Service Manual Online
For 1990-2009 cars only

Removal Procedure

  1. Remove the exhaust pipe from the exhaust manifold. Refer to Catalytic Converter Replacement in Engine Exhaust.
  2. Remove the engine oil and the engine oil filter. Refer to Engine Oil and Oil Filter Replacement.
  3. Remove the oil level indicator and tube. Refer to Oil Level Indicator and Tube Replacement.
  4. Remove the oil filter adapter. Refer to Oil Filter Adapter Replacement.
  5. Remove the oil cooler pipes and the retainer from the side of the engine. Refer to Engine Oil Cooler Hose/Pipe Replacement in Engine Cooling.
  6. Remove the starter motor. Refer to Starter Motor Replacement in Engine Electrical.
  7. Remove the engine mount through bolts. Refer to Engine Mount Replacement - Left Side or Engine Mount Replacement - Right Side.
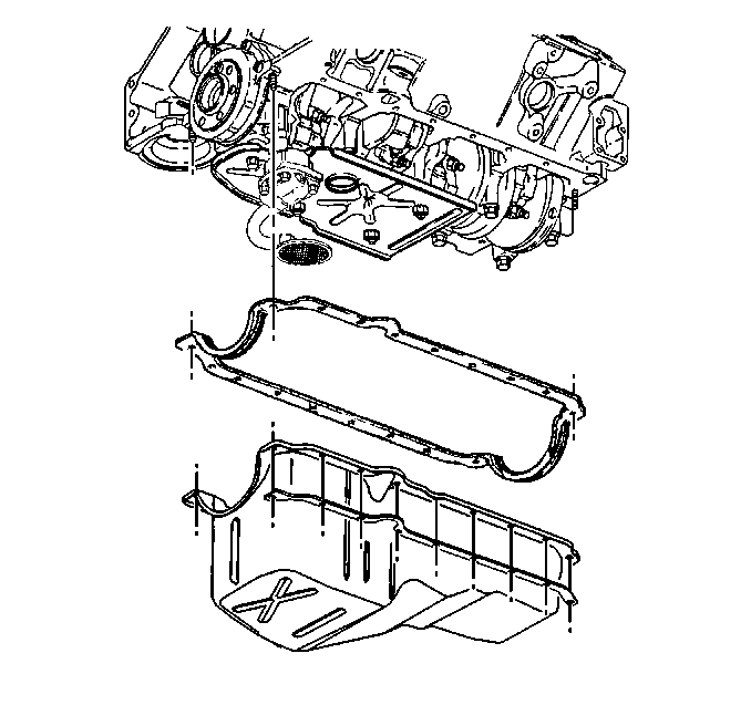
  8. Remove the oil pan nuts and bolts.
  9. Note the location of any studs to assist reassembly.

  10. Object Number: 176052  Size: SH
  11. Remove the engine oil pan and the oil pan gasket.
  12. Clean all sealing surfaces.

Installation Procedure


    Object Number: 176052  Size: SH
  1. Install the engine oil pan and a NEW oil pan gasket. Refer to Oil Pan Installation.
  2. Lower the engine onto the mounts.
  3. Install the engine mount through-bolts. Refer to Engine Mount Replacement - Left Side or Engine Mount Replacement - Right Side.
  4. Install the starter motor. Refer to Starter Motor Replacement in Engine Electrical.
  5. Install the oil filter adapter. Refer to Oil Filter Adapter Replacement.
  6. Install oil level indicator and tube. Refer to Oil Level Indicator and Tube Replacement.
  7. Install the engine oil filter and the engine oil. Refer to Engine Oil and Oil Filter Replacement.
  8. Lower the vehicle.
  9. Install the exhaust pipe to the exhaust manifold. Refer to Catalytic Converter Replacement in Engine Exhaust.