GM Service Manual Online
For 1990-2009 cars only

Piston Selection

Tools Required

    • J 8087 Cylinder Bore Gauge
    • J 5239 Connecting Rod Bolt Guide Set
    • J 8037 Ring Compressor
    • J 36660-A Electronic Torque Angle Meter

    Object Number: 4972  Size: SH

    Important: Measurements of all components should be taken with the components at normal room temperature.

    For proper piston fit, the engine block cylinder bores should not have excessive wear or taper.

    A used piston and pin set may be reinstalled if, after cleaning and inspection, the piston and pin set are within specifications.

  1. Use the J 8087 in order to measure the cylinder bore diameter. Measure at a point 64 mm (2.5 in) from the top of the cylinder bore.

  2. Object Number: 4974  Size: SH
  3. Measure the J 8087 with a micrometer and record the reading.

  4. Object Number: 188016  Size: SH
  5. With a micrometer or caliper at a right angle to the piston, measure the piston 11 mm (0.433 in) from the bottom of the skirt.
  6. Subtract the piston diameter measurement from the cylinder bore diameter measurement in order to determine piston-to-bore clearance.
  7. Specification
    Piston-to-bore clearance 0.018-0.068 mm (0.0007-0.0026 in).

  8. If the proper clearance cannot be obtained, then select another piston and measure the clearances.
  9. If the proper fit cannot be obtained, the cylinder bore may require honing or boring.

  10. When the piston-to-cylinder bore clearance is within specifications, permanently mark the top of the piston for installation into the proper cylinder.

Installation Procedure


    Object Number: 387765  Size: SH
  1. Apply clean engine oil to the following components:
  2. • The piston
    • The piston rings
    • The cylinder bore
    • The connecting rod bearing surfaces
  3. Install the J 5239 onto the connecting rod bolts.

  4. Object Number: 480573  Size: SH
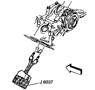
  5. Install the J 8037 onto the piston and compress the piston rings.

  6. Object Number: 492144  Size: SH

    Important: The mark on the top of the piston must face the front of the engine block.

    When assembled, the flanges on the connecting rod and connecting rod cap should point to the front of the engine block on the left bank and point to the rear of the engine block on the right bank.

  7. Install the piston and connecting rod assembly, and the J 8037 into the proper cylinder bore.

  8. Object Number: 5159  Size: SH
  9. Use the J 8037 and the J 5239 and lightly tap the top of the piston with a wooden hammer handle.
  10. 5.1. Hold the J 8037 firmly against the engine block until all of the piston rings have entered the cylinder bore.
    5.2. Use the J 5239 in order to guide the connecting rod onto the crankshaft journal.

    Object Number: 31373  Size: SH
  11. Remove the J 5239 from the connecting rod bolts.

  12. Object Number: 480549  Size: SH

    Notice: Use the correct fastener in the correct location. Replacement fasteners must be the correct part number for that application. Fasteners requiring replacement or fasteners requiring the use of thread locking compound or sealant are identified in the service procedure. Do not use paints, lubricants, or corrosion inhibitors on fasteners or fastener joint surfaces unless specified. These coatings affect fastener torque and joint clamping force and may damage the fastener. Use the correct tightening sequence and specifications when installing fasteners in order to avoid damage to parts and systems.

  13. Install the connecting rod cap and nuts.
  14. Tighten

    1. Tighten the nuts on the first pass evenly to 27 N·m (20 lb ft).
    2. Tighten the nuts on the final pass to 55 degrees using the J 36660-A .

    Object Number: 5163  Size: SH
  15. Once the piston and connecting rod assemblies have been installed, lightly tap each connecting rod assembly (parallel to the crankpin) in order to make sure that the connecting rods have the proper side clearance.
  16. Use a feeler gauge or a dial indicator to measure the side clearance between the connecting rod caps. The connecting rod side clearance measurement should be 0.15-0.68 mm (0.006-0.027 in).