GM Service Manual Online
For 1990-2009 cars only

Tools Required

J 8087 Cylinder Bore Gauge


    Object Number: 317297  Size: MH

    Caution: Wear safety glasses in order to avoid eye damage.

  1. Clean all the remaining sealing or gasket material from the sealing surfaces.
  2. Clean the engine block in cleaning solvent.
  3. Flush the engine block with clean water or steam.
  4. Clean the cylinder bores.
  5. Clean the oil galleries and the oil passages.
  6. Clean the scale and the deposits from the coolant passages.
  7. After cleaning the engine block, spray or wipe the cylinder bores and the machined surfaces with clean engine oil.
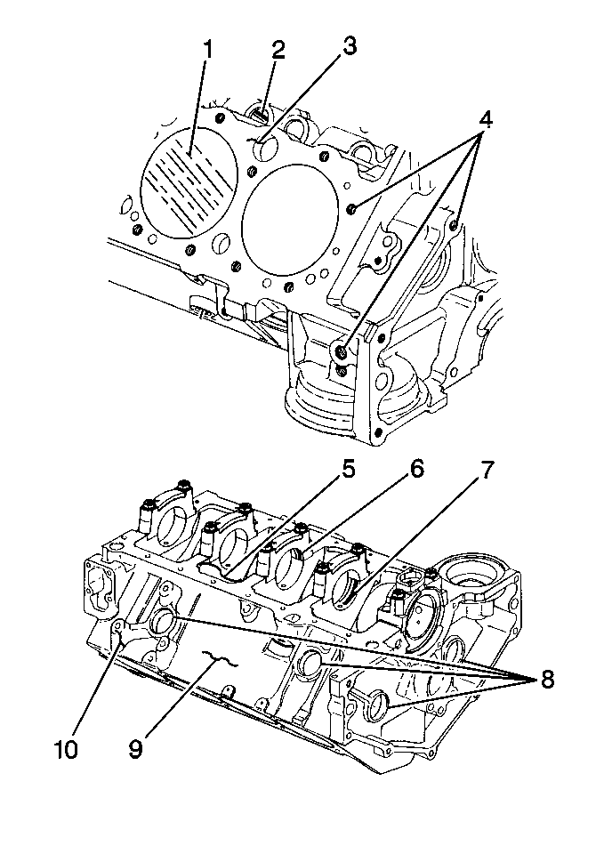
  8. Inspect the following areas:
  9. • Cylinder bores (1) for scratches or gouging
    • Valve lifter bores (2) for excessive scoring or wear
    • Coolant jackets (3) for cracks
    • Threaded holes (4) for damage
    • Crankshaft bearing webs (5) for cracks
    • Crankshaft bearing caps (6) and the crankshaft bearing bores (7) for damage
       - The crankshaft bearing bores should be round and uniform when measuring the inside diameter (ID).
       - The surface where the crankshaft bearings contact the crankshaft bearing bore should be smooth.
       - If a crankshaft bearing cap is damaged and requires replacement, replace the crankshaft bearing cap first. Then rebore the engine block crankshaft bearing bores and check for the proper alignment. Finally, check the crankshaft bearings for the proper clearances.
    • Expansion cup plug bores (8) for damage
    • Engine block (9) for cracks or damage
    • Engine mount bosses (10) for damage

    Object Number: 4972  Size: SH
  10. Measure the cylinder bores for taper and out-of-round.
  11. 9.1. Depress the plunger on the J 8087 7 mm (0.275 in) or until the J 8087 enters the cylinder bore.
    9.2. Center the J 8087 in the cylinder bore and turn the indicator dial to 0.
    9.3. Move the J 8087 up and down the cylinder bore to determine the taper. Refer to Engine Mechanical Specifications.
    9.4. Turn the J 8087 to different points around the cylinder bore to determine the out-of-round condition. Refer to Engine Mechanical Specifications.