GM Service Manual Online
For 1990-2009 cars only

    Object Number: 54360  Size: SH
  1. Remove the MAP sensor electrical connector.
  2. Remove the MAP sensor screws.
  3. Remove the MAP sensor.

  4. Object Number: 511767  Size: SH
  5. Remove the EGR valve pipe from the exhaust manifold.
  6. Remove the EGR valve bolts.
  7. Remove the EGR valve and gasket.
  8. Remove the EGR valve pipe and gasket.

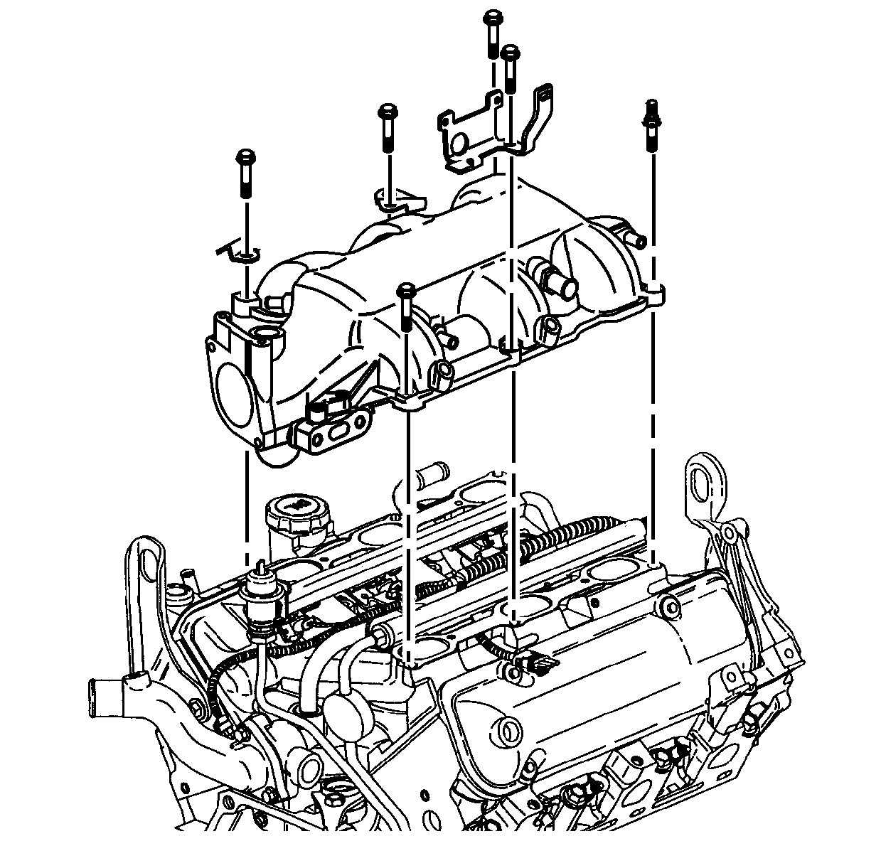
  9. Object Number: 511768  Size: SH
  10. Remove the upper intake manifold studs and bolts.
  11. Remove the upper intake manifold.
  12. Remove the upper intake manifold gaskets.