GM Service Manual Online
For 1990-2009 cars only

    Object Number: 523312  Size: SH
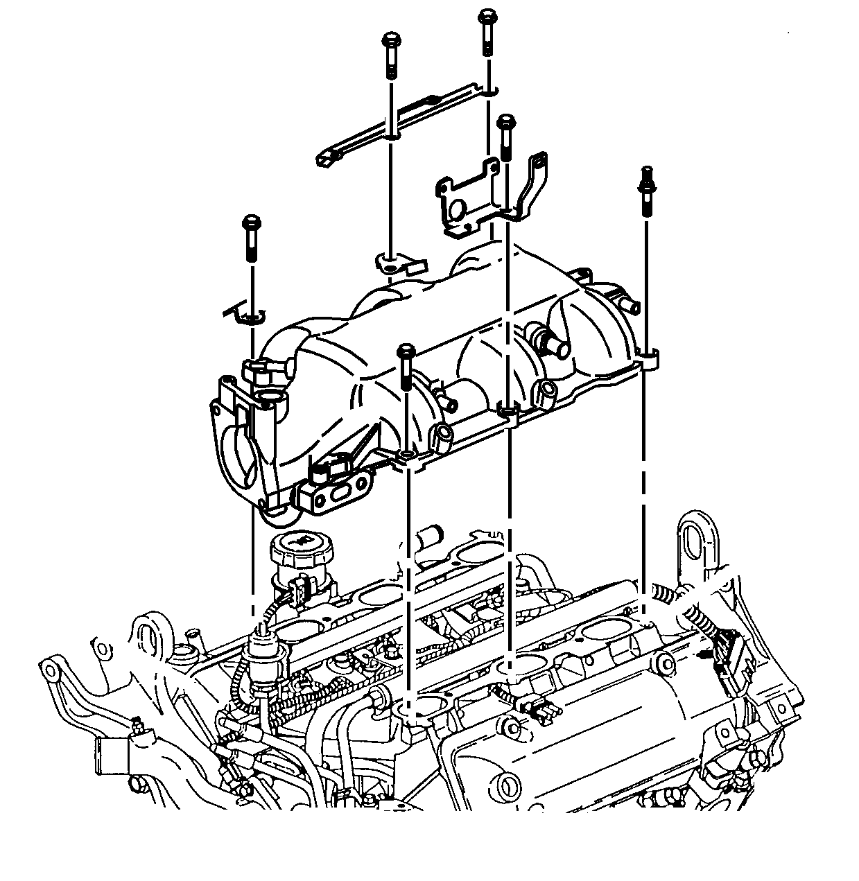
  1. Install the upper intake manifold gaskets.
  2. Apply threadlock GM P/N 12345382 or equivalent to the threads of the intake manifold bolts.
  3. Install the upper intake manifold.
  4. Notice: Use the correct fastener in the correct location. Replacement fasteners must be the correct part number for that application. Fasteners requiring replacement or fasteners requiring the use of thread locking compound or sealant are identified in the service procedure. Do not use paints, lubricants, or corrosion inhibitors on fasteners or fastener joint surfaces unless specified. These coatings affect fastener torque and joint clamping force and may damage the fastener. Use the correct tightening sequence and specifications when installing fasteners in order to avoid damage to parts and systems.

  5. Install the upper intake manifold bolts and studs.
  6. Tighten
    Tighten the upper intake manifold bolts and studs to 25 N·m (18 lb ft).


    Object Number: 511787  Size: SH
  7. Install the EGR valve pipe and gasket.
  8. Tighten
    Tighten the EGR valve pipe to 25 N·m (18 lb ft).

  9. Install the EGR valve and gasket.
  10. Install the EGR valve bolts.
  11. Tighten
    Tighten the EGR valve bolts to 30 N·m (22 lb ft).


    Object Number: 192649  Size: SH
  12. Install the MAP sensor.
  13. Install the MAP sensor bolts.
  14. Tighten
    Tighten the MAP sensor bolts to 5 N·m (44 lb in).

  15. Connect the MAP sensor electrical connector.