GM Service Manual Online
For 1990-2009 cars only
Figure 1:

Cylinder Head and Components (LS)


Object Number: 412087  Size: LF
(1)Engine Oil Fill Cap
(2)Ignition Module and Coil Housing Assembly Bolt
(3)Ignition Module and Coil Housing Assembly
(4)Camshaft Cover
(5)Camshaft Cover Gasket
(6)Camshaft Bearing Cap Bolt
(7)Camshaft Bearing Cap
(8)Fuel Rail Assembly Bolt
(9)Fuel Line Assembly
(10)Injector Wiring Harness
(11)Fuel Rail Assembly (with Fuel Injectors)
(12)Cylinder Head
(13)Front Engine Lift Bracket
(14)Engine Lift Bracket Bolt
(15)Cylinder Head Bolt
(16)Oil Flow Check Valve
(17)Exhaust Manifold Stud
(18)Exhaust Valve
(19)Intake Valve
(20)Camshaft Cover Grounding Strap Bolt
(21)Cylinder Head Oil Passage Plug
(22)Cylinder Head Oil Passage Plug
(23)Spark Plug
(24)Valve Stem Seal
(25)Valve Spring
(26)Valve Spring Retainer
(27)Valve Keys
(28)Hydraulic Lash Adjuster
(29)Roller Finger Follower
(30)Rear Engine Lift Bracket Bolt
(31)Rear Engine Lift Bracket
(32)EGR Port Cover Gasket
(33)EGR Port Cover
(34)EGR Port Cover Bolt
(35)Camshaft Bearing Cap
(36)Camshaft Bearing Cap Bolt
(37)Camshaft Bearing Cap
(38)Camshaft Bearing Cap Bolt
(39)Exhaust Camshaft
(40)Intake Camshaft
(41)Camshaft Cover Grounding Strap
(42)Camshaft Cover Grounding Strap Bolt
(43)Camshaft Cover Bolt
Figure 2:

Cylinder Head and Components (SUV, Z Car)


Object Number: 776242  Size: LF
(1)Engine Oil Fill Cap
(2)Ignition Module and Coil Housing Assembly Bolt
(3)Ignition Module and Coil Housing Assembly
(4)Camshaft Cover
(5)Camshaft Cover Gasket
(6)Camshaft Bearing Cap Bolt
(7)Camshaft Bearing Cap
(8)Fuel Rail Assembly Bolt
(9)Fuel Line Assembly
(10)Injector Wiring Harness
(11)Fuel Rail Assembly (with Fuel Injectors)
(12)Cylinder Head
(13)Front Engine Lift Bracket
(14)Engine Lift Bracket Bolt
(15)Cylinder Head Bolt
(16)Oil Flow Check Valve
(17)Exhaust Manifold Stud
(18)Exhaust Valve
(19)Intake Valve
(20)Camshaft Cover Grounding Strap Bolt
(21)Cylinder Head Oil Passage Plug
(22)Cylinder Head Oil Passage Plug
(23)Spark Plug
(24)Valve Stem Seal
(25)Valve Spring
(26)Valve Spring Retainer
(27)Valve Keys
(28)Hydraulic Lash Adjuster
(29)Roller Finger Follower
(30)Rear Engine Lift Bracket Bolt
(31)Rear Engine Lift Bracket
(32)EGR Port Cover Gasket
(33)EGR Port Cover
(34)EGR Port Cover Bolt
(35)Camshaft Bearing Cap
(36)Camshaft Bearing Cap Bolt
(37)Camshaft Bearing Cap
(38)Camshaft Bearing Cap Bolt
(39)Exhaust Camshaft
(40)Intake Camshaft
(41)Camshaft Cover Grounding Strap
(42)Camshaft Cover Grounding Strap Bolt
(43)Camshaft Cover Bolt
Figure 3:

Cylinder Head and Components (Opel J/T)


Object Number: 766786  Size: LF
(1)Engine Oil Fill Cap
(2)Ignition Module and Coil Housing Assembly Bolt
(3)Ignition Module and Coil Housing Assembly
(4)Camshaft Cover
(5)Camshaft Cover Gasket
(6)Camshaft Bearing Cap Bolt
(7)Camshaft Bearing Cap
(8)Fuel Rail Assembly Bolt
(9)Fuel Line Assembly
(10)Injector Wiring Harness
(11)Fuel Rail Assembly (with Fuel Injectors)
(12)Cylinder Head
(13)Front Engine Lift Bracket
(14)Engine Lift Bracket Bolt
(15)Cylinder Head Bolt
(16)Oil Flow Check Valve
(17)Exhaust Manifold Stud
(18)Exhaust Valve
(19)Intake Valve
(20)Camshaft Cover Grounding Strap Bolt
(21)Cylinder Head Oil Passage Plug
(22)Cylinder Head Oil Passage Plug
(23)Spark Plug
(24)Valve Stem Seal
(25)Valve Spring
(26)Valve Spring Retainer
(27)Valve Keys
(28)Hydraulic Lash Adjuster
(29)Roller Finger Follower
(30)Rear Engine Lift Bracket Bolt
(31)Rear Engine Lift Bracket
(32)EGR Valve Gasket
(33)EGR Valve
(34)EGR Valve Bolt
(35)Camshaft Bearing Cap
(36)Camshaft Bearing Cap Bolt
(37)Camshaft Bearing Cap
(38)Camshaft Bearing Cap Bolt
(39)Exhaust Camshaft
(40)Intake Camshaft
(41)Camshaft Cover Grounding Strap
(42)Camshaft Cover Grounding Strap Bolt
(43)Camshaft Cover Bolt
Figure 4:

Intake Manifold and Components (LS)


Object Number: 412099  Size: LF
(1)Fuel Pressure Regulator Vacuum Line
(2)Accelerator Control Cable Bracket
(3)Throttle Body Nut
(4)Throttle Body Nut
(5)Throttle Body Bolt
(6)Throttle Body
(7)Intake Manifold Bolt
(8)Throttle Body Seal
(9)Intake Manifold
(10)Intake Manifold Gasket
(11)Map Sensor
(12)Throttle Body Stud
Figure 5:

Intake Manifold and Components (SUV)


Object Number: 745716  Size: LF
(1)Intake Manifold Nut
(2)Intake Manifold Bolt
(3)Throttle Body Seal
(4)Electronic Throttle Body
(5)Throttle Body Bolt
(6)Throttle Body Nut
(7)Throttle Body Stud
(8)Map Sensor
(9)Intake Manifold Gasket
(10)Intake Manifold
Figure 6:

Exhaust Manifold and Components (LS)


Object Number: 675355  Size: LF
(1)Exhaust Manifold Heat Shield
(2)Air Pipe Nut
(3)Air Pipe
(4)Air Pipe Bolt
(5)Air Pipe Gasket
(6)Exhaust Manifold Heat Shield Stud
(7)Exhaust Manifold Gasket
(8)Exhaust Manifold
(9)Exhaust Flex Decoupler Stud
(10)Exhaust Manifold Nut
Figure 7:

Exhaust Manifold and Components (SUV, Z Car, Opel J/T)


Object Number: 745731  Size: LF
(1)Exhaust Manifold Heat Shield
(2)Exhaust Manifold Heat Shield Stud
(3)Exhaust Manifold Gasket
(4)Exhaust Manifold
(5)Exhaust Flex Decoupler Stud
(6)Exhaust Manifold Nut
Figure 8:

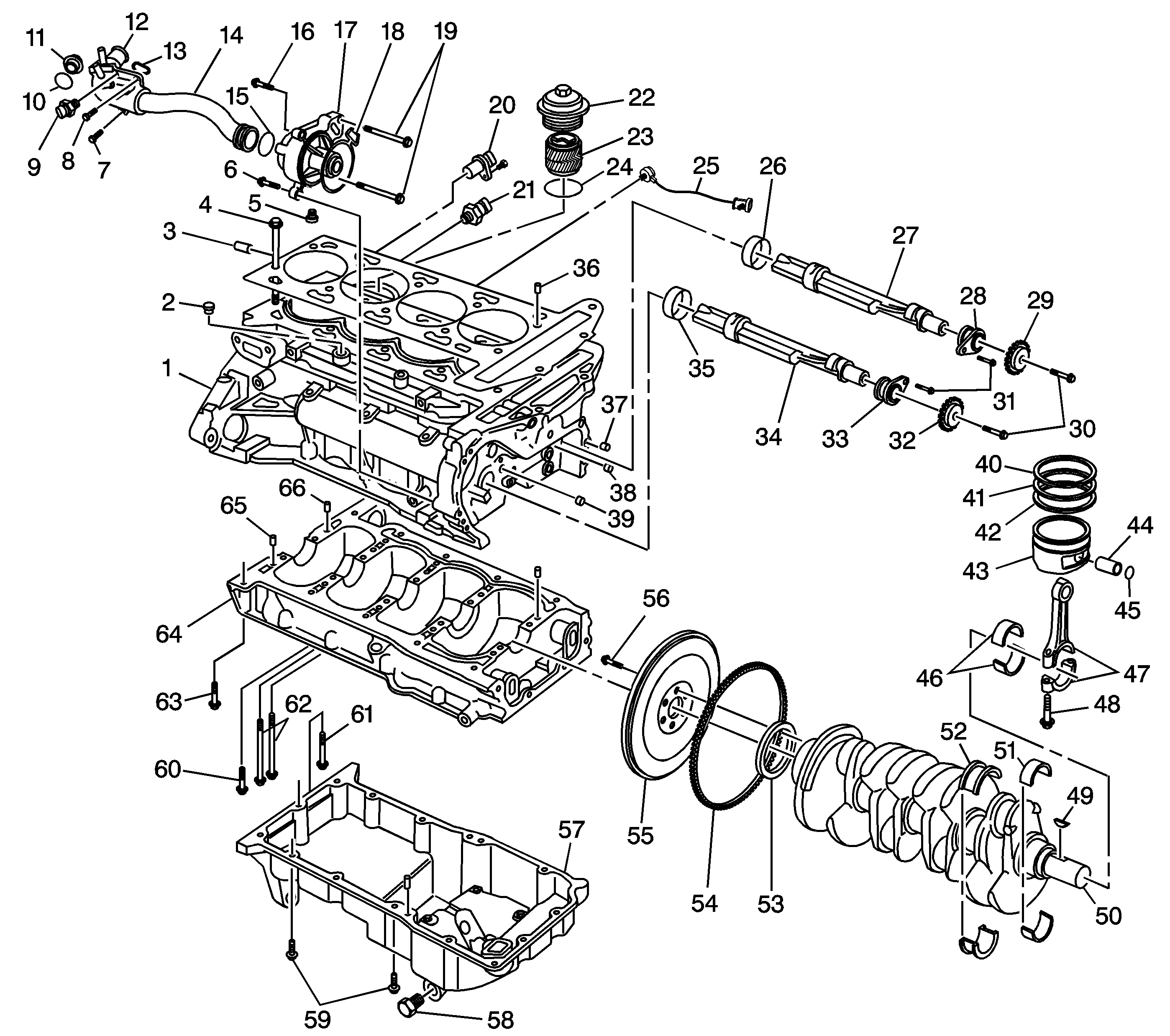
Engine Block and Components (LS, Opel J/T)


Object Number: 812159  Size: LF
(1)Engine Block
(2)Engine Oil Passage Plug
(3)Engine Block to Transmission Alignment Pin
(4)Cylinder Head to Engine Block Bolt
(5)Water Jacket Drain Plug
(6)Water Pump Bolt
(7)Thermostat Housing to Engine Block Bolt
(8)Thermostat Housing to Engine Block Bolt
(9)Coolant Temperature Sensor
(10)Thermostat Gasket
(11)Thermostat
(12)Thermostat Housing
(13)Thermostat Housing to Engine Block Seal
(14)Water Transfer Pipe
(15)Water Transfer Pipe to Water Pump Seal
(16)Water Pump Bolt
(17)Water Pump
(18)Water Pump to Engine Block Seal
(19)Water Pump Bolt
(20)Crankshaft Position Sensor
(21)Oil Pressure Switch
(22)Oil Filter Cap
(23)Oil Filter
(24)Oil Filter to Engine Block Seal
(25)Knock Sensor
(26)Intake Balance Shaft Rear Bearing
(27)Intake Balance Shaft
(28)Intake Balance Shaft Bearing Carrier
(29)Intake Balance Shaft Drive Sprocket
(30)Balance Shaft Drive Sprocket Bolts
(31)Balance Shaft Bearing Carrier Bolts
(32)Exhaust Balance Shaft Drive Sprocket
(33)Exhaust Balance Shaft Bearing Carrier
(34)Exhaust Balance Shaft
(35)Exhaust Balance Shaft Rear Bearing
(36)Cylinder Head Alignment Pin
(37)Engine Front Cover Alignment Pin
(38)Engine Oil Passage Plug
(39)Engine Oil Passage Plug
(40)Top Compression Piston Ring
(41)Second Compression Piston Ring
(42)Piston Oil Ring Assembly
(43)Piston
(44)Piston Pan
(45)Piston Pin Retainer
(46)Connecting Rod Bearing
(47)Connecting Rod
(48)Connecting Rod Cap Bolt
(49)Crankshaft Damper Alignment Key
(50)Crankshaft
(51)Crankshaft Bearing
(52)Crankshaft Thrust Bearing
(53)Crankshaft Rear Seal
(54)Starter Ring Gear
(55)Flywheel
(56)Flywheel to Crankshaft Bolt
(57)Engine Oil Pan
(58)Engine Oil Pan Drain Plug
(59)Engine Oil Pan Nuts
(60)Lower Crankcase to Engine Block Bolt
(61)Lower Crankcase to Engine Block Bolt
(62)Crankshaft Bearing Bolt
(63)Lower Crankcase to Engine Block Bolt
(64)Lower Crankcase
(65)Lower Crankcase Alignment Pin
(66)Lower Crankcase Alignment Pin
Figure 9:

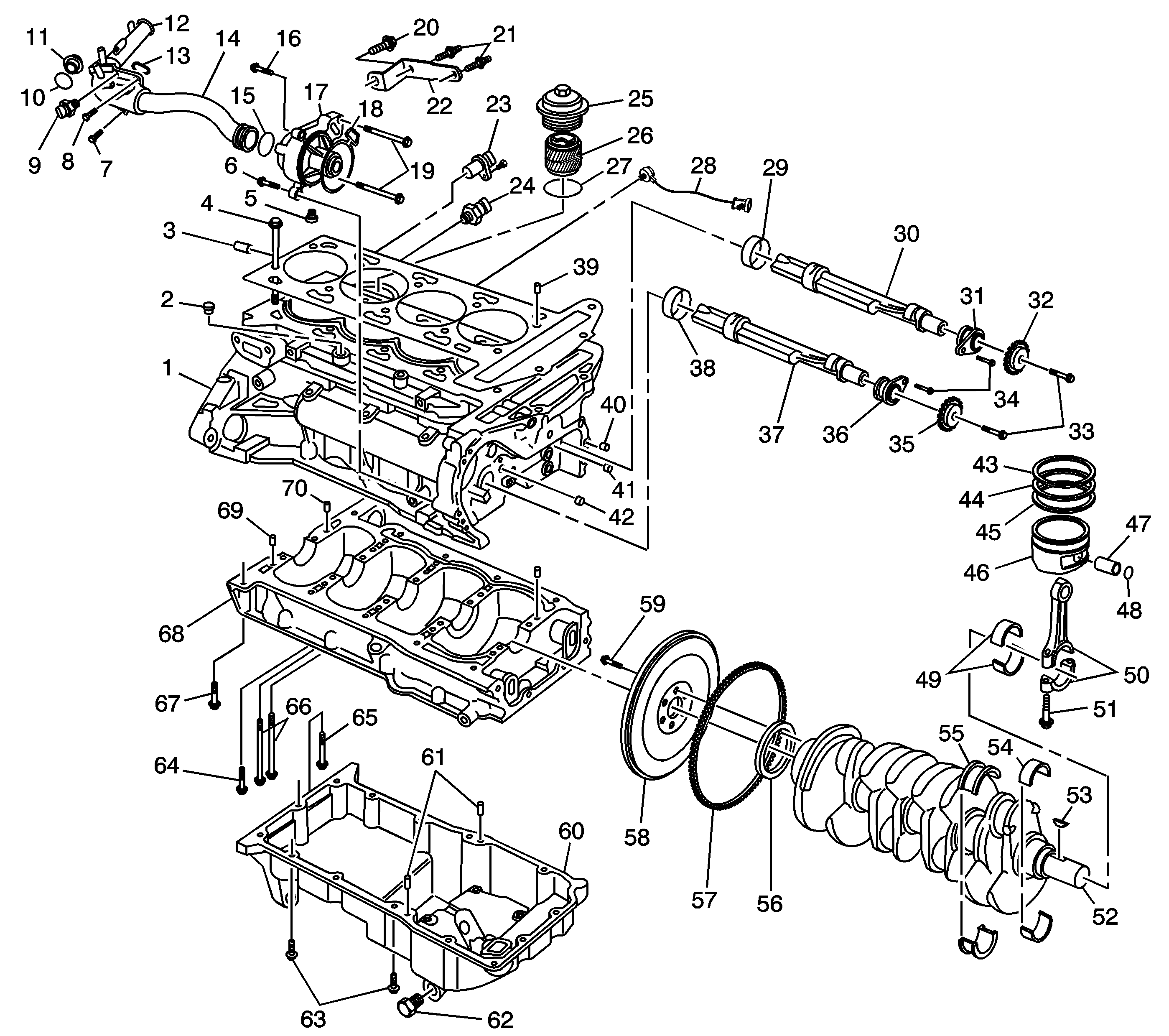
Engine Block and Components (SUV, Z Car)


Object Number: 747056  Size: LF
(1)Engine Block
(2)Engine Oil Passage Plug
(3)Engine Block to Transmission Alignment Pin
(4)Cylinder Head to Engine Block Bolt
(5)Water Jacket Drain Plug
(6)Water Pump Bolt
(7)Thermostat Housing to Engine Block Bolt
(8)Thermostat Housing to Engine Block Bolt
(9)Coolant Temperature Sensor
(10)Thermostat Gasket
(11)Thermostat
(12)Thermostat Housing
(13)Thermostat Housing to Engine Block Seal
(14)Water Transfer Pipe
(15)Water Transfer Pipe to Water Pump Seal
(16)Water Pump Bolt
(17)Water Pump
(18)Water Pump to Engine Block Seal
(19)Water Pump Bolt
(20)Water Pipe Support Bracket Bolt
(21)Water Pipe Support Bracket Bolt Stud
(22)Water Pipe Support Bracket
(23)Crankshaft Position Sensor
(24)Oil Pressure Switch
(25)Oil Filter Cap
(26)Oil Filter
(27)Oil Filter to Engine Block Seal
(28)Knock Sensor
(29)Intake Balance Shaft Rear Bearing
(30)Intake Balance Shaft
(31)Intake Balance Shaft Bearing Carrier
(32)Intake Balance Shaft Drive Sprocket
(33)Balance Shaft Drive Sprocket Bolts
(34)Balance Shaft Bearing Carrier Bolts
(35)Exhaust Balance Shaft Drive Sprocket
(36)Exhaust Balance Shaft Bearing Carrier
(37)Exhaust Balance Shaft
(38)Exhaust Balance Shaft Rear Bearing
(39)Cylinder Head Alignment Pin
(40)Engine Front Cover Alignment Pin
(41)Engine Oil Passage Plug
(42)Engine Oil Passage Plug
(43)Top Compression Piston Ring
(44)Second Compression Piston Ring
(45)Piston Oil Ring Assembly
(46)Piston
(47)Piston Pan
(48)Piston Pin Retainer
(49)Connecting Rod Bearing
(50)Connecting Rod
(51)Connecting Rod Cap Bolt
(52)Crankshaft
(53)Crankshaft Damper Alignment Key
(54)Crankshaft Bearing
(55)Crankshaft Thrust Bearing
(56)Crankshaft Rear Seal
(57)Starter Ring Gear
(58)Flywheel
(59)Flywheel to Crankshaft Bolt
(60)Engine Oil Pan
(61)Engine Oil Pan Alignment Pin
(62)Engine Oil Pan Drain Plug
(63)Engine Oil Pan Bolts
(64)Lower Crankcase to Engine Block Bolt
(65)Engine Oil Pan Bolt
(66)Crankshaft Bearing Bolt
(67)Lower Crankcase to Engine Block Bolt
(68)Lower Crankcase
(69)Lower Crankcase Alignment Pin
(70)Lower Crankcase Alignment Pin
Figure 10:

Timing Chain and Components


Object Number: 412112  Size: LF
(1)Upper Timing Chain Guide Bolt
(2)Upper Timing Chain Guide
(3)Timing Chain
(4)Intake Camshaft Sprocket
(5)Intake Camshaft Sprocket to Camshaft Bolt
(6)Fixed Timing Chain Guide Bolt
(7)Fixed Timing Chain Guide
(8)Fixed Timing Chain Guide Bolt
(9)Oil Pump Cover Bolt
(10)Oil Pump Cover
(11)Oil Pump Inner Gerotor
(12)Oil Pump Outer Gerotor
(13)Engine Front Cover Access Plate Seal
(14)Engine Front Cover Gasket
(15)Engine Front Cover
(16)Engine Front Cover Access Plate
(17)Engine Front Cover Access Plate Bolt
(18)Front Crankshaft Seal
(19)Crankshaft Damper
(20)Crankshaft Damper Bolt
(21)Engine Front Cover Bolt
(22)Oil Pressure Relief Valve Plunger
(23)Oil Pressure Relief Valve Spring
(24)Oil Pressure Relief Valve Plug
(25)Crankshaft Sprocket Alignment Key
(26)Timing Chain Oil Nozzle
(27)Exhaust Camshaft Sprocket to Camshaft Bolt
(28)Timing Chain Drive Sprocket
(29)Adjustable Timing Chain Guide Bolt
(30)Adjustable Timing Chain Guide
(31)Timing Chain Tensioner Seal
(32)Timing Chain Tensioner
(33)Balance Shaft Drive Chain Guide Bolt
(34)Balance Shaft Drive Chain Guide
(35)Balance Shaft Drive Sprocket
(36)Adjustable Balance Shaft Drive Chain Guide Bolt
(37)Adjustable Balance Shaft Drive Chain Guide
(38)Balance Shaft Drive Chain Tensioner Assembly
(39)Water Pump
(40)Water Pump Drive Sprocket Bolt
(41)Balance Shaft Drive Chain Guide
(42)Balance Shaft Drive Chain Guide Bolt
Figure 11:

Accessory and Accessory Drive Components


Object Number: 412115  Size: LF
(1)Power Steering Pump
(2)Power Steering Pressure Line
(3)Generator Bolt
(4)Generator Pulley
(5)Accessory Drive Belt
(6)Air Conditioning Compressor Bolt
(7)Air Conditioning Compressor
(8)Accessory Drive Belt Tensioner Bolt
(9)Accessory Drive Belt Tensioner
(10)Generator Assembly
(11)Starter Assembly
(12)Power Steering Pump to Cylinder Head Bolt
(13)Starter Assembly to Engine Block Bolt