GM Service Manual Online
For 1990-2009 cars only

Tools Required

J 36660-A Torque Angle Meter


    Object Number: 412440  Size: SH
  1. Install the crankshaft bearings and lubricate bearing surfaces with engine oil.

  2. Object Number: 412438  Size: SH
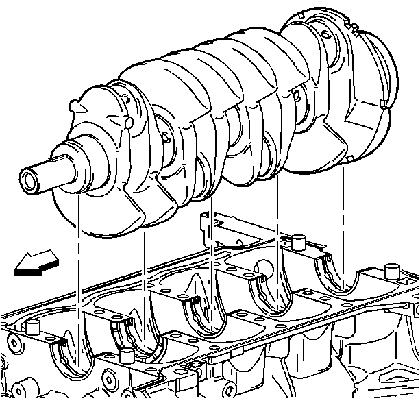
  3. Install the crankshaft on the journals.

  4. Object Number: 412491  Size: SH
  5. Apply sealer GM P/N 12346286, to the surfaces of the engine block to bedplate mating surfaces.

  6. Object Number: 412444  Size: SH
  7. Install the lower bearing halves, without grooves, into the lower crankcase. Apply oil to bearing surfaces.

  8. Object Number: 412435  Size: SH
  9. Install the lower crankcase. Tap gently into place with a suitable tool if necessary. Ensure it is aligned properly on the dowels.

  10. Object Number: 466499  Size: SH

    Notice: Use the correct fastener in the correct location. Replacement fasteners must be the correct part number for that application. Fasteners requiring replacement or fasteners requiring the use of thread locking compound or sealant are identified in the service procedure. Do not use paints, lubricants, or corrosion inhibitors on fasteners or fastener joint surfaces unless specified. These coatings affect fastener torque and joint clamping force and may damage the fastener. Use the correct tightening sequence and specifications when installing fasteners in order to avoid damage to parts and systems.

  11. Install the crankshaft bearing bolts in sequence finger tight.
  12. 6.1. Tighten the crankshaft bearing bolts in sequence.

    Tighten
    Tighten the crankshaft bearing bolts to 20 N·m (15 lb ft).

    6.2. Tighten the crankshaft bearing bolts in sequence.

    Tighten
    Tighten the crankshaft bearing bolts 70 degrees using the torque angle meter.


    Object Number: 466531  Size: SH
  13. Tighten the lower crankcase perimeter bolts in sequence.
  14. Tighten
    Tighten the lower crankcase perimeter bolts to 25 N·m (18 lb ft).