GM Service Manual Online
For 1990-2009 cars only

Circuit Description

An ignition voltage is supplied directly to the EVAP canister vent valve. The PCM controls the EVAP vent valve by grounding the control circuit via an internal switch called a driver. The primary function of the driver is to supply the ground for the controlled component. The PCM monitors the status of the driver. If the PCM detects an incorrect voltage for the commanded state of the driver, DTC P0449 sets

Conditions for Running the DTC

    • The engine speed is more than 400 RPM.
    • The system voltage is between 6.0-18.0 volts.

Conditions for Setting the DTC

    • The PCM detects that the commanded state of the driver and the actual state of the control circuit do not match.
    • The above conditions are present for a minimum of 5 seconds.

Action Taken When the DTC Sets

    • The control module illuminates the malfunction indicator lamp (MIL) on the second consecutive ignition cycle that the diagnostic runs and fails.
    • The control module records the operating conditions at the time the diagnostic fails. The first time the diagnostic fails, the control module stores this information in the Failure Records. If the diagnostic reports a failure on the second consecutive ignition cycle, the control module records the operating conditions at the time of the failure. The control module writes the operating conditions to the Freeze Frame and updates the Failure Records.

Conditions for Clearing the MIL/DTC

    • The control module turns OFF the malfunction indicator lamp (MIL) after 3 consecutive ignition cycles that the diagnostic runs and does not fail.
    • A current DTC, Last Test Failed, clears when the diagnostic runs and passes.
    • A history DTC clears after 40 consecutive warm-up cycles, if no failures are reported by this or any other emission related diagnostic.
    • Clear the MIL and the DTC with a scan tool.

Test Description

The numbers below refer to the step numbers on the diagnostic table.

  1. Listen for an audible click when the valve operates. Be sure that both the ON and the OFF states are commanded. Repeat the commands as necessary.

  2. This step verifies that the PCM is providing ground to the EVAP vent valve.

  3. This step tests if the EVAP vent valve control circuit is grounded.

Step

Action

Yes

No

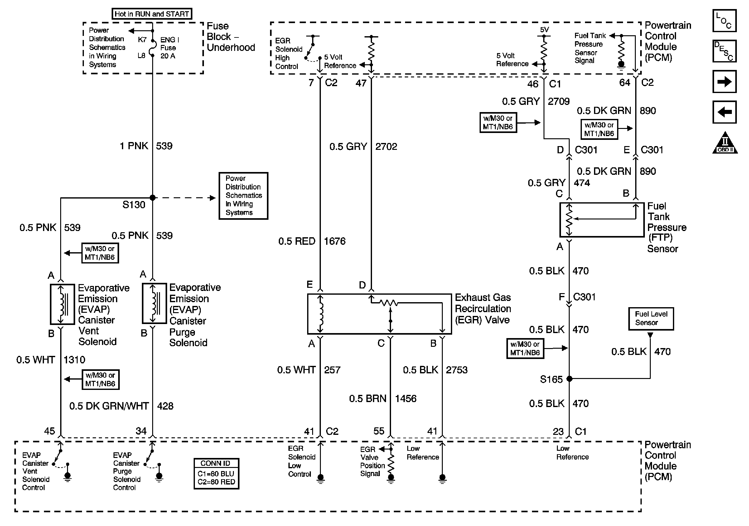
Schematic Reference:

EVAP and EGR Controls


Object Number: 650616  Size: FS
Master Electrical Component List
Evaporative Emission Control System Description
Sensor Controls: Heated Oxygen Sensor (5.0L, 5.7L with 4L60-E)
Engine Data Sensors
OBD II Symbol Description Notice
Ignition A, Ignition B Fuses, and Ignition Switch
Engine 1 Fuse (4.3L, 5.0L, and 5.7L)
Fuel Pump Controls

1

Did you perform the Diagnostic System Check-Engine Controls?

Go to Step 2

Go to Diagnostic System Check - Engine Controls .

2

  1. Turn ON the ignition, with the engine OFF.
  2. With the scan tool, command the EVAP vent valve ON and OFF.

Does the EVAP vent valve turn ON and OFF when commanded?

Go to Step 3

Go to Step 4

3

  1. Review the Freeze Frame/Failure records data for this DTC.
  2. Turn OFF the ignition for 30 seconds.
  3. Start the engine.
  4. Operate the vehicle within the Conditions for running the DTC as specified in the supporting text or as close to the Freeze Frame/Failure records data that you observe.

Does this DTC fail this ignition?

Go to Step 4

Go to Intermittent Conditions

4

  1. Turn OFF the ignition.
  2. Disconnect the EVAP vent valve harness connector.
  3. Turn ON the ignition, with the engine OFF.
  4. Probe the ignition voltage circuit of the EVAP vent valve with a test lamp connected to a good ground. Refer to Probing Electrical Connectors in Wiring Systems.

Does the test lamp illuminate?

Go to Step 5

Go to Step 11

5

  1. Connect a test lamp between the control circuit of the EVAP vent valve and ignition voltage circuit of the EVAP vent valve at the EVAP vent valve harness connector.
  2. With a scan tool, command the EVAP vent valve ON and OFF.

Does the test lamp turn ON and OFF with each command?

Go to Step 9

Go to Step 6

6

Does the test lamp remain illuminated with each command?

Go to Step 8

Go to Step 7

7

Test the control circuit of the EVAP vent solenoid for a short to voltage or an open. Refer to Circuit Testing and Wiring Repairs in Wiring Systems.

Did you find and correct the condition?

Go to Step 14

Go to Step 10

8

Test the control circuit of the EVAP vent valve for a short to ground. Refer to Circuit Testing and Wiring Repairs in Wiring Systems.

Did you find and correct the condition?

Go to Step 14

Go to Step 10

9

Inspect for poor connections at the harness connector of the EVAP vent valve. Refer to Testing for Intermittent and Poor Connections and Wiring Repairs in Wiring Systems.

Did you find and correct the condition?

Go to Step 14

Go to Step 12

10

Inspect for poor connections at the harness connector of the PCM. Refer to Testing for Intermittent and Poor Connections and Wiring Repairs in Wiring Systems.

Did you find and correct the condition?

Go to Step 14

Go to Step 13

11

Important: If the fuse is open, inspect all related circuits for a short to ground.

Repair the ignition voltage circuit of the EVAP vent valve for an open or a short to ground. Refer to Circuit Testing and Wiring Repairs in Wiring Systems.

Did you complete the repair?

Go to Step 14

--

12

Replace the EVAP vent valve. Refer to EVAP Canister Vent Valve Replacement .

Did you complete the replacement?

Go to Step 14

--

13

Replace the PCM. Refer to Powertrain Control Module Replacement .

Did you complete the replacement?

Go to Step 14

--

14

  1. With a scan tool, clear the DTCs.
  2. Turn OFF the ignition for 30 seconds.
  3. Operate vehicle within the Conditions for Running the DTC as specified in the supporting text.

Does the DTC run and pass?

Go to Step 15

Go to Step 2

15

With a scan tool, review the Stored Information (capture info).

Does the scan tool display any DTCs that have not been diagnosed?

Go to Diagnostic Trouble Code (DTC) List

System OK