GM Service Manual Online
For 1990-2009 cars only

Removal Procedure


    Object Number: 318790  Size: SH
  1. Remove the engine cover, if equipped. Refer to Engine Cover Replacement in Interior Trim.
  2. Disconnect the electrical connectors.
  3. Remove the ignition coil wire to the distributor.

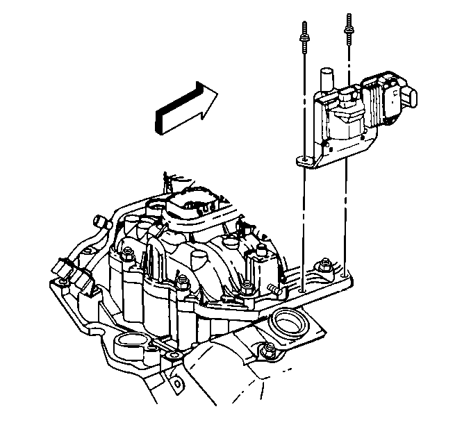
  4. Object Number: 31466  Size: SH
  5. Remove the studs holding the bracket and the ignition coil to the intake manifold.
  6. Remove the bracket and the ignition coil.
  7. Drill and punch out the two rivets holding the ignition coil to the bracket.
  8. Remove the ignition coil from the bracket.

Installation Procedure

A replacement ignition coil kit comes with two screws in order to attach the ignition coil to the bracket.

    Notice: Use the correct fastener in the correct location. Replacement fasteners must be the correct part number for that application. Fasteners requiring replacement or fasteners requiring the use of thread locking compound or sealant are identified in the service procedure. Do not use paints, lubricants, or corrosion inhibitors on fasteners or fastener joint surfaces unless specified. These coatings affect fastener torque and joint clamping force and may damage the fastener. Use the correct tightening sequence and specifications when installing fasteners in order to avoid damage to parts and systems.

  1. Install the ignition coil to the bracket with the two screws.
  2. Tighten
    Tighten the screws to 11 N·m (97 lb in).


    Object Number: 31466  Size: SH
  3. Install the ignition coil and the bracket to the intake manifold with studs.
  4. Tighten
    Tighten the studs to 11 N·m (97 lb in).


    Object Number: 387772  Size: SH
  5. Install the ignition coil wire.
  6. The wire must not touch anything like the dip stick, rubbing will make a ground/short after time of use.

  7. Install the electrical connectors.

  8. Object Number: 318790  Size: SH
  9. Install the engine cover, if equipped. Refer to Engine Cover Replacement in Interior Trim.