GM Service Manual Online
For 1990-2009 cars only

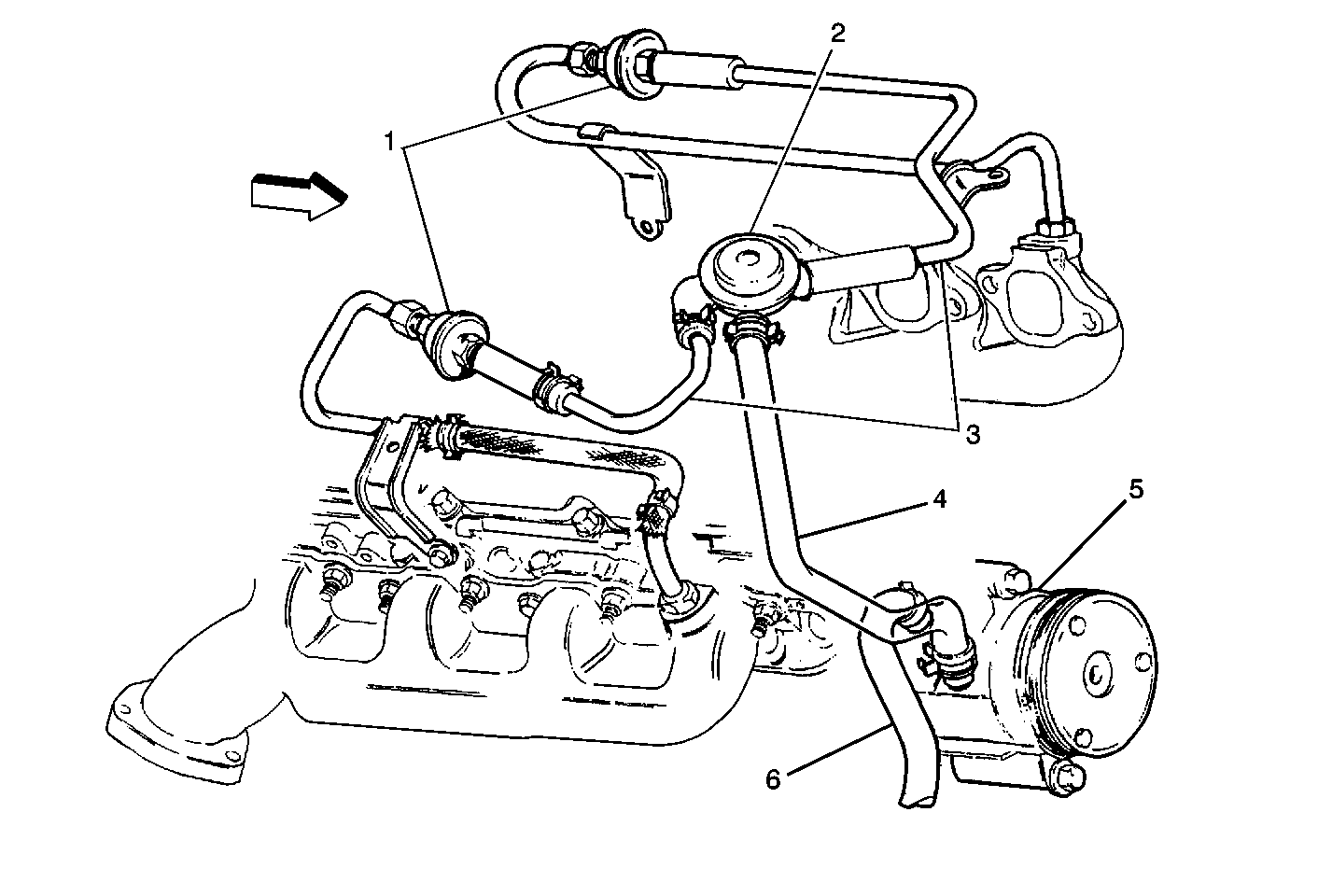
Object Number: 13114  Size: MF
(1)AIR Check Valve
(2)AIR Valve
(3)AIR Pump Crossover Pipe
(4)AIR Pump Output Hose
(5)AIR Pump
(6)AIR Pump Air Cleaner Hose

The secondary air injection (AIR) system is used on the 7.4L to reduce carbon monoxide (CO) and hydrocarbons (HC).

The AIR system adds air (oxygen) to the exhaust manifold to continue oxidation after the exhaust gasses have left the combustion chamber. The heat from this reaction brings the catalytic converter up to operating temperature faster when the engine is cold.

This system consists of an AIR pump, a powertrain control module (PCM) controlled electric clutch, check valves, and necessary plumbing.

A belt driven AIR pump supplies filtered air from the air intake system to the AIR injection pipes.

The check valves on the AIR injection pipes prevent backflow of exhaust gases in the AIR pump.

When the engine is started with a coolant temperature above approximately 15°C (45°F) or if the fuel system is in the Decel Mode, the PCM energizes the AIR relay. The AIR relay then energizes the AIR clutch, which directs air into the exhaust manifold ports.

The control module may turn the AIR pump OFF when any of the following conditions occur:

    • The system is in the Closed Loop mode
    • Any diagnostic trouble codes (DTCs) are set
    • The system is in Power Enrichment mode for more than a short period of time
    • Low manifold pressure (over run)
    • Quick vacuum rise (rapid decel)

Object Number: 215895  Size: SH

The electric motor secondary air injection (AIR) system is used on the 5.7L to reduce carbon monoxide (CO) and hydrocarbons (HC).

The AIR system adds air (oxygen) to the exhaust manifold to continue oxidation after the exhaust gasses have left the combustion chamber. The heat from this reaction brings the catalytic converter up to operating temperature faster when the engine is cold.

This system consists of an electric AIR pump, check valves, and necessary plumbing.

An electric motor AIR pump supplies filtered air from the air intake system to the AIR injection pipes.

The check valves, on the AIR injection pipes, prevent backflow of exhaust gases in the AIR pump.

When the engine is started with a coolant temperature above approximately 15°C (45°F) or if the fuel system is in the Decel Mode, the PCM energizes the AIR relay. The AIR relay then energizes the AIR clutch, which directs air into the exhaust manifold ports.

The control module may turn the AIR pump OFF when any of the following conditions occur:

    • The system is in the Closed Loop mode.
    • Any DTCs are set
    • The system is in Power Enrichment mode for more than a short period of time.
    • Low manifold pressure (over run)
    • Quick vacuum rise (rapid decel)