Use Manual First for maximum engine braking when the car is
descending steep grades. Select Manual First at any vehicle speed. However,
the transmission will first operate in Manual First - Second Gear condition
until the vehicle speed slows sufficiently.
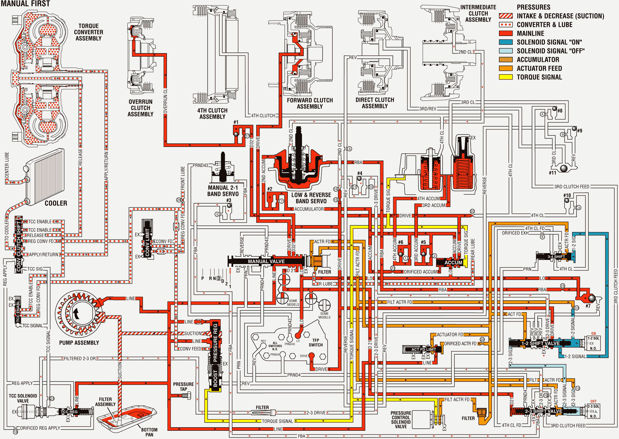
Manual Valve: In the Manual First range, line pressure from the pressure regulator
valve is directed as Drive, D321, D21, and Lo fluid pressures. The Drive fluid
pressure is directed to the automatic transmission fluid pressure (TFP) manual
valve position switch assembly, the forward clutch, the 1-2 shift valve,
and the accumulator valve. The D321 fluid pressure is directed to the overrun
clutch. The D21 fluid pressure is directed to the 2-3 shift valve.
The Lo fluid pressure is directed to the TFP manual valve position switch,
accumulator valve, and the low reverse band servo.
Automatic Transmission Fluid Pressure (TFP) Manual Valve Position Switch
Assembly: Lo fluid pressure from the manual valve is directed to the Lo pressure
switch on the TFP manual valve position switch. This sends a signal to the
Powertrain Control Module (PCM) that the transmission is in Manual First.
Drive fluid pressure is also supplied to the TFP manual valve position switch.
1-2 Shift Solenoid (1-2 SS) Valve: When the 1-2 SS valve is energized, 1-2 signal fluid
pressure forces the 1-2 and the 3-4 shift valves to the extreme
left.
2-3 Shift Solenoid (2-3 SS) Valve: When the 2-3 SS valve is de-energized, 2-3 signal
fluid pressure exhausts through the solenoid.
1-2 Shift Valve: 1-2 signal fluid pressure holds the 1-2 shift valve
to the extreme left. The actuator feed and the drive pressures supplied to
the 1-2 shift valve are blocked.
2-3 Shift Valve: Spring pressure and the D21 fluid pressure from the manual valve
hold the 2-3 Shift Valve to the extreme right.
3-4 Shift Valve: 1-2 signal fluid pressure forces the 3-4 shift valve
to the extreme left.
Low and Reverse Band Servo: Low fluid pressure from the manual valve is directed to the #7 checkball
and to the low and reverse band servo, which applies the low and reverse band.
Low fluid pressure changes to Rear Band Apply (RBA) fluid pressure at the
checkball.
Forward Clutch: Drive fluid pressure from the manual valve, applies the forward
clutch.
Overrun Clutch: The D321 fluid pressure from the manual valve seats the #1 checkball
in the case. This causes the fluid to flow through an orifice, where the D321
fluid pressure changes into overrun fluid pressure. The overrun fluid pressure
flows through the case and the pump housing, and into the overrun clutch housing,
which applies the overrun clutch. The overdrive roller clutch becomes ineffective
and provides vehicle engine compression braking.
Manual First Gear