GM Service Manual Online
For 1990-2009 cars only

Tools Required

    • J 23456 Booster and Clutch Pack Compressor
    • J 36850 Assembly Lubricant
    • J 38734 Reverse Spring Compressor Adapter
    • J 43065-1 Reverse Clutch Piston Pusher
    • J 43065-2 Reverse Clutch Piston OD Protector
    • J 43065-3 Reverse Clutch Piston ID Protector
    • J 45995 Clutch Compressor
    • J 46251 Weight

    Object Number: 780986  Size: SH
  1. Apply J 36850 to the outer seal edge of the reverse clutch piston assembly.
  2. Caution: Use care when installing the J 43065-2 onto the reverse clutch piston assembly. The metal OD protector has a sharp edge. Failure to use care may result in personal injury.

  3. Install the J 43065-2 onto the reverse clutch piston assembly.

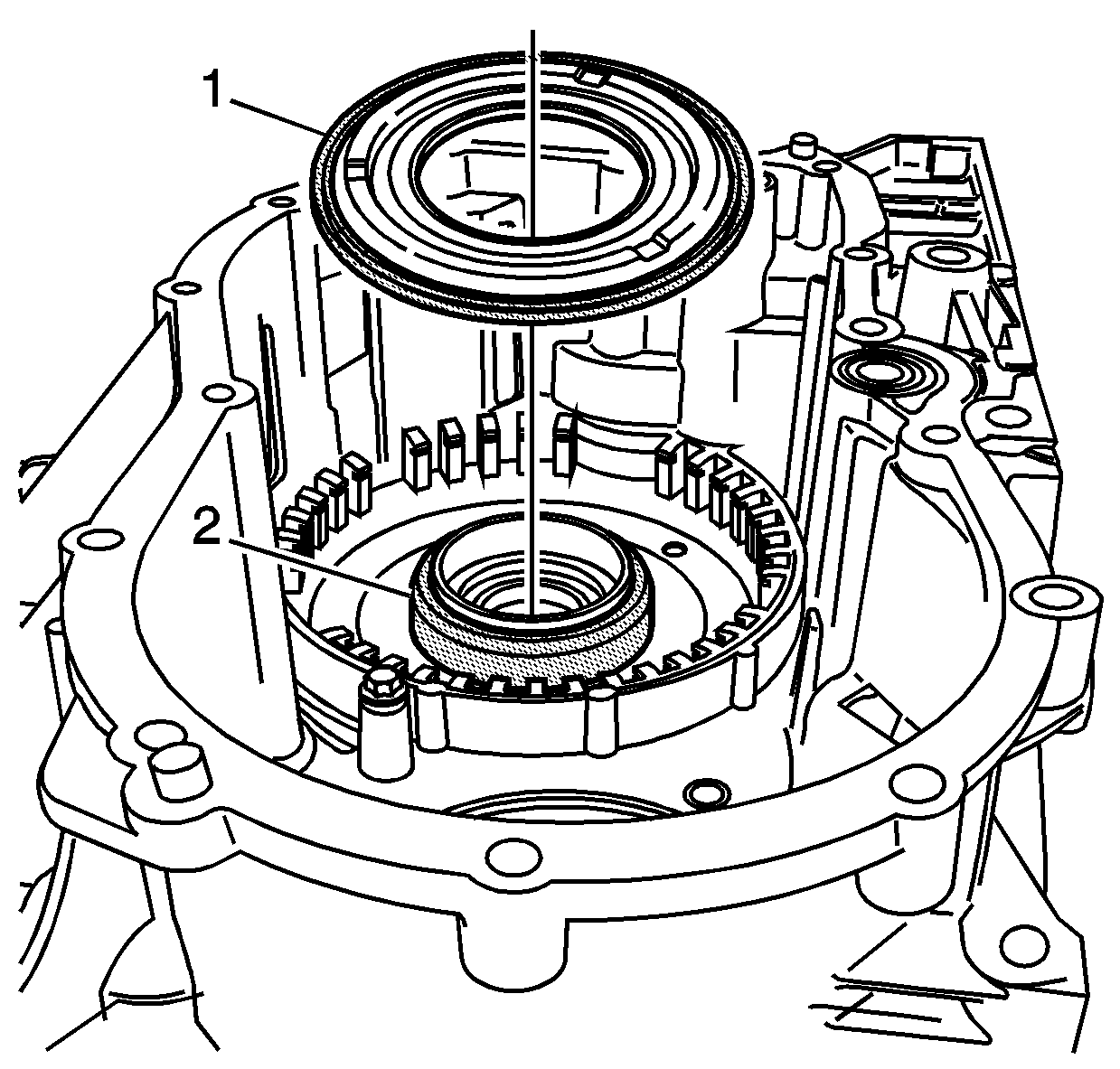
  4. Object Number: 780987  Size: SH
  5. Position the J 43065-3  (2) on the transmission case assembly.
  6. Apply J 36850 to the inner seal edge of the reverse clutch piston assembly.
  7. Position the J 43065-2  (1) and the reverse clutch piston assembly over the J 43065-3 .

  8. Object Number: 780990  Size: SH

    Important: When using the J 43065-1  (1), keep the piston assembly level and apply equal downward pressure in order to ensure proper piston seating in the transmission case assembly.

  9. Using the J 43065-1 , install the reverse clutch piston assembly into the transmission case assembly.
  10. Remove the J 43065-1  (1), J 43065-2  (2) and J 43065-3  (3).

  11. Object Number: 780797  Size: SH
  12. Using the J 23456 and J 38734 , compress the reverse clutch spring assembly.
  13. Install the reverse clutch spring retaining ring.
  14. Remove the J 23456 and J 38734 .

  15. Object Number: 781231  Size: SH
  16. Install the reverse clutch waved plate.
  17. Important: The reverse clutch plates are designed to fit only one way into the transmission case assembly.

    Important: Install the reverse clutch plates with the friction material facing up, toward the backing plate.

  18. Install the reverse clutch plates, 3 each, starting with a plate with the splines on the outer, external, diameter.

  19. Object Number: 890758  Size: SH

    Important: Perform this step for transmissions equipped with I.D.-splined waved clutch plates.

  20. Using the J 45995  (2) and J 46251  (1), compress the clutch plates.

  21. Object Number: 781233  Size: SH
  22. Measure the distance between the top, outer, edge of the retaining ring groove and the top friction plate. Record the measurement.
  23. Important: The backing plate identification letter is stamped on the backing plate.

  24. Refer to the Reverse Clutch Backing Plate Specifications table in Specifications in order to select the proper backing plate.

  25. Object Number: 781164  Size: SH
  26. Install the reverse clutch backing plate.
  27. Important: Align the retaining ring gap with the fluid pump housing area of the transmission case assembly.

  28. Install the retaining ring for the reverse clutch backing plate.

  29. Object Number: 780794  Size: SH
  30. Install the thrust washer for the reverse clutch hub assembly.
  31. Install the reverse clutch hub assembly.

  32. Object Number: 781001  Size: SH

    Notice: Use the correct fastener in the correct location. Replacement fasteners must be the correct part number for that application. Fasteners requiring replacement or fasteners requiring the use of thread locking compound or sealant are identified in the service procedure. Do not use paints, lubricants, or corrosion inhibitors on fasteners or fastener joint surfaces unless specified. These coatings affect fastener torque and joint clamping force and may damage the fastener. Use the correct tightening sequence and specifications when installing fasteners in order to avoid damage to parts and systems.

  33. Install the lube oil pipe and bolt into the transmission case assembly.
  34. Tighten
    Tighten the bolt to 11 N·m (8 lb ft).