GM Service Manual Online
For 1990-2009 cars only

    Object Number: 749810  Size: SH
  1. Remove any packing material and automatic transmission fluid from the contacting surfaces of the transmission case cover and the transmission case.
  2. Important: Do not get any fluid on the contacting surfaces of the transmission case cover or the transmission case.

  3. Apply formed in place gasket RTV to the transmission case cover.

  4. Object Number: 749483  Size: SH
  5. Install the transmission case cover assembly (19) onto the transmission case assembly (17).

  6. Object Number: 783895  Size: SH

    Important: Use LOCTITEâ„¢ 242 thread sealer on ALL bolt threads.

  7. Install 9 - M8 x 1.25 x 30 mm bolts (1) and hand tighten.
  8. Install 1 - M8 x 1.25 x 45 mm bolt (2) and hand tighten.
  9. Install 2 - M8 x 1.25 x 48 mm bolts (3) and hand tighten.

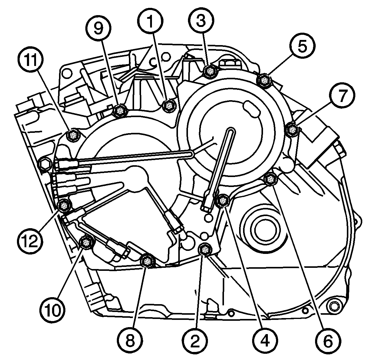
  10. Object Number: 773165  Size: SH

    Notice: Use the correct fastener in the correct location. Replacement fasteners must be the correct part number for that application. Fasteners requiring replacement or fasteners requiring the use of thread locking compound or sealant are identified in the service procedure. Do not use paints, lubricants, or corrosion inhibitors on fasteners or fastener joint surfaces unless specified. These coatings affect fastener torque and joint clamping force and may damage the fastener. Use the correct tightening sequence and specifications when installing fasteners in order to avoid damage to parts and systems.

  11. Tighten the 12 transmission case cover assembly bolts in sequence.
  12. Tighten
    Tighten the 12 transmission case cover assembly bolts to 19.6-29.4 N·m (14.5-21.68 lb ft).