GM Service Manual Online
For 1990-2009 cars only

    Object Number: 749491  Size: SH
  1. Remove the input shaft thrust bearing (540).
  2. Remove the rear sun gear assembly (539).
  3. Remove the front sun gear thrust bearing race (546).
  4. Remove the rear sun gear thrust bearing (538).

  5. Object Number: 749494  Size: SH
  6. Remove the rear sun gear thrust bearing race (537).
  7. Remove the rear internal gear (536).
  8. Remove the rear internal gear thrust bearing (535).

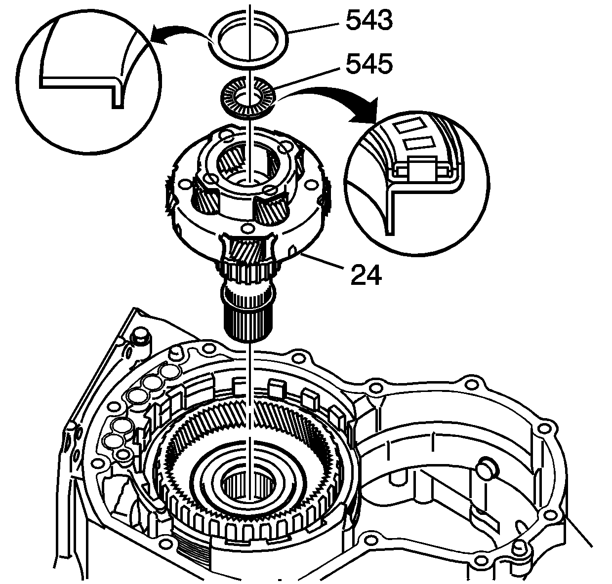
  9. Object Number: 749497  Size: SH
  10. Remove the front carrier thrust bearing race (543).
  11. Remove the front sun gear thrust bearing (545).
  12. Remove the front carrier and sun gear assembly (24).