Makes 🢒
Generic 🢒
2002 🢒
Unit Repair 🢒
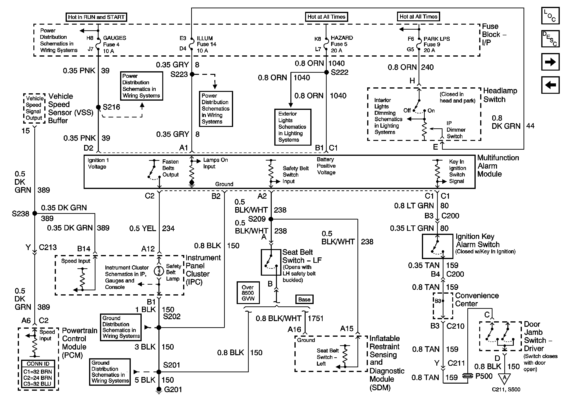
GAUGES, ILLUM, HAZARD, PARK LPS Fuses; Multi-Function Alarm Module; Left Front Door Jamb Switch; G201 (6.5L Diesel)
GAUGES, ILLUM, HAZARD, PARK LPS Fuses; Multi-Function Alarm Module; Left Front Door Jamb Switch; G201 (6.5L Diesel)