GM Service Manual Online
For 1990-2009 cars only

    Object Number: 178458  Size: SH

    Important: The flex plate does not use a locating pin for alignment and will not initially seat against the crankshaft flange or spacer, if applicable, but will be pulled onto the crankshaft by the bolts. This procedure requires a 3 stage tightening process.

  1. Remove the bolts.
  2. Remove the flex plate.

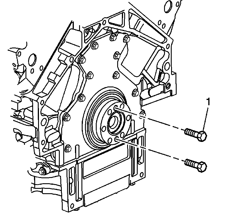
  3. Object Number: 642281  Size: SH
  4. Install 2 M11 x 1.5 mm bolts (1) into the threaded holes of the spacer, if applicable.
  5. Rotate the bolts clockwise to remove the spacer.

  6. Object Number: 642276  Size: SH
  7. Remove the spacer from the rear of the crankshaft, if applicable.