GM Service Manual Online
For 1990-2009 cars only

Cleaning Procedure


    Object Number: 863068  Size: SH

    Important: Do not use the intake manifold-to-cylinder head sealing gaskets again.

  1. Remove the manifold absolute pressure (MAP) sensor (1) from the rear of the intake. The MAP sensor is to be reinstalled upon completion of the cleaning and inspection procedures.
  2. Inspect the sealing grommet on the MAP sensor. The grommet should not be torn or damaged.

  3. Object Number: 492770  Size: SH
  4. Remove and discard the intake manifold-to-cylinder head gaskets (1).

  5. Object Number: 260176  Size: SH
  6. Remove the fuel rail with injectors. Refer to Fuel Rail and Injectors Removal .

  7. Object Number: 825837  Size: SH
  8. Remove the throttle body and gasket. Refer to Throttle Body Removal .

  9. Object Number: 869529  Size: SH
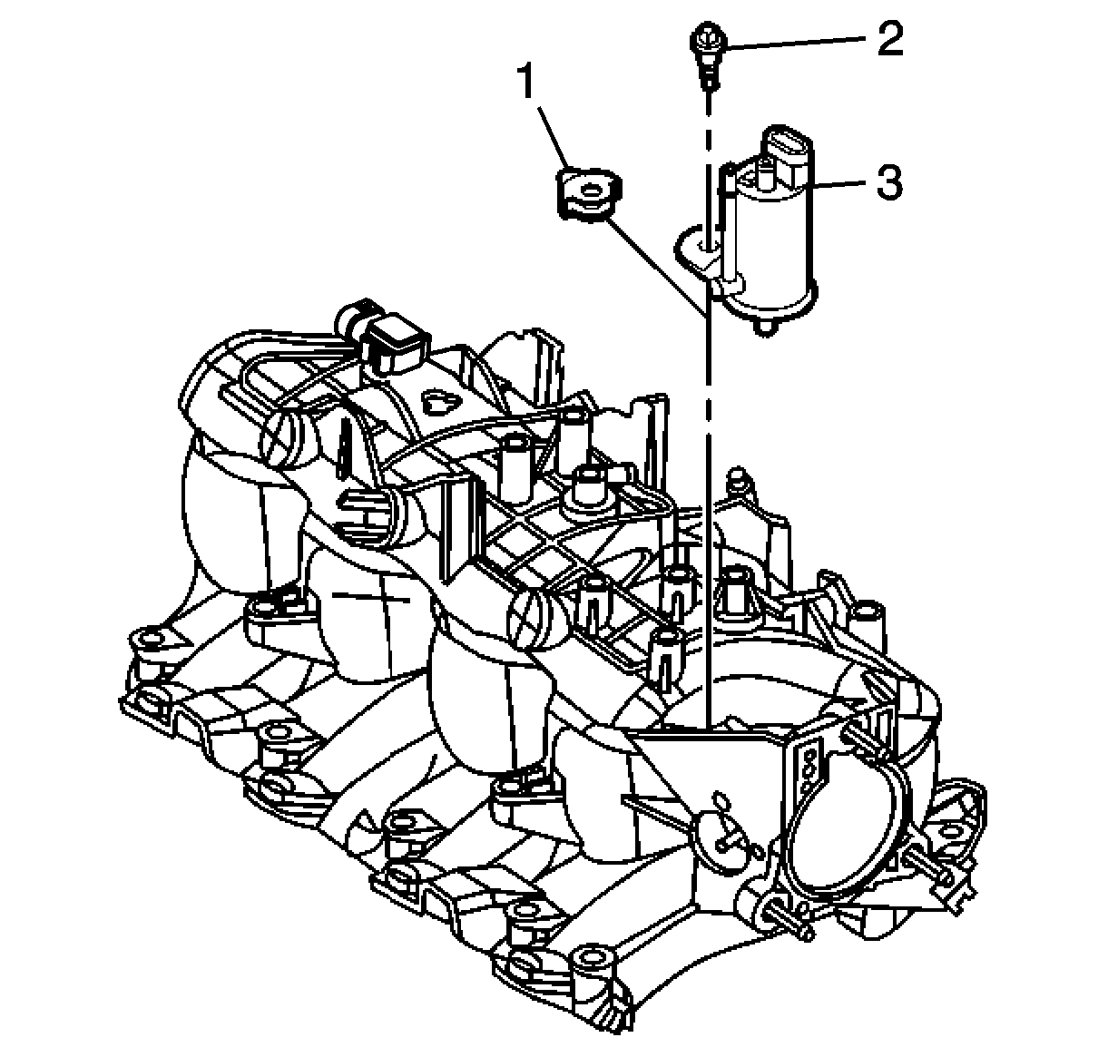
  10. Remove the evaporative emissions (EVAP) purge solenoid (3), bolt (2), and isolator (1).
  11. Clean the intake manifold in solvent.
  12. • Clean the intake manifold gasket surfaces.
    • Clean the intake manifold internal passages.

    Caution: Refer to Safety Glasses Caution in the Preface section.

  13. Dry the intake manifold with compressed air.

Inspection Procedure


    Object Number: 825837  Size: SH
  1. Inspect the throttle body studs and threaded inserts for looseness or damaged threads.
  2. Inspect the wire harness stud and threaded insert for looseness or damaged threads.

  3. Object Number: 260176  Size: SH
  4. Inspect the fuel rail bolt inserts for looseness or damaged threads.
  5. Inspect the intake manifold vacuum passages for debris or restrictions.

  6. Object Number: 863068  Size: SH
  7. Inspect for damaged or broken vacuum fittings, damaged MAP sensor (1) mounting bore, or broken MAP sensor retaining tabs.
  8. Inspect the composite intake manifold assembly for cracks or other damage.
  9. Inspect the areas between the intake runners.

  10. Inspect all the gasket sealing surfaces for damage.

  11. Object Number: 492779  Size: SH
  12. Inspect the fuel injector bores for excessive scoring or damage.
  13. Inspect the intake manifold cylinder head deck for warpage.
  14. 9.1. Locate a straight edge across the intake manifold cylinder head deck surface.

    Position the straight edge across a minimum of two runner port openings.

    9.2. Insert a feeler gage between the intake manifold and the straight edge.

    A intake manifold with warpage in excess of 3 mm (0.118 in) over a 200 mm (7.87 in) area is warped and should be replaced.


    Object Number: 863068  Size: SH
  15. Install the MAP sensor (1).
  16. Notice: Refer to Fastener Notice in the Preface section.

  17. Install the EVAP solenoid, bolt, and isolator.
  18. Tighten
    Tighten the EVAP solenoid bolt to 10 N·m (89 lb in).