GM Service Manual Online
For 1990-2009 cars only
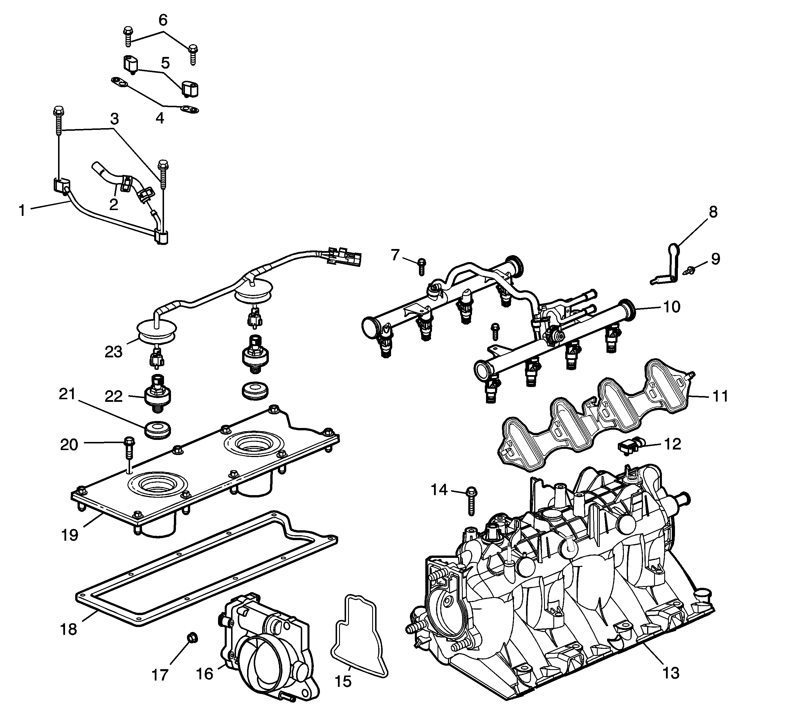
Figure 1:

Intake Manifold/Upper Engine


Object Number: 843011  Size: LF
(1)Engine Coolant Air Bleed Pipe
(2)Engine Coolant Air Bleed Pipe Hose
(3)Engine Coolant Air Bleed Pipe Bolt
(4)Engine Coolant Air Bleed Pipe/Cover Gasket
(5)Engine Coolant Air Bleed Pipe Cover
(6)Engine Coolant Air Bleed Pipe/Cover Bolt
(7)Fuel Rail Bolt
(8)Fuel Rail Stop Bracket
(9)Fuel Rail Stop Bracket Bolt
(10)Fuel Rail - with Injectors
(11)Intake Manifold Gasket
(12)Manifold Absolute Pressure (MAP) Sensor
(13)Intake Manifold
(14)Intake Manifold Bolt
(15)Throttle Body Gasket
(16)Throttle Body
(17)Throttle Body Nut
(18)Valley Cover Gasket
(19)Valley Cover
(20)Valley Cover Bolt
(21)Knock Sensor Oil Seal
(22)Knock Sensor
(23)Knock Sensor Wire Harness
Figure 2:

Cylinder Head/Upper Engine


Object Number: 823310  Size: LF
(1)Oil Fill Tube
(2)Oil Fill Tube Cap
(3)Ignition Coil and Bracket Assembly
(4)Ignition Coil and Bracket Assembly Bolt
(5)Valve Rocker Arm Cover Bolt
(6)Valve Rocker Arm Cover Bolt Grommet
(7)Cylinder Head Bolt - Short
(8)Cylinder Head Bolt - Medium
(9)Cylinder Head
(10)Cylinder Head Bolt - Long
(11)Valve Stem Keys
(12)Valve Spring Cap
(13)Valve Spring
(14)Valve Stem Oil Seal and Shim Assembly
(15)Valve
(16)Exhaust Manifold Gasket
(17)Exhaust Manifold - with Heat Shield
(18)Pushrod
(19)Coolant Temperature Sensor
(20)Valve Rocker Arm Bolt
(21)Valve Rocker Arm
(22)Valve Rocker Arm Pivot Support
(23)Cylinder Head Gasket
(24)Valve Rocker Arm Cover Gasket
(25)Valve Rocker Arm Cover
Figure 3:

Lower Front of Engine


Object Number: 843017  Size: LF
(1)Water Pump Bolt
(2)Water Pump
(3)Water Pump Gaskets
(4)Oil Level Indicator
(5)Oil Level Indicator Tube Bolt
(6)Oil Level Indicator Tube
(7)Oil Level Indicator Tube O-Ring Seal
(8)Valve Lifter Guide Bolt
(9)Valve Lifter Guide
(10)Valve Lifter
(11)Engine Block
(12)Crankshaft Rear Oil Seal
(13)Engine Rear Cover Bolt
(14)Engine Rear Cover
(15)Engine Rear Cover Gasket
(16)Engine Block Rear Oil Gallery Plug
(17)Crankshaft Sprocket
(18)Camshaft Timing Chain
(19)Oil Pump Assembly
(20)Oil Pump Bolt
(21)Engine Front Cover Gasket
(22)Engine Front Cover
(23)Crankshaft Front Oil Seal
(24)Crankshaft Balancer
(25)Crankshaft Balancer Bolt
(26)Engine Front Cover Bolt
(27)Camshaft Sprocket Bolt
(28)Camshaft Sprocket Locating Pin
(29)Camshaft Sprocket
(30)Camshaft Retainer Bolt
(31)Camshaft Retainer
(32)Camshaft
(33)Camshaft Bearings
Figure 4:

Lower Engine Assembly


Object Number: 843023  Size: LF
(1)Engine Block
(2)Camshaft Position Sensor Bolt
(3)Camshaft Position Sensor
(4)Oil Pressure Sensor
(5)Engine Block Rear Oil Gallery Plug
(6)Piston Rings
(7)Piston and Connecting Rod Assembly
(8)Connecting Rod Bearings
(9)Connecting Rod Cap
(10)Connecting Rod Bolt
(11)Oil Pump Screen Bolt
(12)Oil Pump Screen Nut
(13)Oil Pump Screen
(14)Oil Pump Screen O-ring Seal
(15)Crankshaft Oil Deflector
(16)Flywheel Bolt
(17)Flywheel - Automatic Transmission
(18)Oil Pan Gasket
(19)Oil Pan
(20)Oil Pan Cover Gasket
(21)Oil Pan Cover
(22)Oil Pan Cover Bolt
(23)Oil Pan Closeout Cover Bolt - Left Side
(24)Oil Pan Closeout Cover - Left Side
(25)Oil Pan Drain Plug
(26)Oil Filter
(27)Oil Filter Adapter
(28)Oil Level Sensor
(29)Oil Pan Closeout Cover - Right Side
(30)Oil Pan Closeout Cover Bolt - Right Side
(31)Crankshaft Bearing Cap Side Bolt
(32)Crankshaft Bearing Caps
(33)Crankshaft Bearing Cap Bolt/Stud
(33)Crankshaft Bearing Cap Bolt/Stud
(34)Crankshaft Bearing Cap Bolt
(35)Crankshaft Bearing
(35)Crankshaft Bearing
(36)Crankshaft Thrust Bearing - Lower
(37)Crankshaft
(38)Crankshaft Sprocket Key
(39)Crankshaft Thrust Bearing - Upper
(40)Engine Block Front Oil Gallery Plug
Figure 5:

Cylinder Head Assembly - Aluminum


Object Number: 822537  Size: MH
(1)Cylinder Head
(2)Valve Stem Keys
(3)Valve Spring Cap
(4)Valve Spring
(5)Valve Stem Oil Seal and Shim Assembly
(6)Valve Guide
(7)Cylinder Head Expansion Plugs
(7)Cylinder Head Expansion Plugs
(8)Exhaust Valve Seat
(9)Exhaust Valve
(10)Intake Valve
(11)Intake Valve Seat
Figure 6:

Oil Pump Assembly


Object Number: 64190  Size: SF
(1)Driven Gear
(2)Oil Pump Housing
(3)Pressure Relief Valve
(4)Pressure Relief Valve Spring
(5)Plug
(6)Drive Gear
(7)Cover Bolt
(8)Cover