GM Service Manual Online
For 1990-2009 cars only

Removal Procedure

    Caution: Unless directed otherwise, the ignition and start switch must be in the OFF or LOCK position, and all electrical loads must be OFF before servicing any electrical component. Disconnect the negative battery cable to prevent an electrical spark should a tool or equipment come in contact with an exposed electrical terminal. Failure to follow these precautions may result in personal injury and/or damage to the vehicle or its components.

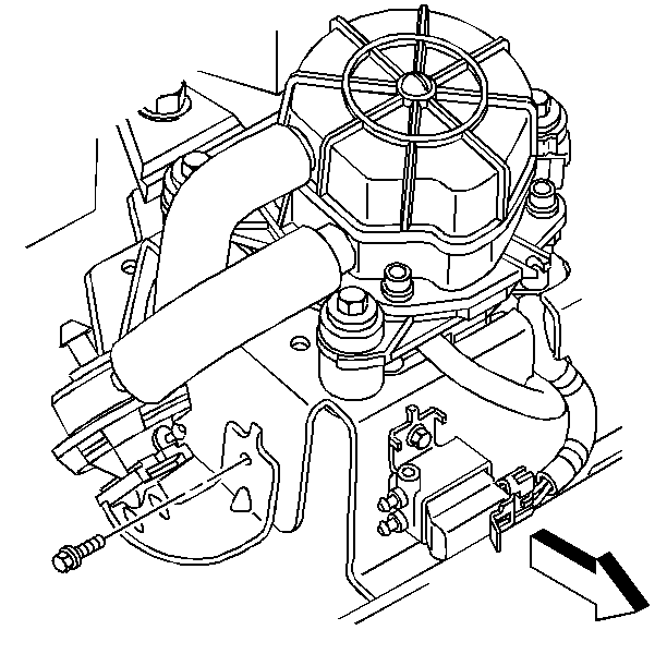
  1. Disconnect the negative battery cable.

  2. Object Number: 416577  Size: SH
  3. Remove the inlet and outlet hoses from the air shut off valve.

  4. Object Number: 416578  Size: SH
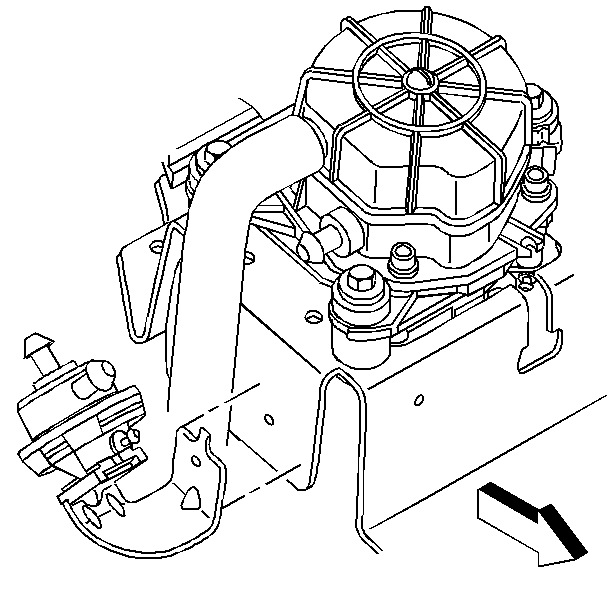
  5. Disconnect the vacuum hose from the air shut off valve.

  6. Object Number: 416579  Size: SH
  7. Remove the air shut off valve retainer screw.

  8. Object Number: 416580  Size: SH
  9. Remove the air shut off valve from the air pump.

Installation Procedure


    Object Number: 416580  Size: SH
  1. Install the air shut off valve on the air pump.

  2. Object Number: 416579  Size: SH
  3. Install the air shut off valve retainer screw.

  4. Object Number: 416578  Size: SH
  5. Connect the vacuum hose to the air shut off valve.

  6. Object Number: 416577  Size: SH
  7. Install the inlet and outlet hoses on air shut off valve.