GM Service Manual Online
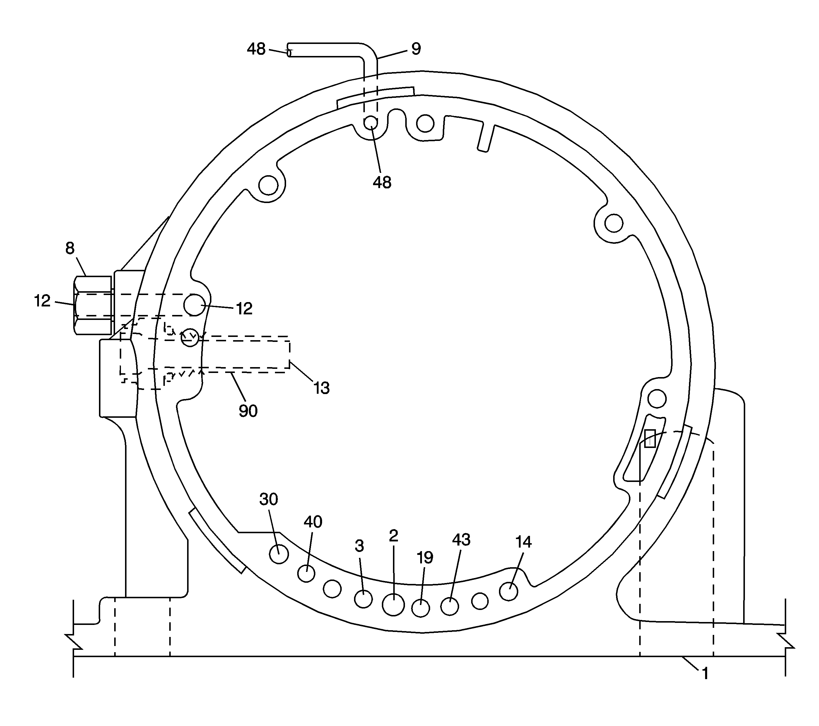
For 1990-2009 cars only
Figure 1:

Pump Body Fluid Passages (Pump Cover Side)


Object Number: 55234  Size: LF
(1)Suction
(1)Suction
(1)Suction
(2)Line
(2)Line
(2)Line
(2)Line
(2)Line
(2)Line
(2)Line
(3)Regulated Apply
(3)Regulated Apply
(7)Converter Feed
(7)Converter Feed
(8)Regulated Converter Feed
(8)Regulated Converter Feed
(8)Regulated Converter Feed
(9)TCC Enable
(9)TCC Enable
(10)Converter Release
(11)Converter Apply/Return
(12)Cooler
(12)Cooler
(12)Cooler
(14)Torque Signal
(14)Torque Signal
(29)Pump Seal Drainback
(29)Pump Seal Drainback
(30)TCC Signal
(43)Reverse
(43)Reverse
(45)Exhaust
(47)Void
(47)Void
(47)Void
(47)Void
(47)Void
(47)Void
(48)Vent
(48)Vent
(49)Front Lube
Figure 2:

Pump Cover Fluid Passages (Pump Body Side)


Object Number: 54768  Size: LF
(1)Suction
(1)Suction
(1)Suction
(2)Line
(2)Line
(2)Line
(2)Line
(2)Line
(2)Line
(3)Regulated Apply
(3)Regulated Apply
(3)Regulated Apply
(7)Converter Feed
(7)Converter Feed
(7)Converter Feed
(8)Regulated Converter Feed
(8)Regulated Converter Feed
(8)Regulated Converter Feed
(8)Regulated Converter Feed
(9)TCC Enable
(9)TCC Enable
(10)Converter Release
(10)Converter Release
(11)Converter Apply/Return
(11)Converter Apply/Return
(12)Cooler
(12)Cooler
(14)Torque Signal
(14)Torque Signal
(19)Drive
(29)Pump Seal Drainback
(30)TCC Signal
(30)TCC Signal
(40)Overrun Clutch
(43)Reverse
(43)Reverse
(43)Reverse
(45)Exhaust
(45)Exhaust
(47)Void
(47)Void
(48)Vent
(48)Vent
(48)Vent
(49)Front Lube
(208)Plug, Orificed Cup
(236)Plug, Orificed Cup
(237)Plug, Orificed Cup
Figure 3:

Pump Cover Fluid Passages (Case Side)


Object Number: 55253  Size: LF
(1)Suction
(2)Line
(2)Line
(3)Regulated Apply
(12)Cooler
(14)Torque Signal
(19)Drive
(19)Drive
(29)Pump Seal Drainback
(30)TCC Signal
(40)Overrun Clutch
(40)Overrun Clutch
(43)Reverse
(45)Exhaust
(45)Exhaust
(45)Exhaust
(45)Exhaust
(47)Void
(48)Vent
(49)Front Lube
(49)Front Lube
(210)Plug, Orificed Cup
(239)Shield, Vent
Figure 4:

Case Fluid Passages (Pump Cover Side)


Object Number: 54772  Size: LF
(1)Suction
(2)Line
(3)Regulated Apply
(8)Connector, Front Oil Cooler Pipe
(9)Pipe, Vent
(12)Cooler
(12)Cooler
(13)Center Lube
(14)Torque Signal
(19)Drive
(30)TCC Signal
(40)Overrun Clutch
(43)Reverse
(48)Vent
(48)Vent
(90)Connector, Rear Oil Cooler Pipe
Figure 5:

Case Fluid Passages (Control Valve Body Side)


Object Number: 54777  Size: LF
(1)Suction
(1)Suction
(2)Line
(2)Line
(2)Line
(2)Line
(2)Line
(3)Regulated Apply
(3)Regulated Apply
(3)Regulated Apply
(5)Actuator Feed
(5)Actuator Feed
(5)Actuator Feed
(5)Actuator Feed
(12)Cooler
(12)Cooler
(13)Center Lube
(14)Torque Signal
(14)Torque Signal
(14)Torque Signal
(16)PRN (Park Reverse Neutral)
(16)PRN (Park Reverse Neutral)
(17)PRND43
(17)PRND43
(18)PRND4
(19)Drive
(19)Drive
(19)Drive
(20)Filtered Actuator Feed
(20)Filtered Actuator Feed
(20)Filtered Actuator Feed
(22)2-3 Signal
(22)2-3 Signal
(23)2-3 Drive
(23)2-3 Drive
(24)2nd Clutch
(24)2nd Clutch
(24)2nd Clutch
(25)Filtered 2-3 Drive
(26)Accumulator
(26)Accumulator
(26)Accumulator
(28)2nd Accumulator
(28)2nd Accumulator
(30)TCC Signal
(30)TCC Signal
(31)FBA (Front Band Apply)
(31)FBA (Front Band Apply)
(32)3rd Accumulator
(33)3rd Clutch Feed
(34)3rd Clutch
(34)3rd Clutch
(34)3rd Clutch
(34)3rd Clutch
(35)3rd/Reverse
(36)4th Clutch Feed
(37)4th Clutch
(37)4th Clutch
(37)4th Clutch
(37)4th Clutch
(37)4th Clutch
(39)D321
(39)D321
(39)D321
(40)Overrun Clutch
(40)Overrun Clutch
(40)Overrun Clutch
(41)D21
(41)D21
(42)Lo
(42)Lo
(42)Lo
(42)Lo
(43)Reverse
(43)Reverse
(43)Reverse
(43)Reverse
(43)Reverse
(43)Reverse
(44)RBA (Rear Band Apply)
(44)RBA (Rear Band Apply)
(45)Exhaust
(45)Exhaust
(47)Void
(47)Void
(47)Void
(47)Void
(47)Void
(50)Rear Lube
(90)Connector, Rear Oil Cooler Pipe
Figure 6:

Spacer Plate to Case Gasket with Accumulator Housing Gasket


Object Number: 55309  Size: LF
(2)Line
(2)Line
(2)Line
(2)Line
(3)Regulated Apply
(3)Regulated Apply
(5)Actuator Feed
(5)Actuator Feed
(5)Actuator Feed
(5)Actuator Feed
(5)Actuator Feed
(14)Torque Signal
(14)Torque Signal
(14)Torque Signal
(14)Torque Signal
(14)Torque Signal
(16)PRN (Park Reverse Neutral)
(16)PRN (Park Reverse Neutral)
(17)PRND43
(18)PRND4
(18)PRND4
(19)Drive
(19)Drive
(19)Drive
(20)Filtered Actuator Feed
(20)Filtered Actuator Feed
(20)Filtered Actuator Feed
(20)Filtered Actuator Feed
(20)Filtered Actuator Feed
(20)Filtered Actuator Feed
(22)2-3 Signal
(22)2-3 Signal
(23)2-3 Drive
(23)2-3 Drive
(24)2nd Clutch
(24)2nd Clutch
(25)Filtered 2-3 Drive
(26)Accumulator
(26)Accumulator
(26)Accumulator
(26)Accumulator
(26)Accumulator
(26)Accumulator
(26)Accumulator
(28)2nd Accumulator
(30)TCC Signal
(31)FBA (Front Band Apply)
(31)FBA (Front Band Apply)
(31)FBA (Front Band Apply)
(31)FBA (Front Band Apply)
(32)3rd Accumulator
(33)3rd Clutch Feed
(33)3rd Clutch Feed
(34)3rd Clutch
(34)3rd Clutch
(34)3rd Clutch
(35)3rd/Reverse
(36)4th Clutch Feed
(36)4th Clutch Feed
(37)4th Clutch
(37)4th Clutch
(37)4th Clutch
(37)4th Clutch
(37)4th Clutch
(38)4th Accumulator
(39)D321
(39)D321
(39)D321
(39)D321
(40)Overrun Clutch
(41)D21
(41)D21
(42)Lo
(42)Lo
(42)Lo
(42)Lo
(43)Reverse
(43)Reverse
(43)Reverse
(43)Reverse
(43)Reverse
(43)Reverse
(44)RBA (Rear Band Apply)
(45)Exhaust
(45)Exhaust
(45)Exhaust
(45)Exhaust
(47)Void
Figure 7:

Spacer Plate


Object Number: 54780  Size: LF
(2)Line
(2)Line
(2)Line
(2)Line
(3)Regulated Apply
(3)Regulated Apply
(4)Orificed Regulator Apply
(5)Actuator Feed
(5)Actuator Feed
(5)Actuator Feed
(5)Actuator Feed
(5)Actuator Feed
(6)Orificed Actuator Feed
(14)Torque Signal
(14)Torque Signal
(14)Torque Signal
(14)Torque Signal
(16)PRN (Park Reverse Neutral)
(16)PRN (Park Reverse Neutral)
(17)PRND43
(18)PRND4
(18)PRND4
(19)Drive
(19)Drive
(19)Drive
(19)Drive
(19)Drive
(20)Filtered Actuator Feed
(20)Filtered Actuator Feed
(20)Filtered Actuator Feed
(20)Filtered Actuator Feed
(20)Filtered Actuator Feed
(20)Filtered Actuator Feed
(21)1-2 Signal
(22)2-3 Signal
(22)2-3 Signal
(22)2-3 Signal
(23)2-3 Drive
(23)2-3 Drive
(23)2-3 Drive
(24)2nd Clutch
(24)2nd Clutch
(24)2nd Clutch
(24)2nd Clutch
(25)Filtered 2-3 Drive
(26)Accumulator
(26)Accumulator
(26)Accumulator
(26)Accumulator
(26)Accumulator
(26)Accumulator
(26)Accumulator
(26)Accumulator
(26)Accumulator
(26)Accumulator
(27)Orificed Accumulator
(28)2nd Accumulator
(28)2nd Accumulator
(28)2nd Accumulator
(30)TCC Signal
(31)FBA (Front Band Apply)
(31)FBA (Front Band Apply)
(31)FBA (Front Band Apply)
(31)FBA (Front Band Apply)
(32)3rd Accumulator
(32)3rd Accumulator
(32)3rd Accumulator
(33)3rd Clutch Feed
(33)3rd Clutch Feed
(33)3rd Clutch Feed
(34)3rd Clutch
(34)3rd Clutch
(34)3rd Clutch
(34)3rd Clutch
(34)3rd Clutch
(35)3rd/Reverse
(36)4th Clutch Feed
(36)4th Clutch Feed
(37)4th Clutch
(37)4th Clutch
(37)4th Clutch
(37)4th Clutch
(37)4th Clutch
(37)4th Clutch
(38)4th Accumulator
(38)4th Accumulator
(38)4th Accumulator
(39)D321
(39)D321
(39)D321
(39)D321
(39)D321
(40)Overrun Clutch
(40)Overrun Clutch
(40)Overrun Clutch
(41)D21
(42)Lo
(42)Lo
(42)Lo
(42)Lo
(43)Reverse
(43)Reverse
(43)Reverse
(43)Reverse
(43)Reverse
(43)Reverse
(43)Reverse
(43)Reverse
(44)RBA (Rear Band Apply)
(45)Exhaust
(45)Exhaust
(45)Exhaust
(45)Exhaust
(46)Orificed Exhaust
(46)Orificed Exhaust
(47)Void
Figure 8:

Spacer Plate to Control Valve Body Gasket


Object Number: 54627  Size: LF
(2)Line
(2)Line
(2)Line
(2)Line
(3)Regulated Apply
(4)Orificed Regulator Apply
(5)Actuator Feed
(5)Actuator Feed
(5)Actuator Feed
(5)Actuator Feed
(6)Orificed Actuator Feed
(14)Torque Signal
(14)Torque Signal
(14)Torque Signal
(14)Torque Signal
(15)Orificed Torque Signal
(16)PRN (Park Reverse Neutral)
(17)PRND43
(18)PRND4
(18)PRND4
(19)Drive
(19)Drive
(19)Drive
(19)Drive
(20)Filtered Actuator Feed
(20)Filtered Actuator Feed
(20)Filtered Actuator Feed
(20)Filtered Actuator Feed
(21)1-2 Signal
(22)2-3 Signal
(22)2-3 Signal
(22)2-3 Signal
(23)2-3 Drive
(24)2nd Clutch
(24)2nd Clutch
(25)Filtered 2-3 Drive
(26)Accumulator
(26)Accumulator
(26)Accumulator
(27)Orificed Accumulator
(28)2nd Accumulator
(28)2nd Accumulator
(30)TCC Signal
(31)FBA (Front Band Apply)
(31)FBA (Front Band Apply)
(31)FBA (Front Band Apply)
(32)3rd Accumulator
(32)3rd Accumulator
(33)3rd Clutch Feed
(34)3rd Clutch
(34)3rd Clutch
(34)3rd Clutch
(34)3rd Clutch
(35)3rd/Reverse
(36)4th Clutch Feed
(36)4th Clutch Feed
(37)4th Clutch
(37)4th Clutch
(37)4th Clutch
(37)4th Clutch
(38)4th Accumulator
(38)4th Accumulator
(39)D321
(39)D321
(39)D321
(40)Overrun Clutch
(40)Overrun Clutch
(41)D21
(41)D21
(41)D21
(42)Lo
(42)Lo
(42)Lo
(42)Lo
(43)Reverse
(43)Reverse
(43)Reverse
(43)Reverse
(43)Reverse
(43)Reverse
(43)Reverse
(44)RBA (Rear Band Apply)
(45)Exhaust
(45)Exhaust
(46)Orificed Exhaust
(46)Orificed Exhaust
(47)Void
(47)Void
Figure 9:

Control Valve Body Fluid Passages (Case Side)


Object Number: 54783  Size: LF
(2)Line
(2)Line
(2)Line
(2)Line
(2)Line
(2)Line
(3)Regulated Apply
(4)Orificed Regulator Apply
(5)Actuator Feed
(5)Actuator Feed
(5)Actuator Feed
(5)Actuator Feed
(5)Actuator Feed
(5)Actuator Feed
(6)Orificed Actuator Feed
(14)Torque Signal
(14)Torque Signal
(14)Torque Signal
(14)Torque Signal
(14)Torque Signal
(16)PRN (Park Reverse Neutral)
(16)PRN (Park Reverse Neutral)
(17)PRND43
(17)PRND43
(17)PRND43
(18)PRND4
(18)PRND4
(18)PRND4
(18)PRND4
(19)Drive
(19)Drive
(19)Drive
(19)Drive
(19)Drive
(20)Filtered Actuator Feed
(20)Filtered Actuator Feed
(20)Filtered Actuator Feed
(21)1-2 Signal
(21)1-2 Signal
(21)1-2 Signal
(22)2-3 Signal
(22)2-3 Signal
(22)2-3 Signal
(22)2-3 Signal
(23)2-3 Drive
(23)2-3 Drive
(24)2nd Clutch
(25)Filtered 2-3 Drive
(25)Filtered 2-3 Drive
(26)Accumulator
(26)Accumulator
(26)Accumulator
(27)Orificed Accumulator
(28)2nd Accumulator
(30)TCC Signal
(30)TCC Signal
(31)FBA (Front Band Apply)
(31)FBA (Front Band Apply)
(32)3rd Accumulator
(32)3rd Accumulator
(33)3rd Clutch Feed
(34)3rd Clutch
(34)3rd Clutch
(34)3rd Clutch
(35)3rd/Reverse
(36)4th Clutch Feed
(36)4th Clutch Feed
(37)4th Clutch
(37)4th Clutch
(37)4th Clutch
(38)4th Accumulator
(38)4th Accumulator
(39)D321
(39)D321
(40)Overrun Clutch
(40)Overrun Clutch
(41)D21
(41)D21
(41)D21
(42)Lo
(42)Lo
(42)Lo
(42)Lo
(42)Lo
(43)Reverse
(43)Reverse
(43)Reverse
(43)Reverse
(43)Reverse
(43)Reverse
(43)Reverse
(43)Reverse
(44)RBA (Rear Band Apply)
(45)Exhaust
(45)Exhaust
(45)Exhaust
(45)Exhaust
(45)Exhaust
(45)Exhaust
(45)Exhaust
(46)Orificed Exhaust
(46)Orificed Exhaust
(47)Void
(47)Void
(47)Void
(47)Void
(47)Void
(47)Void
(47)Void
(47)Void
(47)Void
(47)Void
(47)Void
(47)Void
(47)Void
(47)Void
(47)Void
(47)Void
(47)Void
(47)Void
(47)Void
(47)Void
(47)Void
(47)Void
(47)Void
(47)Void
(47)Void
(47)Void
(47)Void
(47)Void
(47)Void
(50)Rear Lube