|
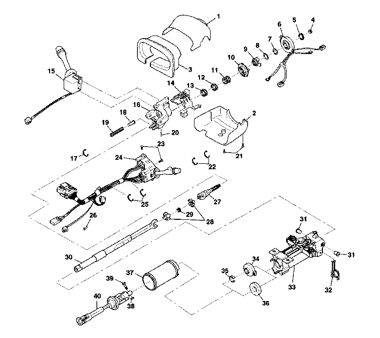
| (1) | Upper
Trim Cover |
| (2) | Lower Trim Cover |
| (3) | Steering
Column Closeout Trim Cover |
| (4) | Flanged
Prevailing Torque Nut |
| (5) | Retaining
Ring |
| (6) | Inflatable
Restraint Steering Wheel Module Coil |
| (7) | Wave Washer |
| (8) | Bearing Retainer |
| (9) | Cam
Orientation Plate |
| (10) | Turn
Signal Cancel Cam Assembly |
| (11) | Upper
Bearing Spring |
| (12) | Upper
Bearing Inner Race Seat |
| (13) | Inner
Race |
| (14) | Turn
Signal Switch Housing |
| (15) | Windshield
Wiper and Washer Switch Assembly |
| (16) | Steering
Column Tilt Head Assembly |
| (17) | Wire
Harness Strap |
| (18) | Spring
Guide |
| (19) | Tilt
Spring |
| (20) | Release
Lever Pin |
| (21) | Pan Head Tapping Screws |
| (22) | Wire
Harness Straps |
| (23) | Pan
Head Tapping Screws |
| (24) | Turn
Signal and Multifunction Switch Assembly |
| (25) | Wire
Harness Straps |
| (26) | Axial
Position Assurance Connector |
| (27) | Race
and Upper Shaft Assembly |
| (28) | Centering
Sphere |
| (29) | Joint
Preload Spring |
| (30) | Lower Steering Shaft Assembly |
| (31) | Pivot Pins |
| (31) | Pivot Pins |
| (32) | Wire Restraint Clip |
| (33) | Steering Column Support Assembly |
| (34) | Steering Shaft Position Sensor |
| (35) | Sensor Locator |
| (36) | Boot Seal |
| (37) | Boot |
| (38) | Bolt Retainer |
| (39) | Bolt and Retainer Assembly |
| (40) | Intermediate Steering Shaft Assembly |