Ignition Lock Cylinder Case Replacement Column Shift
Tools Required
J 41396 steering
wheel theft deterrent lock Cable Pliers
Removal Procedure
- Remove the steering column trim cover. Refer to
Steering Column Trim Covers Replacement
.
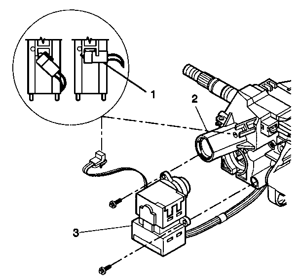
- Disconnect the steering
wheel theft deterrent lock cable assembly (1).
The lock
cylinder should be in the OFF-LOCK position.
- Insert a small screwdriver into the slot on the ignition lock
cylinder case assembly and push against the locking tab to remove the steering
wheel theft deterrent lock cable assembly (1).
- Remove the steering column lock cylinder set only. Refer to
Ignition Lock Cylinder Replacement
.
- Remove the key alarm connector (1)
from the ignition lock cylinder case assembly (2).
- Remove the 2 tapping screws from the ignition and key alarm
switch assembly (3).
- Remove the ignition and key alarm switch assembly (3) from
the ignition lock cylinder case assembly (2).
- Let the ignition and key alarm switch assembly (3) hang
freely.
- Remove the 3 pan
head tapping screws (2) from the ignition lock cylinder case assembly (1).
- Remove the ignition lock cylinder case assembly (1).
Installation Procedure
Notice: Use the correct fastener in the correct location. Replacement fasteners
must be the correct part number for that application. Fasteners requiring
replacement or fasteners requiring the use of thread locking compound or sealant
are identified in the service procedure. Do not use paints, lubricants, or
corrosion inhibitors on fasteners or fastener joint surfaces unless specified.
These coatings affect fastener torque and joint clamping force and may damage
the fastener. Use the correct tightening sequence and specifications when
installing fasteners in order to avoid damage to parts and systems.
- Install the ignition lock cylinder case assembly (1) and secure
using 3 pan head tapping screws (2).
Tighten
Tighten the 3 pan head tapping screws to 7 N·m (62 lb in).
- Install the ignition and
key alarm switch assembly (3) onto the ignition lock cylinder case
assembly (2).
- Install the 2 tapping screws into the ignition lock cylinder
case assembly (2).
Tighten
Tighten the 2 tapping screws to 1.5 N·m (13 lb in).
- Install the key alarm connector (1) onto the ignition lock
cylinder case assembly (2).
- Install the steering column lock cylinder set only. Refer to
Ignition Lock Cylinder Replacement
.
- Connect the steering wheel
theft deterrent lock cable assembly (1) using the following steps:
| • | The lock cylinder should be in the OFF-LOCK position. |
| • | The locking tab at the end of the steering wheel theft deterrent
lock cable assembly (1) must be installed into the ignition lock cylinder
case assembly. |
- Adjust the steering wheel
theft deterrent lock cable assembly using the following steps:
| 7.1. | Use the shift lever clevis to put the column in the PARK position. |
| 7.2. | Put the ignition switch in the OFF-LOCK position. Remove the key. |
| 7.3. | Unlock the adjuster ring (1) on the steering wheel theft
deterrent lock cable assembly with J 41396
. |
| 7.4. | Pull on the cable until the steering wheel theft deterrent lock
latch contacts the shift lever clevis. Release the cable. |
| 7.5. | Lock the adjuster ring (1) securely in place on the steering
wheel theft deterrent lock cable assembly with J 41396
. |
- Inspect the steering wheel theft deterrent lock cable assembly
using the following steps:
| 8.1. | Put the lock cylinder in the OFF-LOCK position. The shift lever
clevis should not be able to shift out of the PARK position. |
| 8.2. | Turn the key to the RUN position and put the shift lever clevis
in the NEUTRAL position. |
| 8.3. | With the shift lever clevis in the NEUTRAL position the lock cylinder
should not be able to go into the OFF-LOCK position. |
| 8.4. | Put the shift lever clevis into the PARK position. |
| 8.5. | Put the lock cylinder in the OFF-LOCK position and then remove
the key. |
- Install the steering column trim covers. Refer to
Steering Column Trim Covers Replacement
.