GM Service Manual Online
For 1990-2009 cars only

Tools Required

J 21854-01 Pivot Pin Remover

Removal Procedure

    Caution: Refer to SIR Caution in the Preface section.


    Object Number: 324925  Size: SH
  1. Disable the SIR system. Refer to SIR Disabling and Enabling in SIR.
  2. Remove the turn signal and multifunction switch assembly. Refer to Turn Signal Multifunction Switch Replacement .
  3. Remove the steering column tilt head components. Refer to Steering Column Tilt Head Replacement .
  4. If column shift, remove the shift lever. Refer to Shift Lever Replacement .
  5. Remove the tilt spring assembly. Refer to Steering Column Tilt Spring Replacement .
  6. If column shift, remove the linear shift assembly. Refer to Linear Shift Assembly Replacement .
  7. Remove the steering shaft seal (6).
  8. Remove the sensor retainer (5).
  9. Remove the lower spring retainer (4).
  10. Remove the lower bearing spring (3).
  11. Remove the lower bearing seat (2).
  12. Remove the adapter and bearing assembly (1).

  13. Object Number: 372071  Size: SH
  14. Remove the 2 pivot pins from the steering column support assembly with J 21854-01 .

  15. Object Number: 324937  Size: SH
  16. Install the tilt lever and tilt the column to the upright position.
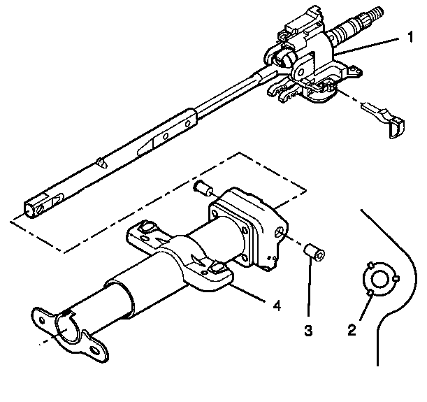
  17. Remove the upper tilt head assembly with the steering shaft assembly.

  18. Object Number: 324936  Size: SH
  19. Remove the steering shaft assembly (1).

  20. Object Number: 295954  Size: SH

    Important: Mark the race and upper shaft assembly and the lower steering shaft assembly to ensure proper assembly. Failure to assemble properly will cause the steering wheel to be turned 180 degrees.

  21. Tilt the race and upper shaft assembly 90 degrees to the lower steering shaft assembly and disengage.

  22. Object Number: 299877  Size: SH
  23. Remove the 4 TORX® head screws (2) and discard from the steering column support assembly (1).
  24. Remove the steering column support assembly (1) from the steering column jacket (3).

Installation Procedure


    Object Number: 299877  Size: SH

    Important: Once the steering column support and the pivot pins have been staked 3 times, replace the steering column support.

  1. Install the steering column support assembly (1) to the steering column jacket assembly (3).
  2. Notice: Refer to Fastener Notice in the Preface section.

  3. Install the 4 TORX® screws (2).
  4. Tighten
    Tighten the screws to 17 N·m (13 lb ft).


    Object Number: 299888  Size: SH

    Important: Use the alignment marks from the disassemble procedure to install the lower steering shaft and the race and upper shaft assembly. Failure to assemble properly will cause the steering wheel to be turned 180 degrees.

  5. Lubricate the exposed centering sphere with GM P/N 12345718 (Canadian P/N 10953516).
  6. Install the lower steering shaft assembly to the race and upper shaft assembly

  7. Object Number: 299889  Size: SH
  8. Install the steering shaft assembly (2) into the steering column tilt head assembly (1).

  9. Object Number: 306326  Size: SH

    Important: Once the steering column support and the pivot pins have been staked 3 times, replace the steering column support.

  10. Install the steering column tilt head assembly (1) to the steering column jacket assembly (4).
  11. Lubricate the 2 pivot pins (3) with GM P/N 12346293 (Canadian P/N 992723).
  12. Install the 2 pivot pins (3).
  13. Stake the pivot pin locations (2).

  14. Object Number: 324925  Size: SH
  15. Install the adapter and bearing assembly (1).
  16. Install the lower bearing seat (2).
  17. Install the lower bearing spring (3).
  18. Install the lower spring retainer (4).
  19. Install the sensor retainer (5).
  20. Install the steering shaft seal (6).
  21. Caution: Improper routing of the wire harness assembly may damage the inflatable restraint steering wheel module coil. This may result in a malfunction of the coil, which may cause personal injury.

  22. If column shift, install the linear shift assembly. Refer to Linear Shift Assembly Replacement .
  23. Install the tilt spring. Refer to Steering Column Tilt Spring Replacement .
  24. If column shift, install the shift lever. Refer to Shift Lever Replacement .
  25. Install the steering column tilt head components. Do not install the trim covers until the turn signal and multifuction switch assembly has been installed. Refer to Steering Column Tilt Head Replacement .
  26. Install the turn signal and multifunction switch assembly. Refer to Turn Signal Multifunction Switch Replacement .
  27. Enable the SIR system. Refer to SIR Disabling and Enabling in SIR.