GM Service Manual Online
For 1990-2009 cars only

Removal Procedure

    Caution: Refer to SIR Caution in the Preface section.


    Object Number: 293245  Size: SH
  1. Disable the SIR coil. Refer to SIR Disabling and Enabling in SIR.
  2. Remove the steering wheel from the column. Refer to Steering Wheel Replacement .
  3. Remove the steering column from the vehicle. Refer to Steering Column Replacement .
  4. Inspect the steering column for accident damage. Refer to Steering Column Accident Damage Inspection .
  5. Remove the upper and lower trim cover. Refer to Steering Column Trim Covers Replacement .
  6. Use the tilt lever to tilt the column in the UP position.

  7. Object Number: 293248  Size: SH

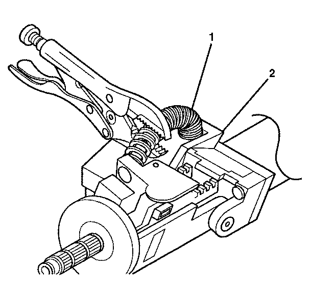
    Caution: The tilt spring and the spring guide are under pressure. The tilt spring and the spring guide may become a projectile. Secure the spring with locking pliers during removal. Secure the spring with locking pliers during installation. Bodily injury may result during removal and installation of the tilt spring and the spring guide. Always use caution during removal and installation of the tilt spring and the spring guide.

  8. Remove the tilt spring (1).
  9. 7.1. Pry the tilt spring up until a bulge occurs and most of the tilt spring tension is removed.
    7.2. Secure the tilt spring with locking pliers and continue prying until the tilt spring disengages from the post of the steering column support assembly (3).

    Object Number: 293249  Size: SH
  10. Remove the spring guide (1) from the tilt spring (2).

Installation Procedure


    Object Number: 603825  Size: SH
  1. Lubricate the spring guide (1) with GM P/N  synthetic grease.
  2. Install the spring guide (1) to the tilt spring (2).

  3. Object Number: 293251  Size: SH
  4. Install the tilt spring (1).
  5. 3.1. Install the tilt spring (1) to the post on the steering column support assembly (2).
    3.2. Secure the tilt spring (1) with locking pliers.
    3.3. Install the upper and lower trim cover. Refer to Steering Column Trim Covers Replacement .
    3.4. Install the steering column into the vehicle. Refer to Steering Column Replacement .
    3.5. Install the steering wheel onto the steering column. Refer to Steering Wheel Replacement .
    3.6. Enable the inflatable restraint steering wheel module. Refer to SIR Disabling and Enabling in SIR.