GM Service Manual Online
For 1990-2009 cars only
Makes
🢒
Generic
🢒
2003
🢒
Unit Repair
🢒 Engine Data Sensors - 5 Volt and Low Reference Buses
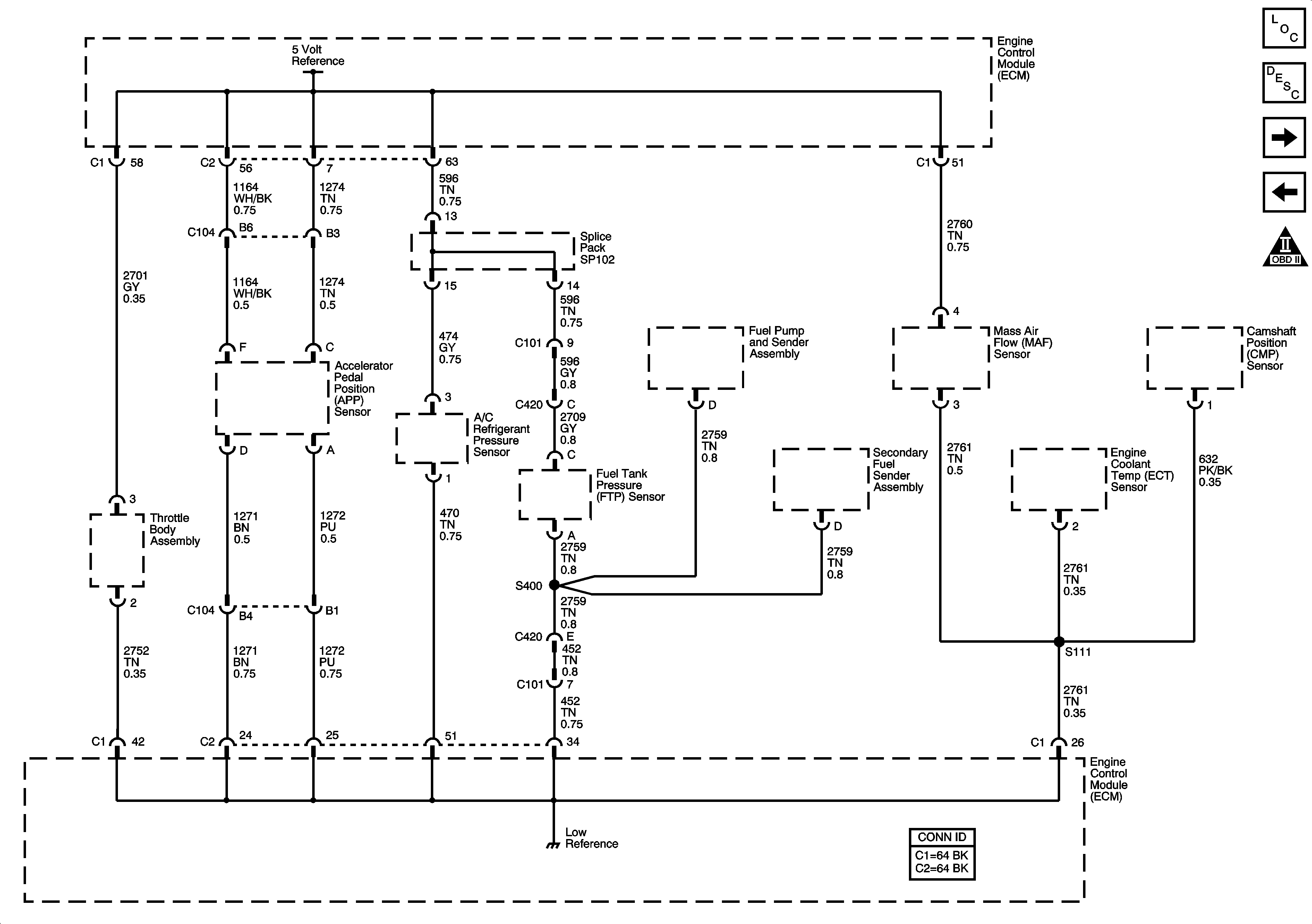
Engine Data Sensors - 5 Volt and Low Reference Buses
Engine Data Sensors - 5 Volt and Low Reference Buses
Master Electrical Component List
Engine Control Module Description
Engine Data Sensors - ECT, MAF and IAT Sensors
Power, Ground, Serial Data, DIC and Indicator
OBD II Symbol Description Notice