GM Service Manual Online
For 1990-2009 cars only
Makes
🢒
Generic
🢒
2003
🢒
Unit Repair
🢒 Engine Data Sensors - Throttle Actuator Control (TAC) System
Engine Data Sensors - Throttle Actuator Control (TAC) System
Engine Data Sensors - Throttle Actuator Control (TAC) System
Master Electrical Component List
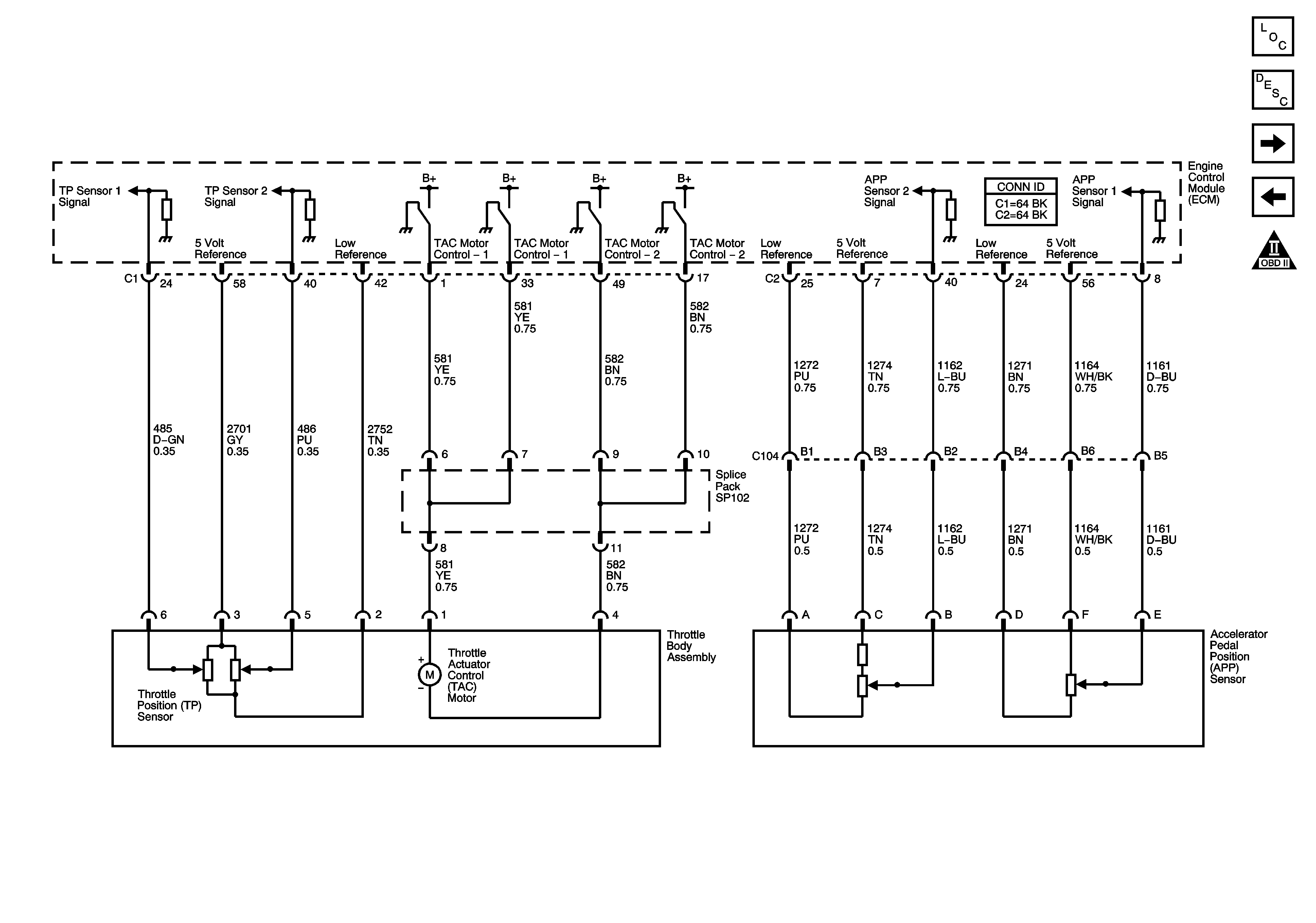
Throttle Actuator Control (TAC) System Description
Ignition Controls - Knock, CKP and CMP Sensors
Engine Data Sensors - Heated Oxygen Sensors (HO2S)
OBD II Symbol Description Notice