GM Service Manual Online
For 1990-2009 cars only
Makes
🢒
Generic
🢒
2003
🢒
Unit Repair
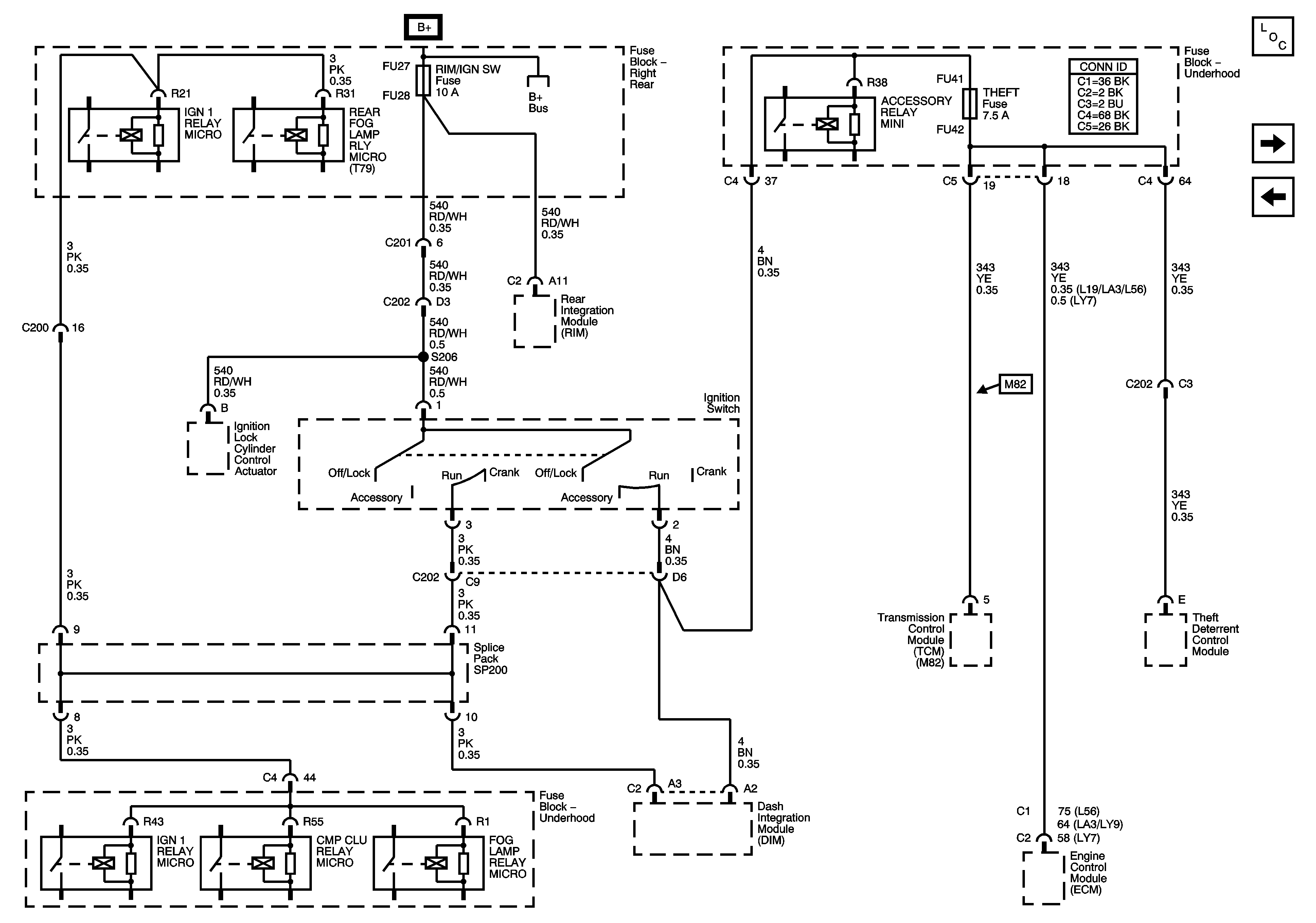
🢒 Ignition Switch - 2 of 2
Ignition Switch - 2 of 2
Ignition Switch (2 of 2)
Master Electrical Component List
Underhood Fuse Block PARK LAMP Relay/Fuses and DIMMING Fuse
Ignition Switch - 1 of 2
Right Rear Fuse Block B+ Bus