GM Service Manual Online
For 1990-2009 cars only
Makes
🢒
Generic
🢒
2003
🢒
Unit Repair
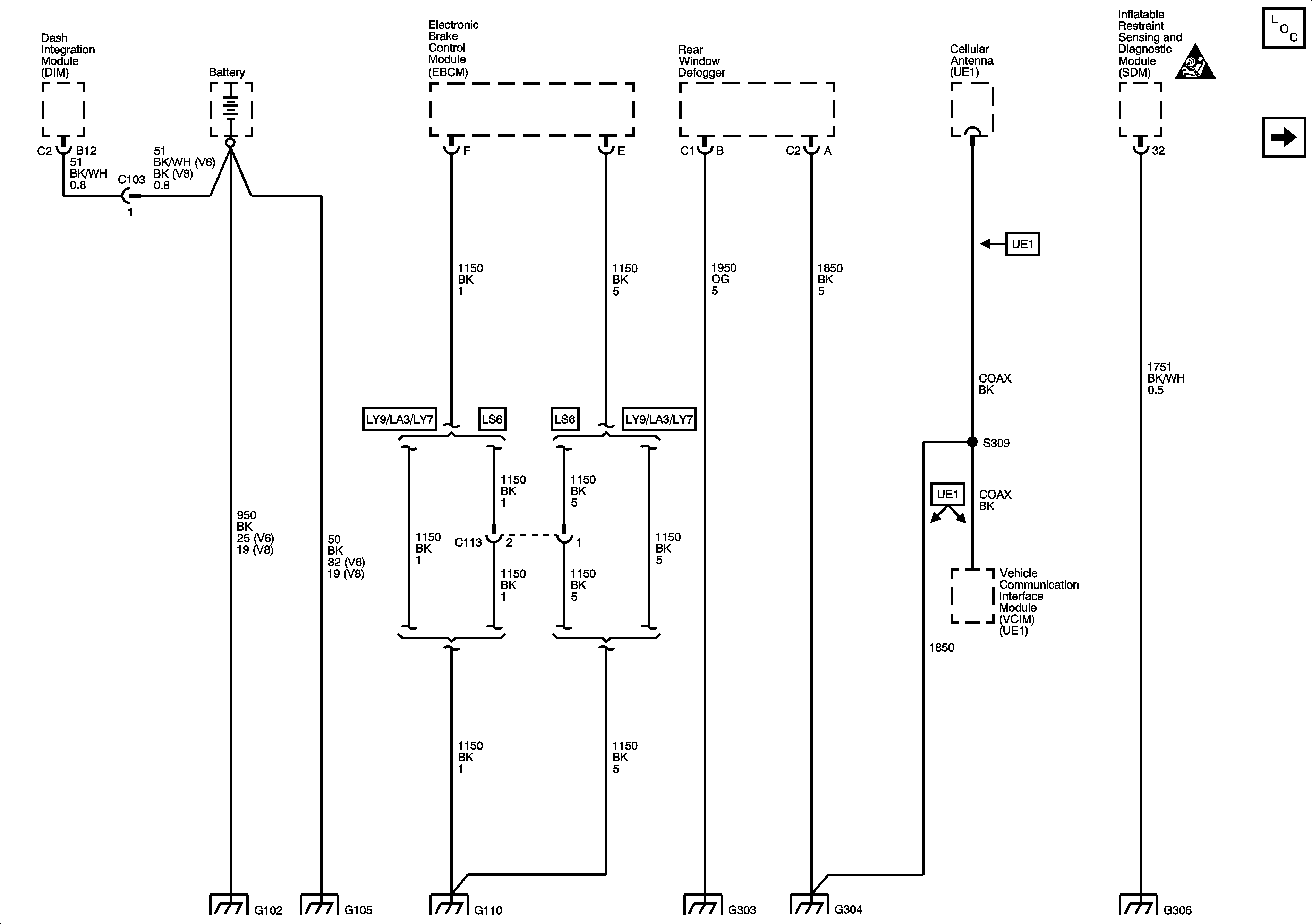
🢒 G102, G105, G110, G303, G304 and G306
G102, G105, G110, G303, G304 and G306
G102, G105 G110, G303, G304 and G306
Master Electrical Component List
G100 and G107 - 2.6L/3.2L (LY9/LA3)
SIR Caution for Zoning