GM Service Manual Online
For 1990-2009 cars only
Makes
🢒
Generic
🢒
2003
🢒
Unit Repair
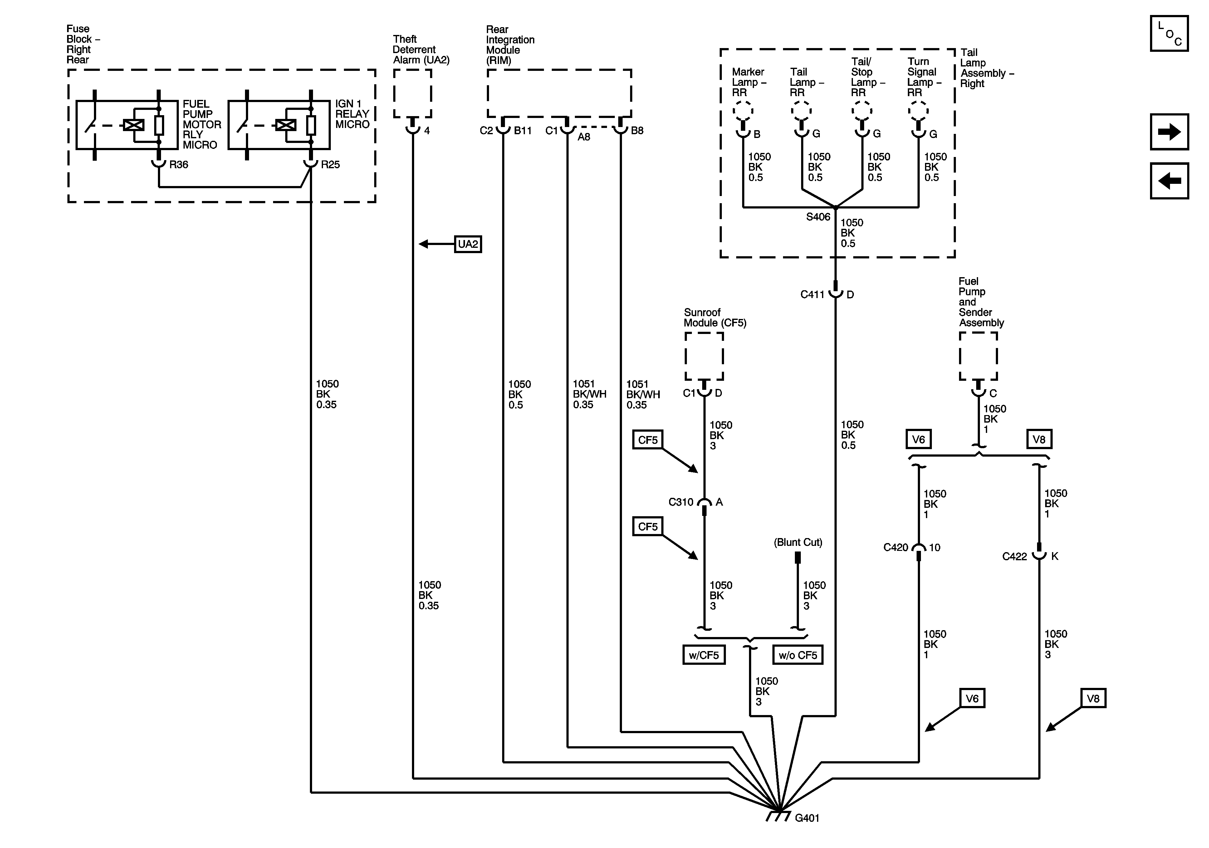
🢒 G401
G401
G401
Master Electrical Component List
G104 - 1 of 2
G307