GM Service Manual Online
For 1990-2009 cars only
Makes
🢒
Generic
🢒
2003
🢒
Unit Repair
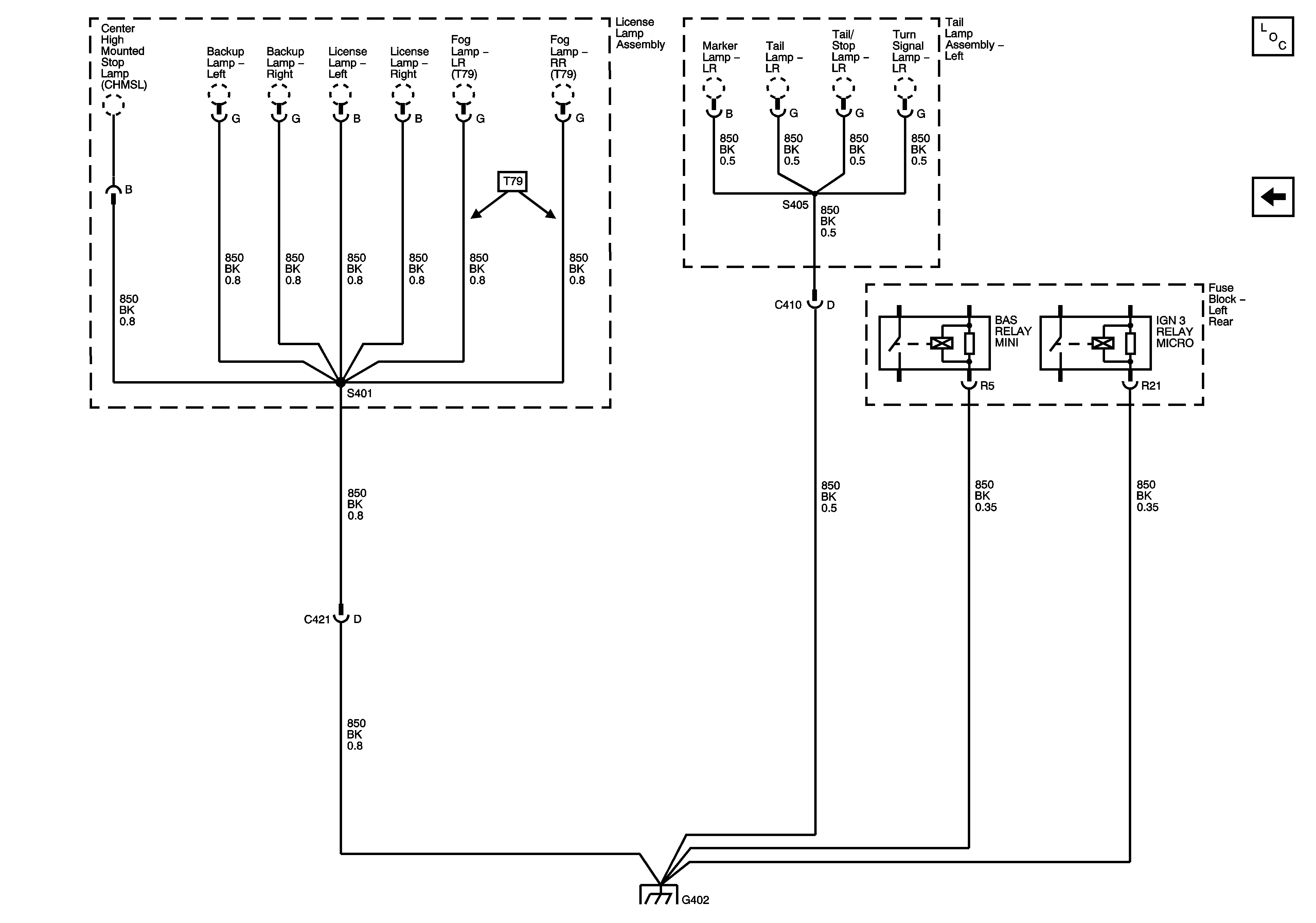
🢒 G402 - 2 of 2
G402 - 2 of 2
G402 (2 of 2)
Master Electrical Component List
G104 - 1 of 2