GM Service Manual Online
For 1990-2009 cars only
Makes
🢒
Generic
🢒
2003
🢒
Unit Repair
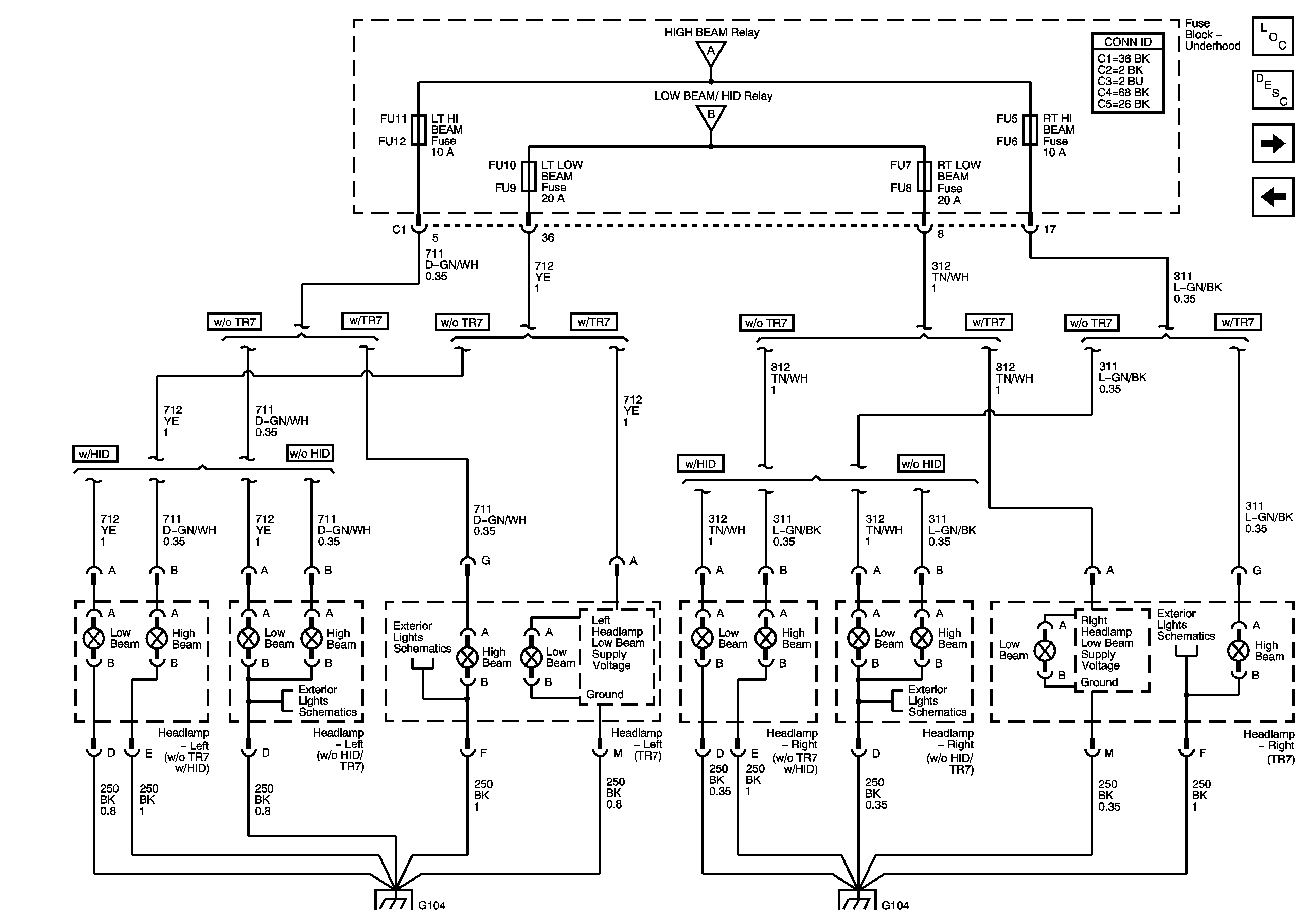
🢒 Headlamps
Headlamps
Headlamps
Master Electrical Component List
Exterior Lighting Systems Description and Operation
Daytime Running Lamps (DRL) (Export W/T65)
Headlamp Controls
Headlamp Controls
Headlamp Controls
Position Lamps, Park Lamps and Tail Lamps (Export w/T79)
Turn Signal Lamps (Domestic and Export) and Repeater Lamps (Export w/T90)
G104 - 2 of 2
Position Lamps, Park Lamps and Tail Lamps (Export w/T79)
Turn Signal Lamps (Domestic and Export) and Repeater Lamps (Export w/T90)
G104 - 2 of 2