GM Service Manual Online
For 1990-2009 cars only
Makes
🢒
Generic
🢒
2003
🢒
Unit Repair
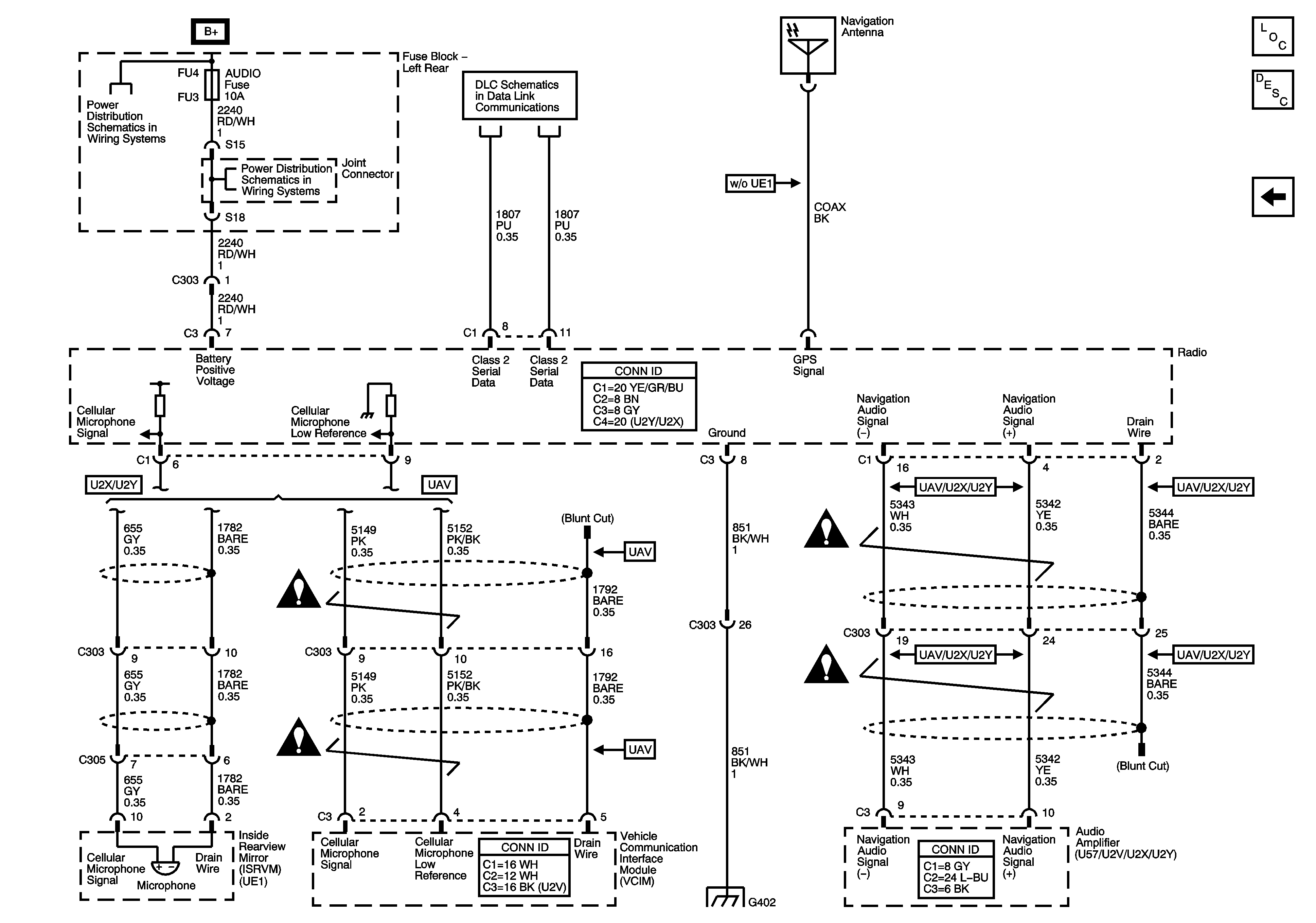
🢒 Navigation Antenna, Radio, Audio Amplifier, VCIM and ISRVM
Navigation Antenna, Radio, Audio Amplifier, VCIM and ISRVM
Navigation Antenna, Radio, Audio Amplifier, VCIM and ISRVM
Master Electrical Component List
Navigation System Description and Operation
Traffic Information Receiver (Japan w/U2X/U2Y)
Left Rear Fuse Block B+ Bus
Left Rear Fuse Block SEAT Circuit Breaker, TRUNK Fuse/Relay, AMP, AUDIO, DRIVER DR MOD and REAR DR MOD Fuses
Class 2 Serial Data Bus - LHD - 2 of 2
Navigation System Schematic Icons
Navigation System Schematic Icons
Navigation System Schematic Icons
Navigation System Schematic Icons
G104 - 1 of 2