GM Service Manual Online
For 1990-2009 cars only
Makes
🢒
Generic
🢒
2003
🢒
Unit Repair
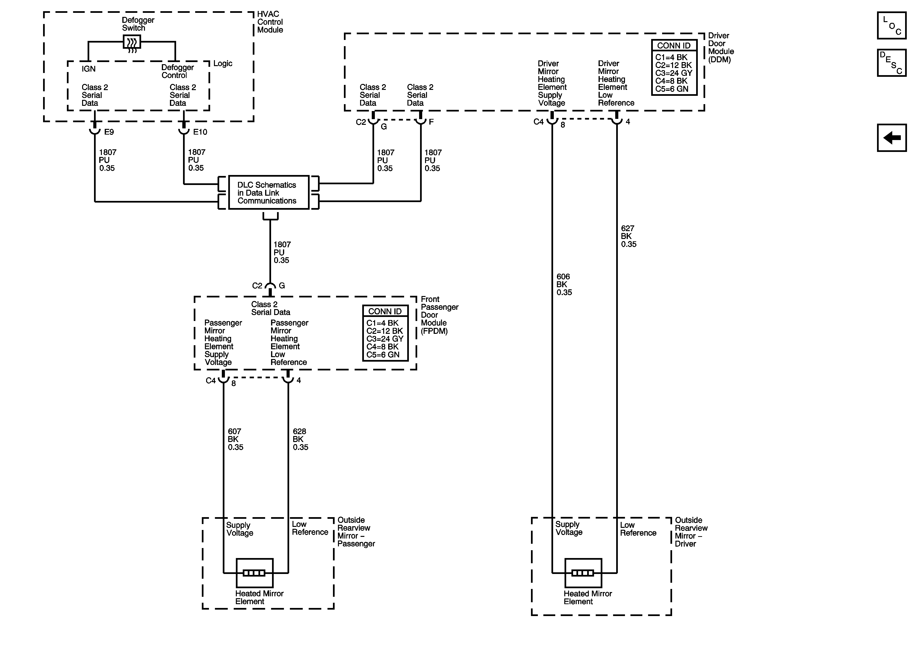
🢒 Heated Outside Rearview Mirrors
Heated Outside Rearview Mirrors
Heated Outside Rearview Mirrors
Master Electrical Component List
Outside Mirror Description and Operation
Passenger Outside Rearview Mirror (A45)
Class 2 Serial Data Bus - LHD - 2 of 2